Sostieni il forum con una donazione! Il tuo contributo ci aiuterà a rimanere online!
Immagine

Problema The Screamer

Problemi con un effetto? Esponili qui!
Rispondi
RiccardoM1
Neutrino
Neutrino
Messaggi: 3
Iscritto il: 25/01/2012, 23:38

Problema The Screamer

Messaggio da RiccardoM1 » 18/03/2016, 19:30

Ciao a tutti, ho un problema con il kit di musikding The Screamer.
Funziona tutto (non esattamente altrimenti non avrei scritto) ma il POT del Drive è come se non ci fosse, sia che sia al massimo, sia che sia al minimo, il livello di distorsione rimane sempre lo stesso. Secondo voi da cosa può dipendere?
Grazie in anticipo.

Avatar utente
Kagliostro
Amministratore
Amministratore
Messaggi: 9955
Iscritto il: 03/12/2007, 0:16
Località: Prov. di Treviso

Re: Problema The Screamer

Messaggio da Kagliostro » 18/03/2016, 22:01

Posta la documentazione che hai

non è che si possa conoscere lo schema di ogni elettronica che c'è in giro

K


Avatar utente
Kagliostro
Amministratore
Amministratore
Messaggi: 9955
Iscritto il: 03/12/2007, 0:16
Località: Prov. di Treviso

Re: Problema The Screamer

Messaggio da Kagliostro » 18/03/2016, 23:18

Premesso che di stato solido non ne capisco (magari capiteranno qui Raf71, Robi o qualcun altro degli esperti)

Sei sicuro di aver collegato il pot esattamente ?

l'interruttore in serie lo hai controllato ?

---

Magari posta un paio di foto della tua realizzazione (cerca che siano bene a fuoco e prese da vicino, altrimenti i dettagli non si vedono)

---

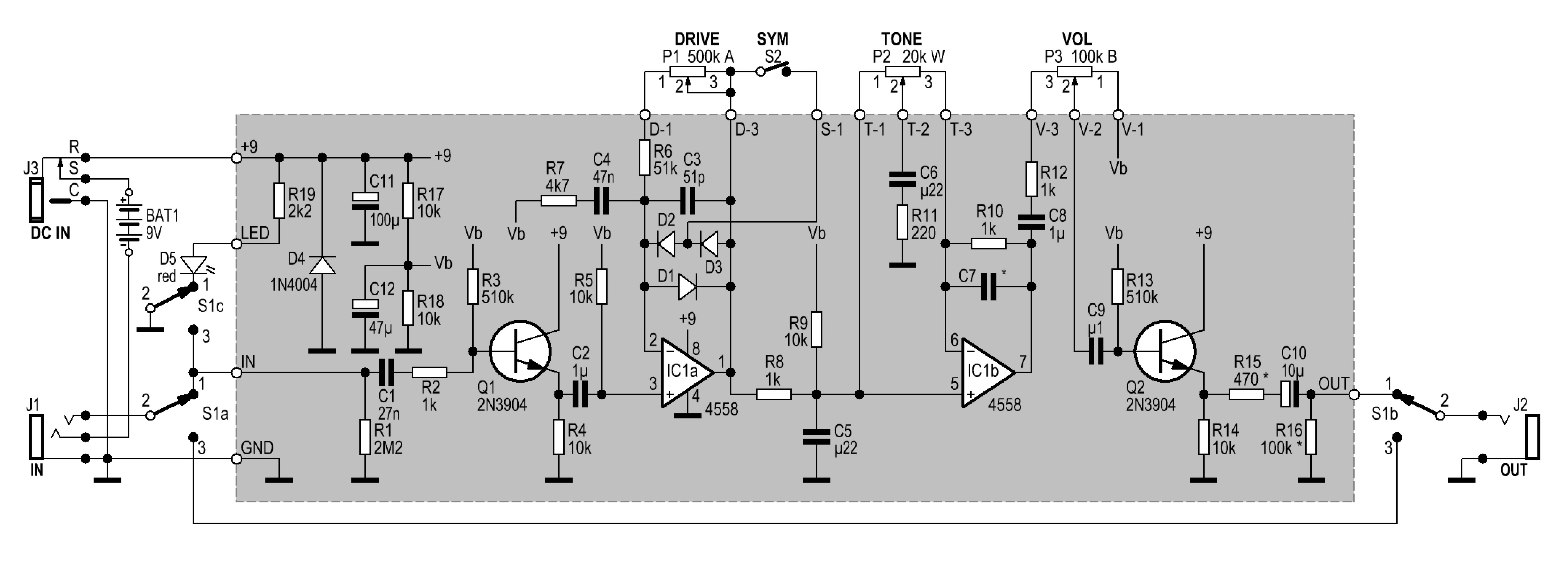
Per facilitare chi ne capisce allego lo schema (nel pdf si vede anche la PCB)

Cliccare sull'immagine per vederla in piena risoluzione
screamerschalt.jpg
K

Avatar utente
raf71
Diyer Eroe
Diyer Eroe
Messaggi: 988
Iscritto il: 12/08/2010, 17:24
Località: Pozzuoli (NA)

Re: Problema The Screamer

Messaggio da raf71 » 19/03/2016, 19:43

Ciao Riccardo.

Posta le foto della tua realizzazione, lato componenti e lato rame. Se non vediamo nulla restiamo nel mondo delle ipotesi. :face_green:
Sicuramente hai messo qualche componente al posto di un altro.


Saluti
Raffaele
Napoletani si nasce.....

RiccardoM1
Neutrino
Neutrino
Messaggi: 3
Iscritto il: 25/01/2012, 23:38

Re: Problema The Screamer

Messaggio da RiccardoM1 » 21/03/2016, 16:03

Era il pot andato!
Sostituito il Pot ora funziona!
Grazie a tutti.

Avatar utente
robi
Amministratore
Amministratore
Messaggi: 9758
Iscritto il: 17/12/2006, 13:57
Località: Alba

Re: Problema The Screamer

Messaggio da robi » 23/03/2016, 11:18

Molto bene Riccardo!

Dato che sono passato di qui, ma in ritardo... ci posteresti qualche foto del pedalino finito?

Rispondi