Tc electronic stereo chorus flanger sbilanciamento uscite
Tc electronic stereo chorus flanger sbilanciamento uscite
Salve,
Ho una perplessità in merito a questo pedale che mi hanno dato da provare per acquistare.
Se inserisco input ed output right, mono, il volume si abbassa, anche con effetto bypassato, e devo aumentare il gain al massimo per ottenere un volume normale.
Al contrario, uscita left stereo, il volume esce normale ed il trimmer gain, ne amplifica il suono.
Ho come la sensazione che un rc4558 sia ko (devo capire quale e trattandosi di smd è anche un problema)
Ho anche notato come sulla linea del segnale mono, tip del Jack, ci sia un voltaggio di circa 6,5v,che mi sembra alquanto strano.
Suggerimenti?
Ho una perplessità in merito a questo pedale che mi hanno dato da provare per acquistare.
Se inserisco input ed output right, mono, il volume si abbassa, anche con effetto bypassato, e devo aumentare il gain al massimo per ottenere un volume normale.
Al contrario, uscita left stereo, il volume esce normale ed il trimmer gain, ne amplifica il suono.
Ho come la sensazione che un rc4558 sia ko (devo capire quale e trattandosi di smd è anche un problema)
Ho anche notato come sulla linea del segnale mono, tip del Jack, ci sia un voltaggio di circa 6,5v,che mi sembra alquanto strano.
Suggerimenti?
Re: Tc electronic stereo chorus flanger sbilanciamento uscite
Scusate se riuppo il thread.. So che nn è un pedale molto moddato ecc..ma ci provo lo stesso per avere lumi.
Vorrei capire se quei 6v sull segnale output vi sembrano normali? Qualcuno ha più esperienza di me qui penso
Vorrei capire se quei 6v sull segnale output vi sembrano normali? Qualcuno ha più esperienza di me qui penso
- Kagliostro
- Amministratore

- Messaggi: 9949
- Iscritto il: 03/12/2007, 0:16
- Località: Prov. di Treviso
Re: Tc electronic stereo chorus flanger sbilanciamento uscite
Ho visto i post ma non essendo in grado di rispondere non ho scritto niente
Qui siamo rimasti in pochi e quei pochissimi sono anche super impegnati con il lavoro
Probabilmente qualcuno che sa qualcosina sull'argomento anche ci sarà ma se c'è, di sicuro ultimamente non passa per il forum
Dispiace dirlo ma siamo sempre meno ed il non rispondere non è sicuramente per volontà di non farlo
Non posso che augurarti una buona giornata e dirti di passare ogni tanto a vedere se qualcuno abbia postato qualche consiglio per risolvere
K
Qui siamo rimasti in pochi e quei pochissimi sono anche super impegnati con il lavoro
Probabilmente qualcuno che sa qualcosina sull'argomento anche ci sarà ma se c'è, di sicuro ultimamente non passa per il forum
Dispiace dirlo ma siamo sempre meno ed il non rispondere non è sicuramente per volontà di non farlo
Non posso che augurarti una buona giornata e dirti di passare ogni tanto a vedere se qualcuno abbia postato qualche consiglio per risolvere
K
Re: Tc electronic stereo chorus flanger sbilanciamento uscite
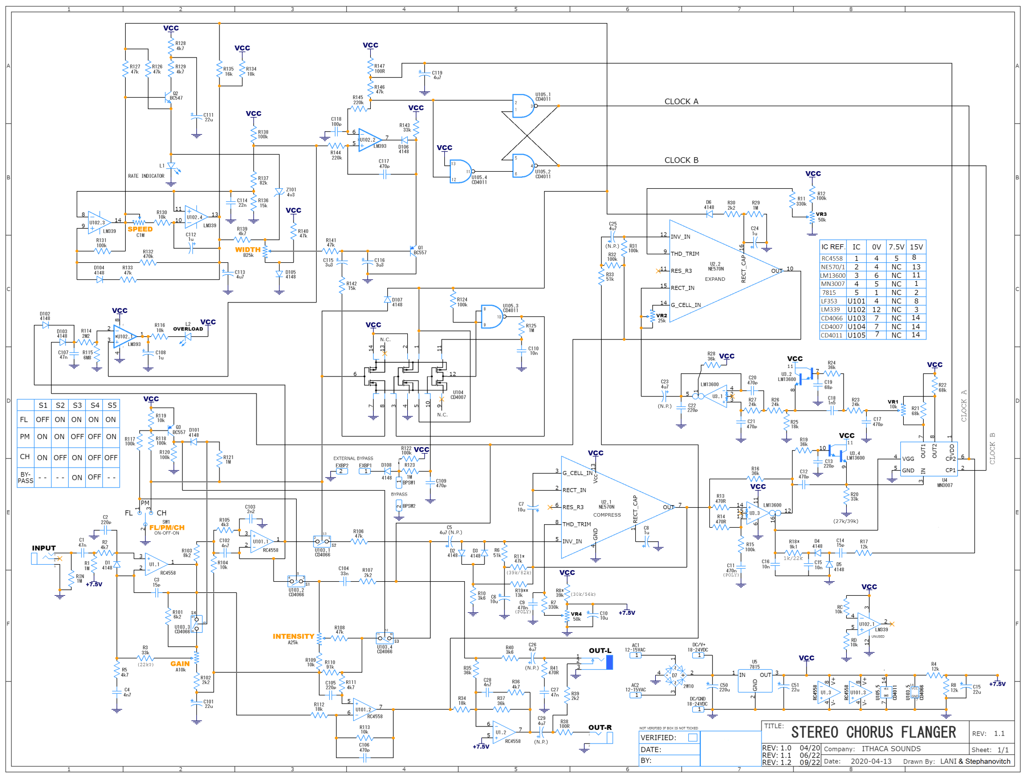
Le uscite non sono riferite a massa con una resistenza quindi potrebbe essere che ci sia della continua residua. Se colleghi qualcosa all'uscita o metti 1 Meg in parallelo la continua dovrebbe sparire. Potrebbe essere che U1.2 dia andato, hai un oscilloscopio? Le misure in continua sono buone sui pin 5 6 7?
- Kagliostro
- Amministratore

- Messaggi: 9949
- Iscritto il: 03/12/2007, 0:16
- Località: Prov. di Treviso
Re: Tc electronic stereo chorus flanger sbilanciamento uscite
Ciao Vicus
Franco
Franco
Re: Tc electronic stereo chorus flanger sbilanciamento uscite
Ciao, ho quel pedale, versione anni '80. In realtà ne ho avute due versioni diverse realizzate negli anni '80.
Tu quale versione hai? Una delle vecchie o quella reissue? Non ho letto tutto il thread ma mi pare di aver capito smd quindi reissue.
Lo schema è corretto? Hai verificato quantomeno intorno alle uscite?
Tu quale versione hai? Una delle vecchie o quella reissue? Non ho letto tutto il thread ma mi pare di aver capito smd quindi reissue.
Lo schema è corretto? Hai verificato quantomeno intorno alle uscite?
Re: Tc electronic stereo chorus flanger sbilanciamento uscite
Eccomi ragazzi, settimana super incasinata anche x me.
Si comprendo non abbiamo più (almeno io) trenta anni e tempo per divertirci molto, ma questo forum ricorda molto i miei periodi di vita in cui ero spensierato e smanettavo sui miei primi ampli e pedali.
Comunque..
Il pedale ha una tensione di 7v.circa sull uscita mono.
Non è accettabile.
Stavo suonando poco a e collegato ad un delay, lo mandava in palla quando schiacciavo interruttore delay usciva un colpo di rivoltella dalla cassa.
Ho smontato tutto, pedalino anni 90 a 220v
Ci sarà qualcosa che che disperde appunto o qualche cap andato avevo pensato.
Ho oscilloscopio.. Se m suggerite come è dove usarlo vi sono grato. Posso ricambiare con consigli utili prima e dopo interventi di chirurgia ortopedica
Si comprendo non abbiamo più (almeno io) trenta anni e tempo per divertirci molto, ma questo forum ricorda molto i miei periodi di vita in cui ero spensierato e smanettavo sui miei primi ampli e pedali.
Comunque..
Il pedale ha una tensione di 7v.circa sull uscita mono.
Non è accettabile.
Stavo suonando poco a e collegato ad un delay, lo mandava in palla quando schiacciavo interruttore delay usciva un colpo di rivoltella dalla cassa.
Ho smontato tutto, pedalino anni 90 a 220v
Ci sarà qualcosa che che disperde appunto o qualche cap andato avevo pensato.
Ho oscilloscopio.. Se m suggerite come è dove usarlo vi sono grato. Posso ricambiare con consigli utili prima e dopo interventi di chirurgia ortopedica
Re: Tc electronic stereo chorus flanger sbilanciamento uscite
Dite di controllare questa zona?
Re: Tc electronic stereo chorus flanger sbilanciamento uscite
Vado a naso...
Ho comparato le linee di due opamp.. Pin a pin e notavo quest'a differenza.
Poi sono partito dalle segnale input. Nel secondo video
Ho comparato le linee di due opamp.. Pin a pin e notavo quest'a differenza.
Poi sono partito dalle segnale input. Nel secondo video
Re: Tc electronic stereo chorus flanger sbilanciamento uscite
Un elettrico ko che non blocca dc potrebbe essere anche essere?
Re: Tc electronic stereo chorus flanger sbilanciamento uscite
Prova a sostituire C29 e C26.
Hai una versione più recente, i miei erano ancora tutto hole through.
Hai una versione più recente, i miei erano ancora tutto hole through.
Re: Tc electronic stereo chorus flanger sbilanciamento uscite
Per la cronaca era questo Cap.
Segnava 7b sul lato -
Grazie mille e a tutti
Segnava 7b sul lato -
Grazie mille e a tutti

