Problema di guadagno con distorsore valvolare....
Problema di guadagno con distorsore valvolare....
Ciao a tutti,
ho deciso di cimentarmi nella costruzione
del seguente "distorsore valvolare":
http://wormsart.alfaspace.net/geffects/ ... bedist.gif
Ma non avendo trovato l'integrato IC 747
(presumo sia l' LM747) indicato, l'ho
sostituito con un amp op TL702 modificando
di conseguenza i pin.
Bene, il circuto funziona, ma ho un guadagno
davvero basso!
In effetti sembra più un pre-amplificatore
valvolare che un distorsore!
Secondo voi a cosa è dovuto il problema?
Non ho modificato nessun componente oltre
al IC, qualche resistenza va cambiata?
Vi ringrazio per la disponibilità!
A presto! felix
ho deciso di cimentarmi nella costruzione
del seguente "distorsore valvolare":
http://wormsart.alfaspace.net/geffects/ ... bedist.gif
Ma non avendo trovato l'integrato IC 747
(presumo sia l' LM747) indicato, l'ho
sostituito con un amp op TL702 modificando
di conseguenza i pin.
Bene, il circuto funziona, ma ho un guadagno
davvero basso!
In effetti sembra più un pre-amplificatore
valvolare che un distorsore!
Secondo voi a cosa è dovuto il problema?
Non ho modificato nessun componente oltre
al IC, qualche resistenza va cambiata?
Vi ringrazio per la disponibilità!
A presto! felix
Re: Problema di guadagno con distorsore valvolare....
Diverse cosette:
1. questo topic andrebbe nella sezione effetti
2. se non ricordo male Tl072 e 747 dovrebbero avere la stessa pedinatura, ma potrei ricordare male, hai controllato su www.alldatasheet.com?
3. la 12au7 ha di per sè poco guadagno, quindi dovrebbe distorcere più facilmente, tuttavia potresti provare a mettere una 12ax7 che guadagna di più e vedere cosa succede
4. al piedino 3 ed al piedino 8 puoi aggiungere una resistenza da 1k a 47k per ottenere il trucco della distorsione degli ampli soldano (questa è del tutto facoltativa e forse puoi tentarla per ultima)
5. Luix, nel suo progetto del valvenstein aveva notato che con una resistenza da 1M alla griglia della valvola non aveva valori ottimali di tensione di placca, aveva risolto usando una resistenza da 180k, puoi fare la prova sostituendo quelle resistenze
6. all'Ic1a puoi scegliere se aumentare la resistenza da 470k o diminuire quella da 22k, fai delle prove
7. in tutti i casi controlla il colore dell'illuminazione della valvola, non deve mai diventare rossa
In culo alla balena
1. questo topic andrebbe nella sezione effetti
2. se non ricordo male Tl072 e 747 dovrebbero avere la stessa pedinatura, ma potrei ricordare male, hai controllato su www.alldatasheet.com?
3. la 12au7 ha di per sè poco guadagno, quindi dovrebbe distorcere più facilmente, tuttavia potresti provare a mettere una 12ax7 che guadagna di più e vedere cosa succede
4. al piedino 3 ed al piedino 8 puoi aggiungere una resistenza da 1k a 47k per ottenere il trucco della distorsione degli ampli soldano (questa è del tutto facoltativa e forse puoi tentarla per ultima)
5. Luix, nel suo progetto del valvenstein aveva notato che con una resistenza da 1M alla griglia della valvola non aveva valori ottimali di tensione di placca, aveva risolto usando una resistenza da 180k, puoi fare la prova sostituendo quelle resistenze
6. all'Ic1a puoi scegliere se aumentare la resistenza da 470k o diminuire quella da 22k, fai delle prove
7. in tutti i casi controlla il colore dell'illuminazione della valvola, non deve mai diventare rossa
In culo alla balena
L\'uso del tasto \"CERCA\" non provoca impotenza!
Alex
Alex
Re: Problema di guadagno con distorsore valvolare....
Ti ringrazio x la risposta! 
due chiarimenti:
al punto 5 mi consigli di sostituire le resistenze
da 1M (quindi quelle nel piedino 2 e 7 della valvola)
con resistenze da 180k,
e se non ciò non bastasse
al punto 4 dovrei provare a saldare una resistenza
(o trimmer 47k) tra i piedini 3 e 8 della valvola?
due chiarimenti:
al punto 5 mi consigli di sostituire le resistenze
da 1M (quindi quelle nel piedino 2 e 7 della valvola)
con resistenze da 180k,
e se non ciò non bastasse
al punto 4 dovrei provare a saldare una resistenza
(o trimmer 47k) tra i piedini 3 e 8 della valvola?
Ultima modifica di felix il 26/07/2008, 16:07, modificato 1 volta in totale.
Re: Problema di guadagno con distorsore valvolare....
ho trovato una "soluzione" al precedente problema di
guadagno (avevo una saldatura fredda nella R 22k nel
nodo con il potenziometro da 100k e 6V), ma ne è nato
un nuovo problema!
praticamente senza la resistenza da 22k (e quindi a "morsetti
aperti") il tutto funzionava con un buon suono valvolare, ma con
scarsa resa di guadagno, ora, con la saldatura corretta,
il potenziometro da 100k mi funziona nel seguente modo:
da 0 a metà ho un graduale aumento del guadagno con un max a metà
(il suono distorto è davvero brutto, sembra che sia saturo l'IC anzichè
la valvola), da metà in poi il guadagno torna a scendere.
Non so se ho descritto bene la cosa...
Qualcuno sa cosa stia succedendo??
grazie!!
guadagno (avevo una saldatura fredda nella R 22k nel
nodo con il potenziometro da 100k e 6V), ma ne è nato
un nuovo problema!
praticamente senza la resistenza da 22k (e quindi a "morsetti
aperti") il tutto funzionava con un buon suono valvolare, ma con
scarsa resa di guadagno, ora, con la saldatura corretta,
il potenziometro da 100k mi funziona nel seguente modo:
da 0 a metà ho un graduale aumento del guadagno con un max a metà
(il suono distorto è davvero brutto, sembra che sia saturo l'IC anzichè
la valvola), da metà in poi il guadagno torna a scendere.
Non so se ho descritto bene la cosa...
Qualcuno sa cosa stia succedendo??
grazie!!
Ultima modifica di Anonymous il 26/07/2008, 16:46, modificato 1 volta in totale.
Re: Problema di guadagno con distorsore valvolare....
_Alex_ ha scritto: Diverse cosette:
1. questo topic andrebbe nella sezione effetti
Un esperto è un uomo che ha fatto tutti gli errori che si possono fare in un campo molto ristretto - Niels Bohr
- gnogno
- Braccio destro di Roger Mayer

- Messaggi: 1986
- Iscritto il: 15/05/2006, 20:34
- Località: Lucerna
Re: Problema di guadagno con distorsore valvolare....
Sì, ma nella sezione problemi!

[size=40][b]La funzione Cerca è tua amica[/b][/size]
- gnogno
- Braccio destro di Roger Mayer

- Messaggi: 1986
- Iscritto il: 15/05/2006, 20:34
- Località: Lucerna
Re: Problema di guadagno con distorsore valvolare....
Felix se l'effetto lo hai realizzato su millefori posso disegnarti una piccola modifica per ottimizzare il pedale e, almeno in teoria
, risolvere i tuoi problemi!
Se l'hai fatto su pcb è un po' più complicato...
Poi postaci le tensioni ai vari pin dell'ic e della valvola e dicci con cosa lo alimenti
Se l'hai fatto su pcb è un po' più complicato...
Poi postaci le tensioni ai vari pin dell'ic e della valvola e dicci con cosa lo alimenti
[size=40][b]La funzione Cerca è tua amica[/b][/size]
Re: Problema di guadagno con distorsore valvolare....
Si l'ho fatto sul 100 fori, avevo gia un bell'alimentatore 12V stalibizzato da 1A.
Lo alimento con quello e con il partitore riportato nello schema( 2 resitenze da 10k e il condensatore da 100uF.
L'alimentazione presumo sia Ok, i collegamenti mi sembrano giusti,
l'unica perplessità è quella che da quando ho risaldato correttamente
la resistenza da 22k, il potenziomentro ha iniziato a lavorare male e il
suono è piu sporco ma non funziona come dovrebbe!
Lo alimento con quello e con il partitore riportato nello schema( 2 resitenze da 10k e il condensatore da 100uF.
L'alimentazione presumo sia Ok, i collegamenti mi sembrano giusti,
l'unica perplessità è quella che da quando ho risaldato correttamente
la resistenza da 22k, il potenziomentro ha iniziato a lavorare male e il
suono è piu sporco ma non funziona come dovrebbe!
Re: Problema di guadagno con distorsore valvolare....
Di che modifica si tratta?
- gnogno
- Braccio destro di Roger Mayer

- Messaggi: 1986
- Iscritto il: 15/05/2006, 20:34
- Località: Lucerna
Re: Problema di guadagno con distorsore valvolare....
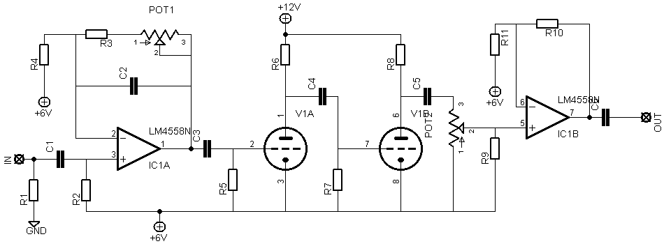
Si tratta di modificare un po' il circuito, come nell'img che ti allego...sicuramente suonerà meglio!!!
Se sei intenzionato aggiungo i valori allo schema (ora sono di fretta)

Se sei intenzionato aggiungo i valori allo schema (ora sono di fretta)
[size=40][b]La funzione Cerca è tua amica[/b][/size]
Re: Problema di guadagno con distorsore valvolare....
Ok grazie, ora gli do un'occhiata e lo confronto col mio circuito...
Spero di riuscire a sistemarlo con poche modifiche!!

Spero di riuscire a sistemarlo con poche modifiche!!
- gnogno
- Braccio destro di Roger Mayer

- Messaggi: 1986
- Iscritto il: 15/05/2006, 20:34
- Località: Lucerna
Re: Problema di guadagno con distorsore valvolare....
Sono riuscito a completare lo schema e ho aggiunto un controllo tono opzionale (quello cerchiato); se non ti interessa puoi ometterlo
[size=40][b]La funzione Cerca è tua amica[/b][/size]
Re: Problema di guadagno con distorsore valvolare....
Dunque, si puoi cambiare le resistenze ai punti 2 e 7 con altrettante da 180k.
Se ti sembra saturo l'Ic prova ad aumentare la resistenza da 22k mettendone una da 47k o addirittura da 100k.
Puoi provare anche ad aggiungere in parallelo alla resistenza da 470k un condensatore da 10nf.
Le modifiche proposte da Paolo sono una valida alternativa.
Se ti sembra saturo l'Ic prova ad aumentare la resistenza da 22k mettendone una da 47k o addirittura da 100k.
Puoi provare anche ad aggiungere in parallelo alla resistenza da 470k un condensatore da 10nf.
Le modifiche proposte da Paolo sono una valida alternativa.
L\'uso del tasto \"CERCA\" non provoca impotenza!
Alex
Alex
Re: Problema di guadagno con distorsore valvolare....
Grazie mille ragazzi!!
Stasera mi metterò a fare un pò di prove!!
Vi farò sapere appena possibile!
Stasera mi metterò a fare un pò di prove!!
Vi farò sapere appena possibile!
Re: Problema di guadagno con distorsore valvolare....
Ho notato che la differenza saliente sta nella posizione del
potenziometro di guadagno dell'ICa.
Non vorrei dire una cavolata ma entrame le soluzioni dovrebbero
essere identiche, anche perchè il pot da 100k del mio schema svolge
la stessa funzione del resistore da 470k dal piedino 3 dell'ICa del circuito
di Paolo...o sbaglio? red_face
potenziometro di guadagno dell'ICa.
Non vorrei dire una cavolata ma entrame le soluzioni dovrebbero
essere identiche, anche perchè il pot da 100k del mio schema svolge
la stessa funzione del resistore da 470k dal piedino 3 dell'ICa del circuito
di Paolo...o sbaglio? red_face
