guvnor modificato... ma non funziona
guvnor modificato... ma non funziona
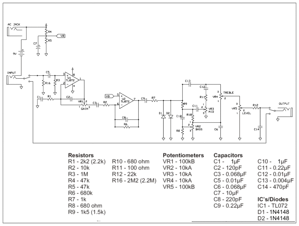
ho terminato di costruire il guvnor facendo tutto io, compreso layout piste, applicando alcune modifiche che avevo letto non ricordo dove per adattarlo al basso, cambiando i condensatori c1 e c10 da 0.1uF portandoli a 1uF e sostituendo i led con due 1n4148.
succede questo: il suono bypassato è perfetto, pulitissimo, senza ronzii o fruscii di sorta, quindi deduco che i collegamenti fuori dalla pcb non siano errati.
quando invece dovrebbe essere attivo l'effetto, il led si accende, ma lo strumento diventa completamente muto: solo alzando molto il volume dell'ampli, si nota un leggerissimo hum continuato di fondo, che non varia suonando lo strumento ma che si alza e si abbassa leggermente muovendo il pot del volume del pedale.
il fatto che io abbia fatto quelle modifiche, potrebbe aver zittito completamente il pedale, ma non mi sembra possibile... potrebbe essere invece un problema di piste? se ci fossero piste magari non collegate perfettamente o rovinate di cui non mi sono accorto, potrei metterci rimedio stagnandole?
grazie a che mi vorrà rispondere...
succede questo: il suono bypassato è perfetto, pulitissimo, senza ronzii o fruscii di sorta, quindi deduco che i collegamenti fuori dalla pcb non siano errati.
quando invece dovrebbe essere attivo l'effetto, il led si accende, ma lo strumento diventa completamente muto: solo alzando molto il volume dell'ampli, si nota un leggerissimo hum continuato di fondo, che non varia suonando lo strumento ma che si alza e si abbassa leggermente muovendo il pot del volume del pedale.
il fatto che io abbia fatto quelle modifiche, potrebbe aver zittito completamente il pedale, ma non mi sembra possibile... potrebbe essere invece un problema di piste? se ci fossero piste magari non collegate perfettamente o rovinate di cui non mi sono accorto, potrei metterci rimedio stagnandole?
grazie a che mi vorrà rispondere...
Re:guvnor modificato... ma non funziona
l'hai provato bypassando il 3pdt? testa solo la pcb e se funziona sai che era un problema di wiring, altrimenti controlla saldature fredde e le continuità delle piste e vedrai che risolvi!


ti consiglio di non farlo inizialmente, postresti incasinare ulteriormente la situazione... è più probabile che ci sia un contatto tra saldature contiguese ci fossero piste magari non collegate perfettamente o rovinate di cui non mi sono accorto, potrei metterci rimedio stagnandole?
Ultima modifica di oldengl il 10/05/2009, 15:53, modificato 1 volta in totale.
Ignoranti quem portum petat nullus suus ventus est
Re:guvnor modificato... ma non funziona
cosa intendi per bypassare il 3pdt?
per testare la pcb cosa posso usare, basta un normale tester oppure la attacco diretta a due jack?
per testare la pcb cosa posso usare, basta un normale tester oppure la attacco diretta a due jack?
Re:guvnor modificato... ma non funziona
intendo che dovresti collegare solo la pcb, quindi in e out ai jack (ovviamente anche le masse dei jack..) alimentazione pcb e ground pcb, in questo modo (se i collegamenti sono giusti) puoi vedere se il segnale passa o meno attraverso la pcb, se dovesse persistere il problema dovresti controllare tutte le saldature e le continuità con il tester, in caso contrario sapresti che il problema è nel wiring...
Ignoranti quem portum petat nullus suus ventus est
Re:guvnor modificato... ma non funziona
ok ho controllato e il wiring è a posto, c'è qualcosa nelle saldature... non sono ancora riuscito a capire il punto esatto però, perchè partendo dall'in il segnale c'è fino al secondo condensatore e poi sparisce, però a vederle le piste non mi sembrano vicinissime in quel punto e anche le saldature non sono attaccate... probabilmente c'è un errore con le piste, sono troppo sottili e vicine anche se non sembra...
forse mi conviene rifare il layout perchè facendolo con expresspcb non mi sembra un granchè... ora proverò eagle...
forse mi conviene rifare il layout perchè facendolo con expresspcb non mi sembra un granchè... ora proverò eagle...
Re:guvnor modificato... ma non funziona
a volte sembrano separate ma fanno contatto, il modo migliore per verificare è il multimetro, controlla tutte le continuità con lo schema a portata di manoperò a vederle le piste non mi sembrano vicinissime in quel punto e anche le saldature non sono attaccate...
Ignoranti quem portum petat nullus suus ventus est
Re:guvnor modificato... ma non funziona
si ci sono saldature decisamente attaccate ma si vede con la lente... comunque le piste sono sottili, con la pnp blu si mangiano troppo, ora facendole con eagle vengono meglio.

