ilden ha scritto:
aumentando la R22 da 2k a 20k, che è quella che va dall'emettitore di Q4 a massa..
quella resistenza fa parte di un particolare tipo di polarizzazione che (se non ricordo male, dal primo anno di università) rende più stabile la polarizzazione forzando il BJT a lavorare in zona attiva, quindi lineare.
fai questo controllo e facci sapere! (PS un consiglio, controlla sempre le res con il tester prima di saldarle, è effettivamente scocciante ma ti risparmi delle belle rogne!  

)
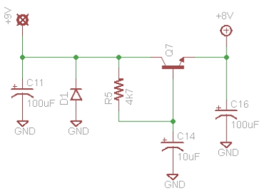
gormangox ha scritto:
Cos'è questo  "circuito inseguitore di tensione per stabilizzare la corrente"  per il big muff?
Avete uno schemino?
Perchè anche il mio humma parecchio, anche con la pila....
il circuito lo ha già allegat ilden nella pagina precedente, ma se hai hum anche con la pila, credo che possa servirti davvero a poco!
 

 
			
			
									
									La teoria è quando si sa tutto ma non funziona niente. La pratica è quando funziona tutto ma non si sa il perché. In ogni caso si finisce sempre con il coniugare la teoria con la pratica: non funziona niente e non si sa il perché.
(Albert Einstein)