Problema pot volume
- gnogno
- Braccio destro di Roger Mayer

- Messaggi: 1986
- Iscritto il: 15/05/2006, 20:34
- Località: Lucerna
Problema pot volume
Ciao a tutti!
Ho un problema che mi sta assillando da un bel po'...praticamente il potenziometro (100k log) del volume di un marshall shred master agisce solo nell'ultimo 1/4...
Rispetto allo schema classico dello shredmaster il potenziometro del volume è preceduto (e non seguito) dal condensatore d'uscita ed è seguito da un partitore 100ohm-3,3k
Qualcuno sa spiegarmi l'arcano??
Le alternative che ho preso in considerazione sono: usare un pot lineare, spostare il pot del volume al posto della 3,3k del partitore...
Grazie!!
Ho un problema che mi sta assillando da un bel po'...praticamente il potenziometro (100k log) del volume di un marshall shred master agisce solo nell'ultimo 1/4...
Rispetto allo schema classico dello shredmaster il potenziometro del volume è preceduto (e non seguito) dal condensatore d'uscita ed è seguito da un partitore 100ohm-3,3k
Qualcuno sa spiegarmi l'arcano??
Le alternative che ho preso in considerazione sono: usare un pot lineare, spostare il pot del volume al posto della 3,3k del partitore...
Grazie!!
[size=40][b]La funzione Cerca è tua amica[/b][/size]
Re:Problema pot volume
Ciao Paolo,
riesci a piazzare una bozza di schema, così che ti si possa aiutare meglio?
Danke!
riesci a piazzare una bozza di schema, così che ti si possa aiutare meglio?
Danke!
Adoro le donne con un passato, e gli uomini con un futuro.
- gnogno
- Braccio destro di Roger Mayer

- Messaggi: 1986
- Iscritto il: 15/05/2006, 20:34
- Località: Lucerna
Re:Problema pot volume
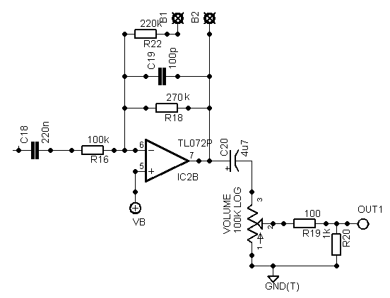
Ecco lo schema!
Con il pot lineare è peggiorata la situazione: ora agisce solo l'ultimo 16esimo
Ho provato ad usare un pot del volume di valore maggiore e anche il brigth cap per vedere se fossero sol ogli alti a mancare, ma nada..il problema non s'è risolto!
Con il pot lineare è peggiorata la situazione: ora agisce solo l'ultimo 16esimo
Ho provato ad usare un pot del volume di valore maggiore e anche il brigth cap per vedere se fossero sol ogli alti a mancare, ma nada..il problema non s'è risolto!
[size=40][b]La funzione Cerca è tua amica[/b][/size]
Re:Problema pot volume
Io nello shredmaster originale ho notato che gain, volume e contour lavorano solamente nell'ultimo quarto della corsa del pot, quindi penso sia una questione di scelte (quali?) di fabbrica
Forse mettendo un rev log migliora la situazione.
Ma che ti importa, quello è un pedale che va usato "alla van halen": TUTTO A MANETTA!!!

Forse mettendo un rev log migliora la situazione.
Ma che ti importa, quello è un pedale che va usato "alla van halen": TUTTO A MANETTA!!!
- gnogno
- Braccio destro di Roger Mayer

- Messaggi: 1986
- Iscritto il: 15/05/2006, 20:34
- Località: Lucerna
Re:Problema pot volume
I problemi sono 2: non lo uso io
, avendoci inserito un boost a pedale (come si vede nello schema) tenerlo tutto a manetta non mi serve...
Il contour è normale che funzioni così, ma su quello ci si può chiudere un occhio... il volume invece no, sembra che sia un pedale spompato invece è solo ostacolato a funzionare come si deve!
Più che altro vorrei capire il PERCHE' di questo comportamento strano!
Il contour è normale che funzioni così, ma su quello ci si può chiudere un occhio... il volume invece no, sembra che sia un pedale spompato invece è solo ostacolato a funzionare come si deve!
Più che altro vorrei capire il PERCHE' di questo comportamento strano!
[size=40][b]La funzione Cerca è tua amica[/b][/size]
- gnogno
- Braccio destro di Roger Mayer

- Messaggi: 1986
- Iscritto il: 15/05/2006, 20:34
- Località: Lucerna
Re:Problema pot volume
Nessuna idea?
Il mio prossimo passo è mettere tutto come sull'originale, anche se dubito che cambi qualcosa, visto che mi ricordo che il problema sussisteva lo stesso (forse un pelo meno...)
Non è il pot difettoso perchè il lineare che ho provato era nuovo...con l'audio probe il volume dopo il condensatore d'uscita è mostruoso e non si trasmette correttamente già prima del partitore!!! Proprio per questo motivo pensavo di mettere il pot al posto della 3,3k (che sullo schema è indicata come 1k) lasciando l'out al nodo tra le due restistenze...Che ne pensate?Mi sembra l'unica soluzione!
Il mio prossimo passo è mettere tutto come sull'originale, anche se dubito che cambi qualcosa, visto che mi ricordo che il problema sussisteva lo stesso (forse un pelo meno...)
Non è il pot difettoso perchè il lineare che ho provato era nuovo...con l'audio probe il volume dopo il condensatore d'uscita è mostruoso e non si trasmette correttamente già prima del partitore!!! Proprio per questo motivo pensavo di mettere il pot al posto della 3,3k (che sullo schema è indicata come 1k) lasciando l'out al nodo tra le due restistenze...Che ne pensate?Mi sembra l'unica soluzione!
[size=40][b]La funzione Cerca è tua amica[/b][/size]
Re:Problema pot volume
Ma sicuro che ha 1k sul centrale verso massa??? se si il problema è quello!
MEMENTO trimmer Humdinger :lol1:
- gnogno
- Braccio destro di Roger Mayer

- Messaggi: 1986
- Iscritto il: 15/05/2006, 20:34
- Località: Lucerna
Re:Problema pot volume
ok, sono un pirla (anche se non è da 1k)...in effetti il dubbio mi era venuto, però anche vedendo il microamp che ha una 10k verso terra avevo preso questa strada che si è rivelata un vicolo cieco...
Luix
Resta il fatto che sto pot agiva a minchia canina pure prima, dovendo stare sempre oltre ore 13 per avere un minimo di volume decente! Domani si continua la ricerca della soluzione!
Resta il fatto che sto pot agiva a minchia canina pure prima, dovendo stare sempre oltre ore 13 per avere un minimo di volume decente! Domani si continua la ricerca della soluzione!
[size=40][b]La funzione Cerca è tua amica[/b][/size]

