In attesa di terminare la riparazione del CH1 che ho ancora fermo in attesa dell integrato, ho deciso di farmi un regalino, per natale,
Probabilmente qualcuno lo avrà anche già notato su Mercatino Musicale, ebbene alla fine lo ho preso io
 
   
 Allora il pedale si presentava con i cavetti staccati/tagliati, e con le saldature ai vari jack, switch, e pcb completamente da rifare, in quanto ormai vecchie e sfilacciate,
Ho un pò di problemini, però...
Allora, basandomi su alcune foto prese da Internet, sono riuscito a risalire al cablaggio originale, anche se non mi è molto chiaro, difatti alimentandolo a 12V (il voltaggio me l'ha detto il venditore e anche qui non so se sia corretto) a pedale spento il suono passa, quando lo attivo, si sente solo un forte ronzio.
inoltre il led nel momento in cui inserisco lo spinotto di alimentazione resta sempre acceso.
Ora, chiedevo se per caso qualcuno che ha questo pedale riuscisse a verificare se i collegamenti sono corretti, tipo com' è cablato il 3pdt, o se i vari collegamenti alla pcb sono corretti.
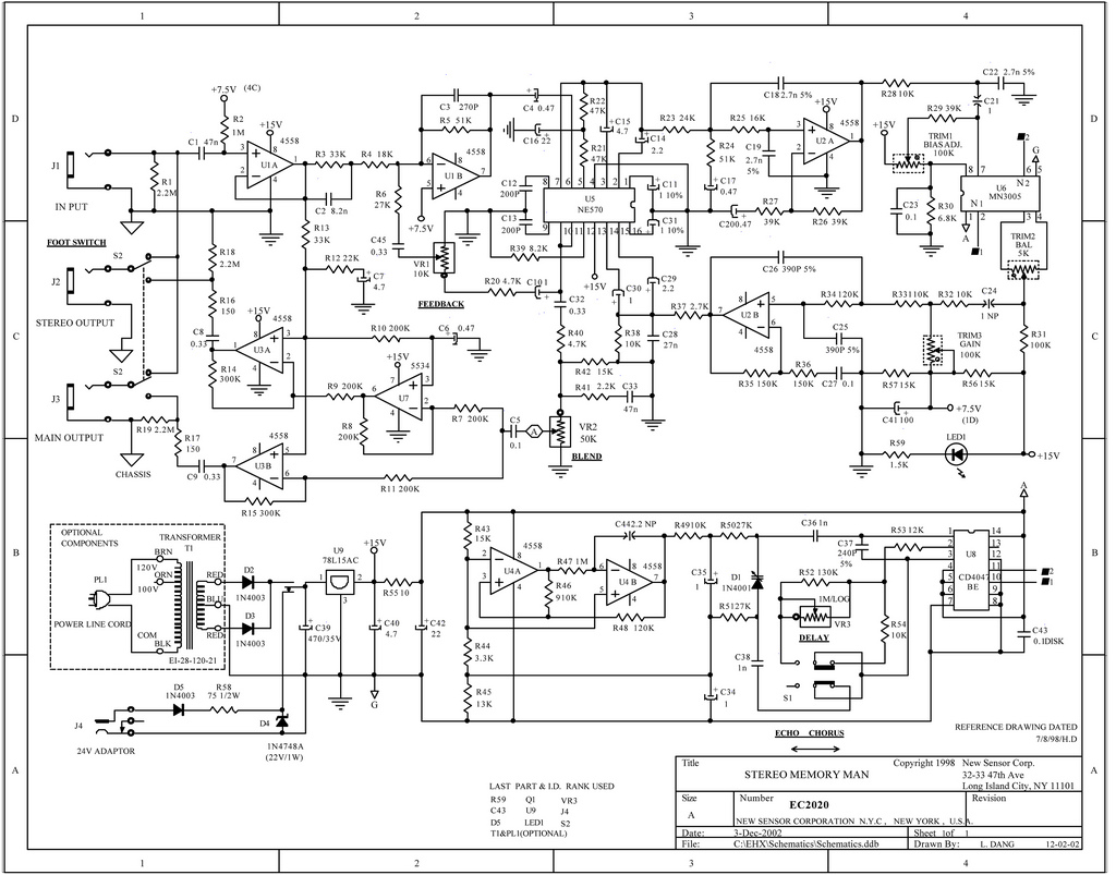
Altra cosa, ho un piccolo grande problema, ossia ho trovato questo schema, il part number del pedale corrisponde ma il mio è senza il trasformatore...
Se avete bisogno di altre info a riguardo basta che mi chiedete,,





 
 
 
   non ho capito...ma ad effetto attivato adesso non esce proprio nulla? Neanche il famoso ronzio? Prova a seguire il segnale con l'audio probe per capire dove si perde....
 non ho capito...ma ad effetto attivato adesso non esce proprio nulla? Neanche il famoso ronzio? Prova a seguire il segnale con l'audio probe per capire dove si perde.... 
   
  
  

 praticamente hai cambiato tutti gli ic...che sfiga...spero tu non l'abbia pagato molto...comunque si con il 3008 praticamente dovrebbe andare con la metà del delay...io proverei cosí e poi se tutto funzia proverei come dicevi tu a fare la modifica di due in cascata...
  praticamente hai cambiato tutti gli ic...che sfiga...spero tu non l'abbia pagato molto...comunque si con il 3008 praticamente dovrebbe andare con la metà del delay...io proverei cosí e poi se tutto funzia proverei come dicevi tu a fare la modifica di due in cascata...