ma cos'è questo DAC??
secondo me il tutto si può fare in maniera molto più semplice, alla fine si tratta di pilotare una decina di relè tramite segnale midi, no? avevo visto progetti più semplici, mai sentito parlare di questo DAC






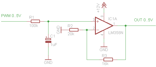
voglio fare esattamente l'opposto :D come hai detto tu, gestire dei pedali MIDI fornendo in uscita tesioni continue derivate dalla PWM;Nutshell ha scritto: Se vuoi gestire dei pedali di espressione e convertirli in pedali midi devi usare degli ADC, io l'ho fatto con il PIC usando degli ADC integrati nel PIC.
e in effetti l'opamp amplifica il segnale in ingresso trasformando una tensione variabile da 0 a 5 in una da 0 a 9 (usata in praticamente trutti i pedali con fotoaccoppiatori o simile)Nutshell ha scritto: Comunque ci tenevo a precisare che la tensione variabile in genere va da 0 a 5V, e se vuoi pilotare dei fotoaccoppiatori guarda il datasheet del fotoacoppiatore perchè sotto una certa soglia non lavora più perchè il led si spegne proprio.






