Re:MIDI Switcher - Progetto
Re:MIDI Switcher - Progetto
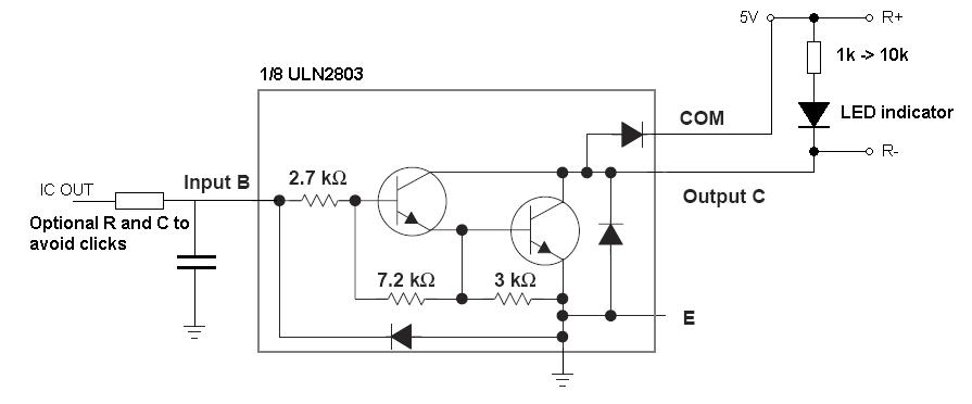
ciao Davide, non so se ti può essere utile questo circuitino..
parlavi di pop nei relay, questo magari te li toglie (in teoria)
questo va fatto per ogni singolo relè
per IC out si intende ogni singolo out del HCT595, c'è il filtro, poi si entra in ogni singolo in del driver per i relè..
Il led messo a quel modo dovrebbe andar bene per indicare lo stato del relè, però avevo letto che in caso di problemi di alimentazione, sarebbe meglio mettere la resistenza che limita la corrente nel led a ridosso di R-, e il led da questa resistenza a massa (non so se si capisce come l'ho detto, altrimenti posto lo schema)
parlavi di pop nei relay, questo magari te li toglie (in teoria)
questo va fatto per ogni singolo relè
per IC out si intende ogni singolo out del HCT595, c'è il filtro, poi si entra in ogni singolo in del driver per i relè..
Il led messo a quel modo dovrebbe andar bene per indicare lo stato del relè, però avevo letto che in caso di problemi di alimentazione, sarebbe meglio mettere la resistenza che limita la corrente nel led a ridosso di R-, e il led da questa resistenza a massa (non so se si capisce come l'ho detto, altrimenti posto lo schema)
Re:MIDI Switcher - Progetto
OTTIMO !!davidefender ha scritto: mi pare un buon lavoro..
![]()
Un esperto è un uomo che ha fatto tutti gli errori che si possono fare in un campo molto ristretto - Niels Bohr
- davidefender
- Garzone di Roger Mayer

- Messaggi: 1437
- Iscritto il: 11/02/2008, 23:51
- Località: Roma
- Contatta:
Re:MIDI Switcher - Progetto
grande dimitree! Ti assicuro che di questo tipo di aiuto ne ho bisogno parecchio!
praticamente il circuitino da te postato usa un filtro passabasso per evitare una violenta variazione del potenziale.. interessante, in realtà non pensavo di metterla fra il 595 e l'ULN, però in effetti facendomi due conti non avrei altra scelta.. ho però un paio di dubbi:
- l'ULN fornisce già una resistenza interna (come mostrato da 2k7) proprio per adattarsi a meglio alle uscite CMOS di un PIC, ora mi chiedo ma quella resistenza di filtro non potrebbe dare qualche problema?
- Se usassi solamente un condensatore invece che la res che succederebbe? cioè, come si calcola la frequenza di taglio corrispondente?
Cmq, sarei tentato di lasciare le cose così com'è, e non perchè non credo che il circuito funzioni, ma perchè sono un pò preoccupato all'idea di riprogettare lo sbroglio inserendo 14 res e 14 condensatori proprio in quelle posizioni.. ad occhio e croce non saprei più dove far passare le piste
ma visto che infondo, la teoria è una bella cosa, ma la pratica toglie ogni dubbio, ho ordinato da banzai i relay Omron da 5 volt (ottimi per questi scopi) così posso fare delle prove al volo sia con la soluzione da te postata che con l'idea del mute dell'output... a orecchio non si comanda!
Piccolo inciso, chiedo a qualcuno più ferrato di me di controllare se quanto ho capito sul pop dei relé equivale al vero, o se ho commesso qualche errore
il pop che si sente nell'ampli dovuto alla commutazione di un effetto da off a on è dovuto principalmente da queste tre concause:
1 - pop meccanico prodotto dal "rimbalzamento" dei contatti metallici dello switch
2 - alta corrente che attraversa lo switch ad esempio dovuto all'accensione del LED
3 - queste due componenti anche se minime possono essere amplificate da circuiti ad alto gain, come ad esempio un distorsore a manetta..
ora...
1 - questo problema dovrebbe essere attenuato dalla qualità del relé che , a detta del datasheet, dovrebbero avere "low switching noise"
2 - questa componente è eliminata dal circuito stesso del relé che divide la parte di switching del segnale da quella di "illuminazione"
3 - qui ci si può fare pochino, res du pull-down sull'effetto possono aiutare (le classiche da 1M) ma comunque non competono il mio progetto
è giusto? ho dimenticato o omesso qualcosa?
grazie a tutti ragazzi! a prestissimo!

La teoria è quando si sa tutto ma non funziona niente. La pratica è quando funziona tutto ma non si sa il perché. In ogni caso si finisce sempre con il coniugare la teoria con la pratica: non funziona niente e non si sa il perché.
(Albert Einstein)
(Albert Einstein)
Re:MIDI Switcher - Progetto
ed ecco lo schema di cui parlavo..
in questo il led è messo in modo diverso
il led si accende quando il relè non riceve impulso e l'effetto è attivo nella catena.
non so se ho capito bene, però questo è il messaggio originale di quello che ha disegnato questo schema:
"For me, the relais needs to be powered to bypass the FX so that the FX is enabled "in rest". When something happens and the unit is not powered anymore, the FX will be enabled in the FX chain and can stilll be manually switched on/off. I rewired the LED indicator so that the LED will be ON when the relais is not powered and the FX is NOT bypassed (thus is enabled in the FX chain). To me, this indicator makes more sense."
grazie Flo!
in questo il led è messo in modo diverso
il led si accende quando il relè non riceve impulso e l'effetto è attivo nella catena.
non so se ho capito bene, però questo è il messaggio originale di quello che ha disegnato questo schema:
"For me, the relais needs to be powered to bypass the FX so that the FX is enabled "in rest". When something happens and the unit is not powered anymore, the FX will be enabled in the FX chain and can stilll be manually switched on/off. I rewired the LED indicator so that the LED will be ON when the relais is not powered and the FX is NOT bypassed (thus is enabled in the FX chain). To me, this indicator makes more sense."
grazie Flo!
Re:MIDI Switcher - Progetto
e poi volevo mostrarti questo:
http://www.ucapps.de/mbhp_aout.html
non so bene se è quello che volevi tu, cioè "generare" voltaggi via MIDI per controllare gli effetti, però da quello che ho letto pare di si..
http://www.ucapps.de/mbhp_aout.html
non so bene se è quello che volevi tu, cioè "generare" voltaggi via MIDI per controllare gli effetti, però da quello che ho letto pare di si..
Re:MIDI Switcher - Progetto
Io sapevo anche che diipendeva da diversi livelli di tensione continua tra i contatti che si stanno communtando...e questo è il pop più violento da quel che che ne so..davidefender ha scritto: il pop che si sente nell'ampli dovuto alla commutazione di un effetto da off a on è dovuto principalmente da queste tre concause:
1 - pop meccanico prodotto dal "rimbalzamento" dei contatti metallici dello switch
2 - alta corrente che attraversa lo switch ad esempio dovuto all'accensione del LED
3 - queste due componenti anche se minime possono essere amplificate da circuiti ad alto gain, come ad esempio un distorsore a manetta..
ora...
1 - questo problema dovrebbe essere attenuato dalla qualità del relé che , a detta del datasheet, dovrebbero avere "low switching noise"
2 - questa componente è eliminata dal circuito stesso del relé che divide la parte di switching del segnale da quella di "illuminazione"
3 - qui ci si può fare pochino, res du pull-down sull'effetto possono aiutare (le classiche da 1M) ma comunque non competono il mio progetto
è giusto? ho dimenticato o omesso qualcosa?
grazie a tutti ragazzi! a prestissimo!
per le altre varie cause
1) rimbalzi dei contatti (mettere condensatore in parallelo alla bobina in modo che il relè commuti meno violentemente) (low switching noise penso sia più che altro basso rumore elettromagnetico non rumore come pop sul rimbalzo)
3) ci sono circuiti di muting (c'è un bel thread in questo forum... http://www.diyitalia.eu/index.php?optio ... &Itemid=66 ) solitamente un bel jfet che porta il segnale da "switchare" per una frazione brevissima di tempo a massa)...
lo devi pilotare con un impulso sul gate... quello del mesa indicato nel thread sembra funzionare a dovere (ho simulato il circuito) e avendo tu un bel pic..non hai grossi problemi a genereare un impulso durante la commutazione per silenziare il tutto...
Krusty
Ultima modifica di krusty il 24/03/2009, 23:27, modificato 1 volta in totale.
- davidefender
- Garzone di Roger Mayer

- Messaggi: 1437
- Iscritto il: 11/02/2008, 23:51
- Località: Roma
- Contatta:
Re:MIDI Switcher - Progetto
ciao!
bene, mi comincia a piacere questo topic è giusto la piega che vorrei che prendesse! :lol1:
allora cominciamo: per il calcolo del filtro conosco la formula, solo che mi chiedevo cosa succedesse NON mettendo nessuna resistenza, il valore teorico è infinito, ma credo non abbia troppo senso anche perchè ho visto molte applicazioni che usano un condensatore messo fra un segnale e massa, senza resistenze di serie e quindi mi chiedevo il funzionamento
poi il sistema a MAX525 (DAC quadruplo) non l'avveo visto prima, io indipendentemente avevo fatto una prima prova con i DAC08 (ricordi? :twi:) solo che visto che: disponevo di uscite pwm ho pensate di sviluppare un sistema che le sfruttasse, insomma maggiore semplicità! cmq il sistema che mi hai mostrato ha un vantaggio: è a 12 bit (io con il pwm arrivo massimo a 8) ma c'è un dettaglio che lo rende superfluo: i pedali di espressione midi sono a 7 bit! Credo che quel progetto fosse riservato ad applicazioni più delicate nel quale si sfruttano messaggi midi per regolazioni più fini...
Per il discorso del LED, se non ho capito male, il discorso era più improntato sullo stato del relé ad effetto bypassato: eccitato o no? e quindi il led viene messo di conseguenza per essere coerente..
cmq grazie per gli schemi, mi serviranno a breve quando testerò la parte ULN2803 e relé come avevo già detto..
a presto! grazie per il supporto! :ciao:
bene, mi comincia a piacere questo topic è giusto la piega che vorrei che prendesse! :lol1:
allora cominciamo: per il calcolo del filtro conosco la formula, solo che mi chiedevo cosa succedesse NON mettendo nessuna resistenza, il valore teorico è infinito, ma credo non abbia troppo senso anche perchè ho visto molte applicazioni che usano un condensatore messo fra un segnale e massa, senza resistenze di serie e quindi mi chiedevo il funzionamento
poi il sistema a MAX525 (DAC quadruplo) non l'avveo visto prima, io indipendentemente avevo fatto una prima prova con i DAC08 (ricordi? :twi:) solo che visto che: disponevo di uscite pwm ho pensate di sviluppare un sistema che le sfruttasse, insomma maggiore semplicità! cmq il sistema che mi hai mostrato ha un vantaggio: è a 12 bit (io con il pwm arrivo massimo a 8) ma c'è un dettaglio che lo rende superfluo: i pedali di espressione midi sono a 7 bit! Credo che quel progetto fosse riservato ad applicazioni più delicate nel quale si sfruttano messaggi midi per regolazioni più fini...
Per il discorso del LED, se non ho capito male, il discorso era più improntato sullo stato del relé ad effetto bypassato: eccitato o no? e quindi il led viene messo di conseguenza per essere coerente..
cmq grazie per gli schemi, mi serviranno a breve quando testerò la parte ULN2803 e relé come avevo già detto..
a presto! grazie per il supporto! :ciao:
La teoria è quando si sa tutto ma non funziona niente. La pratica è quando funziona tutto ma non si sa il perché. In ogni caso si finisce sempre con il coniugare la teoria con la pratica: non funziona niente e non si sa il perché.
(Albert Einstein)
(Albert Einstein)
- davidefender
- Garzone di Roger Mayer

- Messaggi: 1437
- Iscritto il: 11/02/2008, 23:51
- Località: Roma
- Contatta:
Re:MIDI Switcher - Progetto
allora l'idea è buona,cmq penso che userò un piedino di out dedicato per il mute, cosi da controllarlo meglio vi farò sapere hop nuove, con sample e prove visive!davidefender ha scritto: Qualche altro appunto: stavo pensando ad un modo per risolvere il pop di commutazione di tutti i relé, vi riporto un spezzone di pseudo codice per mandare i dati seriali (la procedura appena illustrata)
latchPin = 0
(invio seriale dei dati tramite dataPin)
latchPin = 1
delay -> serve a far si che il segnale non sia troppo breve e non venga letto dal registro
latchPin = 0
stavo quindi pensando.. potrei attaccare al latchPin un a fotoaccoppiatore messo fra out generale dell'audio e massa.. cosa succede? il Pin viene messo a 1 quindi 5 Volt il fotoresistore assume una bassa resistenza e praticamente muto l'output, Pin = 0 ovvero GND il fotoaccoppiatore si spegne e va in alta impedenza, riabilito l'uscita
così facendo durante la commutazione avrei un istante (parliamo di microsecondi sia chiaro!) di silenzio invece che un mega POP, che ve ne pare? il tutto poi sarebbe facilmente disattivabile prevedendo in interruttorino che leva permanentemente la tensione al fotoaccoppiatore.. vi sembra una bella idea? commenti?
grande ragazzi!
La teoria è quando si sa tutto ma non funziona niente. La pratica è quando funziona tutto ma non si sa il perché. In ogni caso si finisce sempre con il coniugare la teoria con la pratica: non funziona niente e non si sa il perché.
(Albert Einstein)
(Albert Einstein)
- davidefender
- Garzone di Roger Mayer

- Messaggi: 1437
- Iscritto il: 11/02/2008, 23:51
- Località: Roma
- Contatta:
Re:MIDI Switcher - Progetto
@krusty: potresti ripostarmi il link perchè mi reindirizza alla pagina principale del forum.. Poi per il discorso del condensatore in PARALLELO alla bobina, immagino debba essere non polarizzato, e da quanto?
Edit: tranquillo, l'ho ritrovato con la funziona cerca, cmq stavo dando un'occhiata ai vari modi per fare switching di segnali.. il più semplice e sembra anche il più efficace è usare un MOSFET fra out e massa pilotando il gate con un pin dell'arduino.. che transistor mi consigliate per questo scopo? avevo visto girando per la rete i BS270 che servono per pilotare basse tensioni e bassa potenza, oppure il BS107.. ma avete qualche sigla per transistor più specifici per switching di segnali? magari non troppo esotica, ma che si possa trovare facilmente dall'elettronico ..


Edit: tranquillo, l'ho ritrovato con la funziona cerca, cmq stavo dando un'occhiata ai vari modi per fare switching di segnali.. il più semplice e sembra anche il più efficace è usare un MOSFET fra out e massa pilotando il gate con un pin dell'arduino.. che transistor mi consigliate per questo scopo? avevo visto girando per la rete i BS270 che servono per pilotare basse tensioni e bassa potenza, oppure il BS107.. ma avete qualche sigla per transistor più specifici per switching di segnali? magari non troppo esotica, ma che si possa trovare facilmente dall'elettronico ..
Ultima modifica di davidefender il 25/03/2009, 2:00, modificato 1 volta in totale.
La teoria è quando si sa tutto ma non funziona niente. La pratica è quando funziona tutto ma non si sa il perché. In ogni caso si finisce sempre con il coniugare la teoria con la pratica: non funziona niente e non si sa il perché.
(Albert Einstein)
(Albert Einstein)
Re:MIDI Switcher - Progetto
ecco il link...dovrebbe andare questa volta..
http://www.diyitalia.eu/forum/index.php ... 770.0.html (fai copia ed incolla)
Per quanto riguarda il condensatore non ti so dire che valori...devi fare delle prove...cmq poca roba...10nF o simile...
http://www.diyitalia.eu/forum/index.php ... 770.0.html (fai copia ed incolla)
Per quanto riguarda il condensatore non ti so dire che valori...devi fare delle prove...cmq poca roba...10nF o simile...
Ultima modifica di krusty il 25/03/2009, 1:54, modificato 1 volta in totale.
- davidefender
- Garzone di Roger Mayer

- Messaggi: 1437
- Iscritto il: 11/02/2008, 23:51
- Località: Roma
- Contatta:
Re:MIDI Switcher - Progetto
salve a tutti!
scusate se salto un pò di palo in frasca, ma visto che per il momento aspetto banzai per mandarmi i relé per i test vari, mi stavo concentrando sulla parte di input e volevo chiedervi qualche parere un pò più "meccanico"
Facendomi due conti l'alloggiamento del giocattolino dovrebbe essere un rack 19" due unità per starci comodo e soprattuto trovare spazio per la miriade di pulsanti frontali... e proprio di questo volevo parlare: ne ho visti in tutte le salse, a membrana, tattili, rotondi quadrati...
Ora visto che non so ora come farò per il rack, se lo compro, se me lo faccio fare (tutto sta nel trovare da chi..) ma in entrambi i casi mi chiedevo, i fori sulla parte frontale è fattibile/semplice farli quadrati? tipo per questi switch:
http://cgi.ebay.com/ws/eBayISAPI.dll?Vi ... 0267715594
perchè se si, allora progetto una PCB di input che si alloggia direttamente dietro al pannello frontale (invece di decine di fili che vanno dal pannello alla PCB di input) mi sono spiegato bene?
chiunque abbia un minimo di esperienza in questo campo mi sarebbe molto utile!

scusate se salto un pò di palo in frasca, ma visto che per il momento aspetto banzai per mandarmi i relé per i test vari, mi stavo concentrando sulla parte di input e volevo chiedervi qualche parere un pò più "meccanico"
Facendomi due conti l'alloggiamento del giocattolino dovrebbe essere un rack 19" due unità per starci comodo e soprattuto trovare spazio per la miriade di pulsanti frontali... e proprio di questo volevo parlare: ne ho visti in tutte le salse, a membrana, tattili, rotondi quadrati...
Ora visto che non so ora come farò per il rack, se lo compro, se me lo faccio fare (tutto sta nel trovare da chi..) ma in entrambi i casi mi chiedevo, i fori sulla parte frontale è fattibile/semplice farli quadrati? tipo per questi switch:
http://cgi.ebay.com/ws/eBayISAPI.dll?Vi ... 0267715594
perchè se si, allora progetto una PCB di input che si alloggia direttamente dietro al pannello frontale (invece di decine di fili che vanno dal pannello alla PCB di input) mi sono spiegato bene?
chiunque abbia un minimo di esperienza in questo campo mi sarebbe molto utile!
La teoria è quando si sa tutto ma non funziona niente. La pratica è quando funziona tutto ma non si sa il perché. In ogni caso si finisce sempre con il coniugare la teoria con la pratica: non funziona niente e non si sa il perché.
(Albert Einstein)
(Albert Einstein)
- Nutshell
- Garzone di Roger Mayer

- Messaggi: 1062
- Iscritto il: 16/05/2006, 14:34
- Località: Bologna
- Contatta:
Re:MIDI Switcher - Progetto
A farlo a mano non è proprio il massimo.. Dovresti farti punzonare il pannello frontale del rack, se si può smontare. Altrimenti vai di switch rotondi.
Scusate, non ho una firma..
www.nutshellelectronics.it
www.nutshellelectronics.it
- davidefender
- Garzone di Roger Mayer

- Messaggi: 1437
- Iscritto il: 11/02/2008, 23:51
- Località: Roma
- Contatta:
Re:MIDI Switcher - Progetto
il pannello frontale è svitabile in praticamente tutti gli chassis rack che ho visto, solo che non saprei da chi farlo lavorare.. c'è qualcuno del forum che fa questi lavori? una volta avevo contattato aledjack, ma chissà se sarebbe disposto ad un lavoro tipo questo..?
La teoria è quando si sa tutto ma non funziona niente. La pratica è quando funziona tutto ma non si sa il perché. In ogni caso si finisce sempre con il coniugare la teoria con la pratica: non funziona niente e non si sa il perché.
(Albert Einstein)
(Albert Einstein)
Re:MIDI Switcher - Progetto
Davide, potrei disturbarti con qualche domanda?
forse mi è sfuggito e l'avrai già scritto, ma, volevo sapere, come verranno controllati i loop? tramite Control Change o tramite Program Change?
penso che farei con Control Change, visto che con Program Change mi sa non ti bastano i bit per controllare 12 loop più le altre cose che hai inserito..
forse mi è sfuggito e l'avrai già scritto, ma, volevo sapere, come verranno controllati i loop? tramite Control Change o tramite Program Change?
penso che farei con Control Change, visto che con Program Change mi sa non ti bastano i bit per controllare 12 loop più le altre cose che hai inserito..
