Autobias digitale per ampli valvolari
Autobias digitale per ampli valvolari
Ciao,
Cercando altro, per serendipitá ho trovato questa tesi che credo possa interessare molti, e potrebbe essere una base per sviluppare un qualcosa su diyitalia.
Cosa ne pensate? Come lo migliorereste?
http://scholar.uwindsor.ca/cgi/viewcont ... ontext=etd
Cercando altro, per serendipitá ho trovato questa tesi che credo possa interessare molti, e potrebbe essere una base per sviluppare un qualcosa su diyitalia.
Cosa ne pensate? Come lo migliorereste?
http://scholar.uwindsor.ca/cgi/viewcont ... ontext=etd
- mastrococco
- Garzone di Roger Mayer

- Messaggi: 1361
- Iscritto il: 16/01/2012, 14:13
- Località: Cesena
Re: Autobias digitale per ampli valvolari
Grazie per il link, penso sia un argomento interessante...spero di riuscire a capirci qualcosa, ma ci provo! 
Re: Autobias digitale per ampli valvolari
In pratica all'avvio dell'ampli il processore legge la tensione sulla resistenza da 1 ohm sui catodi dei finali, lo amplifica per avere una lettura 0-5V, ed in base alla lettura aziona dei relè che bypassano delle resistenze sul circuito del bias.
Vedo due limiti che non mi piacciono: l'amplificazione del segnale sul catodo (che ha bisogno di un relè) e l'attuazione tramite relè, quindi in forma digitale a scalini e costosa ed ingombrante e blabla.
Avrei pensato ad un trasformatore di corrente per la lettura della corrente di bias, ed un mosfet per l'attuazione del comando.
Il trasformatore di corrente permetterebbe anche di simulare condizioni di stress del finale, quali la compressione, anche a volumi bassi. ...ma questa è ancora un'altra applicazione.
Vedo due limiti che non mi piacciono: l'amplificazione del segnale sul catodo (che ha bisogno di un relè) e l'attuazione tramite relè, quindi in forma digitale a scalini e costosa ed ingombrante e blabla.
Avrei pensato ad un trasformatore di corrente per la lettura della corrente di bias, ed un mosfet per l'attuazione del comando.
Il trasformatore di corrente permetterebbe anche di simulare condizioni di stress del finale, quali la compressione, anche a volumi bassi. ...ma questa è ancora un'altra applicazione.
- Kagliostro
- Amministratore

- Messaggi: 9903
- Iscritto il: 03/12/2007, 0:16
- Località: Prov. di Treviso
Re: Autobias digitale per ampli valvolari
Sì, anche io avrei pensato ad un mosfet
Onestamente ho solo dato una scorsa a tutta la documentazione e nel farlo mi son ricordato di aver visto qualcosa di attinente tempo fa
ma non ricordo bene se fosse un sistema auto adattante che avesse a che fare con la possibilità di cambiare tipo di finali ....
mah, proprio non ricordo
K
Onestamente ho solo dato una scorsa a tutta la documentazione e nel farlo mi son ricordato di aver visto qualcosa di attinente tempo fa
ma non ricordo bene se fosse un sistema auto adattante che avesse a che fare con la possibilità di cambiare tipo di finali ....
mah, proprio non ricordo
K
Re: Autobias digitale per ampli valvolari
Va scelto con cura e che in caso dinguasto la tensione di polarizzazione scenda al suo valore minimo possibile.
Re: Autobias digitale per ampli valvolari
Perché un rele sul catodo? Secondo me si può provare a regolare la corrente sempre, anche con segnale, potrebbe essere che cambi il comportamento ad alti volumi.
Re: Autobias digitale per ampli valvolari
Il relé sul catodo è per togliere 1 ohm sui catodi delle finali, che a me non piace.
Come fai a regolare la corrente di bias quando hai segnale?
Come fai a regolare la corrente di bias quando hai segnale?
Re: Autobias digitale per ampli valvolari
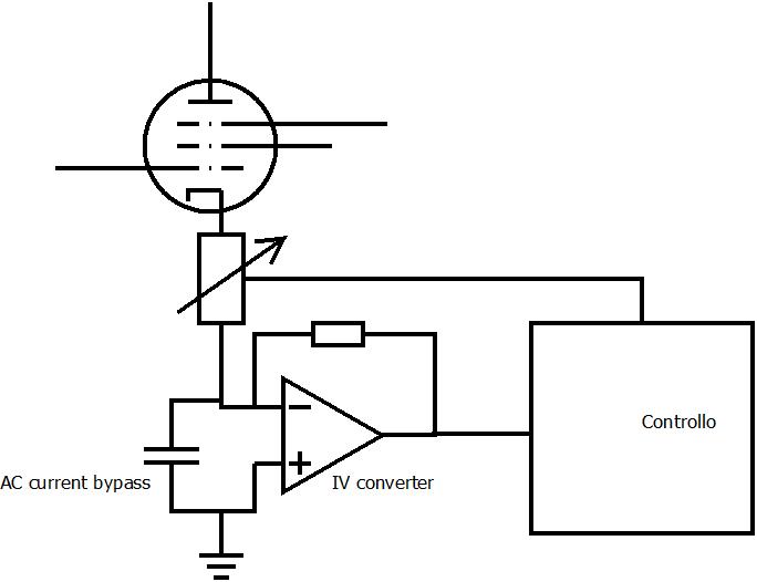
Ciao, convertore Corrente/tensione con opamp, e' questo che intendi con trasformatore di corrente?
Il cap parallelo agli ingress dovrebbe mandare a massa la parte AC (segnale) pero' mi sa che vede una resistenza bassa e quindo non so se si riesce a dimensionare...da ragionarci con mente fresca.
Marco
Il cap parallelo agli ingress dovrebbe mandare a massa la parte AC (segnale) pero' mi sa che vede una resistenza bassa e quindo non so se si riesce a dimensionare...da ragionarci con mente fresca.
Marco
Re: Autobias digitale per ampli valvolari
Ciao, il trasformatore di corrente é un trasformatore di corrente.
http://www.diee.unica.it/misure/Dispens ... e_2014.pdf
http://www.diee.unica.it/misure/Dispens ... e_2014.pdf
Re: Autobias digitale per ampli valvolari
La corrente di bias e' in DC, un trasformatore lavora in AC: mi sono perso qualcosa?
Saluti, Marco
Saluti, Marco
Re: Autobias digitale per ampli valvolari
Non ti sei perso nulla.
In realtà stavo cercando altro quando ho trovato questa tesi (credo di averlo scritto ad inizio thread) ed ho continuato pensando ad altro (cioè bilanciare le finali quando sono a piena potenza regolando i filamenti, quindi quando di corrente alternata ne hai in abbondanza), mentre per questo progetto pensavo di leggere le tensioni sul TA (ovvero la caduta di potenziale causata dalla resistenza del singolo ramo di primario, proporzionale alla corrente che vi circola), ed ho finito per mescolare i due discorsi.
Chiedo venia.
In realtà stavo cercando altro quando ho trovato questa tesi (credo di averlo scritto ad inizio thread) ed ho continuato pensando ad altro (cioè bilanciare le finali quando sono a piena potenza regolando i filamenti, quindi quando di corrente alternata ne hai in abbondanza), mentre per questo progetto pensavo di leggere le tensioni sul TA (ovvero la caduta di potenziale causata dalla resistenza del singolo ramo di primario, proporzionale alla corrente che vi circola), ed ho finito per mescolare i due discorsi.
Chiedo venia.
Re: Autobias digitale per ampli valvolari
Lasci la R da 1 ohm che non da problemi e filtri con un passa basso a bassissima frequenza.robi ha scritto:Il relé sul catodo è per togliere 1 ohm sui catodi delle finali, che a me non piace.
Come fai a regolare la corrente di bias quando hai segnale?
Re: Autobias digitale per ampli valvolari
'N cundensatùr gròs.
Ma cun la curènt quandi che il preamplificatur campa segnale a man'tta?
Cume/cosa t'fai?
Ma cun la curènt quandi che il preamplificatur campa segnale a man'tta?
Cume/cosa t'fai?
Re: Autobias digitale per ampli valvolari
Comunque, il sistema che intendo utilizzare è il seguente, che permette di leggere sia la componente continua che quella alternata: http://www.farnell.com/datasheets/16860 ... 1487408693
Il progetto è la conversione di finale per chitarra low cost in finale hi-fi.
Utilizzerei questo sistema (per mezzo di un arduino) per modificare sia la tensione di polarizzazione, sia la corrente sui filamenti delle finali.
Per quanto concerne la PI, utilizzerei un sistema autobilanciante.
Il progetto è la conversione di finale per chitarra low cost in finale hi-fi.
Utilizzerei questo sistema (per mezzo di un arduino) per modificare sia la tensione di polarizzazione, sia la corrente sui filamenti delle finali.
Per quanto concerne la PI, utilizzerei un sistema autobilanciante.
Re: Autobias digitale per ampli valvolari
Buona parte dei costruttori utilizzano ancora il bias regolabile,fatta eccezione ho visto sui Cicognani modello Brutus se non sbaglio e sul marshall afd 100
E' un argomento interessante
E' un argomento interessante
