delay digitale, diagrammi?
delay digitale, diagrammi?
ciao a tutti
ho da sempre voluto farmi un delay digitale come quelli che usa il mio chitarrista preferito
ho sempre pensato che fosse impossibile farne uno, ma più passa il tempo più imparo nuove cose e vedo che poi non è così impossibile come mi sembrava..
Bene, andando al punto, vorrei dire che non sto parlando di delay digitali tipo Boss dd3 o simili, insomma, piccoli pedali che hanno tutto o quasi digitale, mi riferisco invece ai vecchi delay a rack degli anni 80, insomma quando iniziarono a uscire i primi delay digitali per chitarra-tastiera..
Ho avuto la fortuna di trovare un service manual di un vecchio Korg (il più blasonato) e mi sono accorto che l'80% di questo effetto è analogico, in pratica c'è Preamp - Filtri - Modulazione - circuito di Feedback - Equalizzazione pre e post delay - e altro.. Di digitale c'è soltanto (si fa per dire) il controllo degli switch (non so come mai, ma è fatto tramite tanti multiplexer invece che con i classici switch, di sicuro per risparmiare) e chiaramente il delay vero e proprio..
Quindi diciamo che da fare ci sarebbe soltanto un circuito che dato in ingresso un segnale lo digitalizza, lo ritarda tramite clock e lo restituisce.. Io penso che questo sia un passo avanti verso la semplicità visto che ho sempre pensato che bisognasse implementare tutte le funzioni che restituiscono le ripetizioni, implementare i filtri, e chiaramente la modulazione.. Invece qua si tratta soltanto di ritardare un segnale, a gestirlo ci pensa il circuito analogico..
ora mi chiedo, come si fa una cosa di queste? ho visto nel circuito che ci sono porte logiche, un clock, moltissimi IC (alcuni "random access memory") e chiaramente i convertitori D/A e A/D..
qualcuno di voi saprebbe schematizzarmi un diagramma che faccia queste cose? solo per capire come funziona, non per passare direttamente alla realizzazione.. Secondo voi è necessaria la programmazione (se si non ci sono problemi) oppure no?
ah volevo anche aggiungere che i convertitori sono solo a 12bit..magari la cosa si fa ancora più semplice!
ho da sempre voluto farmi un delay digitale come quelli che usa il mio chitarrista preferito
ho sempre pensato che fosse impossibile farne uno, ma più passa il tempo più imparo nuove cose e vedo che poi non è così impossibile come mi sembrava..
Bene, andando al punto, vorrei dire che non sto parlando di delay digitali tipo Boss dd3 o simili, insomma, piccoli pedali che hanno tutto o quasi digitale, mi riferisco invece ai vecchi delay a rack degli anni 80, insomma quando iniziarono a uscire i primi delay digitali per chitarra-tastiera..
Ho avuto la fortuna di trovare un service manual di un vecchio Korg (il più blasonato) e mi sono accorto che l'80% di questo effetto è analogico, in pratica c'è Preamp - Filtri - Modulazione - circuito di Feedback - Equalizzazione pre e post delay - e altro.. Di digitale c'è soltanto (si fa per dire) il controllo degli switch (non so come mai, ma è fatto tramite tanti multiplexer invece che con i classici switch, di sicuro per risparmiare) e chiaramente il delay vero e proprio..
Quindi diciamo che da fare ci sarebbe soltanto un circuito che dato in ingresso un segnale lo digitalizza, lo ritarda tramite clock e lo restituisce.. Io penso che questo sia un passo avanti verso la semplicità visto che ho sempre pensato che bisognasse implementare tutte le funzioni che restituiscono le ripetizioni, implementare i filtri, e chiaramente la modulazione.. Invece qua si tratta soltanto di ritardare un segnale, a gestirlo ci pensa il circuito analogico..
ora mi chiedo, come si fa una cosa di queste? ho visto nel circuito che ci sono porte logiche, un clock, moltissimi IC (alcuni "random access memory") e chiaramente i convertitori D/A e A/D..
qualcuno di voi saprebbe schematizzarmi un diagramma che faccia queste cose? solo per capire come funziona, non per passare direttamente alla realizzazione.. Secondo voi è necessaria la programmazione (se si non ci sono problemi) oppure no?
ah volevo anche aggiungere che i convertitori sono solo a 12bit..magari la cosa si fa ancora più semplice!
- davidefender
- Garzone di Roger Mayer

- Messaggi: 1437
- Iscritto il: 11/02/2008, 23:51
- Località: Roma
- Contatta:
Re:delay digitale, diagrammi?
Ciao Dimitree!
Allora, direi INTERESSANTISSIMA domanda la tua!
da quando ho aperto questa sessione mi ronza in testa proprio l'idea di un delay; diciamo che ti posso dare una mano nel senso che ti rendo partecipe dei miei ragionamenti e intuizioni (come al solito, è probabile che abbia scoperto l'acqua calda!!
).
Io come te ho pensato in realtà ad un delay analogico, dove la parte digitale è semplicemente quel meccanismo che ritarda di tot secondi l'ingresso; questa soluzione come hai notato ha numerosi vantaggi:
- Il programma del PIC è molto più semplice
- Ha i vantaggi di "suonare" quasi come un analogico
dico quasi in realtà perchè ho pensato (mio modestissimo parere) che vai incontro a questi potenziali problemi:
- Il processo di A/D e D/A inserisce un disturbo, avendo un feedback analogico, il segnale rientrante potrebbe presentare questo disturbo che viene di nuovo ridigitalizzato e riconvertito e così in avanti, creando un'amplificazione del rumore di conversione.. ora l'approssimazione di questo ragionamento è che non so se sia davvero apprezzabile questo rumore oppure no..
- Ha anche gli svantaggi di un delay analogico: il feedback può provocare oscillazioni, è più sporco..
In realtà non c'è niente di male, visto che in fondo nel digitale ci passi.. rimanerci pure!
anzi, ne puoi solo guadagnare in una MATEMATICA assenza di rumore aggiunto e un'espandibilità limitata solo dalla tua fantasia (e preparazione in C
), penso ad esempio al reverse delay, al warp.. ecc..ecc...
Questa soluzione però ovviamente implica una certa complessità dell'algoritmo che deve occuparsi anche di più cose.. Vediamo per ora i miei pensieri e idee sulla prima soluzione (che sicuramente è decisamente degna di nota!): ammesso di avere a disposizione un A/D e D/A correttamente connesso adl PIC a questo punto la situazione è la seguente:
Per ben 44100 volte al secondo un clock esterno interromperà il processore (interrupt) comunicandogli che è ora: è pronto un nuovo dato! Per fortuna il nostro processore è di qualche ordine di grandezza più veloce e quidni se la può prendere con comodo fra un interrupt e il successivo.
All'istante t=0 (ho acceso il mio apparecchio) il PIC pescherà un dato lo scriverà in una memoria gestita tipo CODA (FIFO), ovviamente NON in posizione 0, ma i-esima (dove spiegherò che intendo con i-esima), contemporaneamente invierà all'uscita il dato affiorante nella coda (il primo in coda) che all'inizio sarà proprio uno 0.
Cosa significa i-esima: lo spazio fra 0 e i dipende dal tempo del delay, ogni 1/44100 secondi viene letta (e registrata) una locazione di memoria, ciò vuol dire che se volessimo un ritardo di ad esempio 5 secondi, vuol dire che dovremmo spostarci di 5/(1/44100) = 220500 locazioni di memoria, dopo aver letto 220500 volte un dato, si arriverà finalmente a quello che fu il primo, ben 5 secondi dopo
mi sono spiegato?
Quanta memoria serve? allora, abbiamo deciso ad esempio che vogliamo 5 secondi massimo di delay, dunque abbiamo bisogno di una RAM capace di gestire almeno 220500 valori digitali rappresentanti l'input/output.. se ad esempio stiamo campionando a 16 bit, significa che ci serviranno minimo:
220500*16 = 3528000 bit -> 441000 byte -> 431 Kbyte
Se il nostro effetto sarà sterio, allora i byte saranno il doppio 862Kbyte, per gestire due code indipendenti.
Se ci sono errori di valutazione o di calcolo, sono be accetti commenti e correzioni!
Spero di esserti stato utile, non esitare a chiedere se hai altri dubbi!

Allora, direi INTERESSANTISSIMA domanda la tua!
da quando ho aperto questa sessione mi ronza in testa proprio l'idea di un delay; diciamo che ti posso dare una mano nel senso che ti rendo partecipe dei miei ragionamenti e intuizioni (come al solito, è probabile che abbia scoperto l'acqua calda!! Io come te ho pensato in realtà ad un delay analogico, dove la parte digitale è semplicemente quel meccanismo che ritarda di tot secondi l'ingresso; questa soluzione come hai notato ha numerosi vantaggi:
- Il programma del PIC è molto più semplice
- Ha i vantaggi di "suonare" quasi come un analogico
dico quasi in realtà perchè ho pensato (mio modestissimo parere) che vai incontro a questi potenziali problemi:
- Il processo di A/D e D/A inserisce un disturbo, avendo un feedback analogico, il segnale rientrante potrebbe presentare questo disturbo che viene di nuovo ridigitalizzato e riconvertito e così in avanti, creando un'amplificazione del rumore di conversione.. ora l'approssimazione di questo ragionamento è che non so se sia davvero apprezzabile questo rumore oppure no..
- Ha anche gli svantaggi di un delay analogico: il feedback può provocare oscillazioni, è più sporco..
In realtà non c'è niente di male, visto che in fondo nel digitale ci passi.. rimanerci pure!
Questa soluzione però ovviamente implica una certa complessità dell'algoritmo che deve occuparsi anche di più cose.. Vediamo per ora i miei pensieri e idee sulla prima soluzione (che sicuramente è decisamente degna di nota!): ammesso di avere a disposizione un A/D e D/A correttamente connesso adl PIC a questo punto la situazione è la seguente:
Per ben 44100 volte al secondo un clock esterno interromperà il processore (interrupt) comunicandogli che è ora: è pronto un nuovo dato! Per fortuna il nostro processore è di qualche ordine di grandezza più veloce e quidni se la può prendere con comodo fra un interrupt e il successivo.
All'istante t=0 (ho acceso il mio apparecchio) il PIC pescherà un dato lo scriverà in una memoria gestita tipo CODA (FIFO), ovviamente NON in posizione 0, ma i-esima (dove spiegherò che intendo con i-esima), contemporaneamente invierà all'uscita il dato affiorante nella coda (il primo in coda) che all'inizio sarà proprio uno 0.
Cosa significa i-esima: lo spazio fra 0 e i dipende dal tempo del delay, ogni 1/44100 secondi viene letta (e registrata) una locazione di memoria, ciò vuol dire che se volessimo un ritardo di ad esempio 5 secondi, vuol dire che dovremmo spostarci di 5/(1/44100) = 220500 locazioni di memoria, dopo aver letto 220500 volte un dato, si arriverà finalmente a quello che fu il primo, ben 5 secondi dopo
Quanta memoria serve? allora, abbiamo deciso ad esempio che vogliamo 5 secondi massimo di delay, dunque abbiamo bisogno di una RAM capace di gestire almeno 220500 valori digitali rappresentanti l'input/output.. se ad esempio stiamo campionando a 16 bit, significa che ci serviranno minimo:
220500*16 = 3528000 bit -> 441000 byte -> 431 Kbyte
Se il nostro effetto sarà sterio, allora i byte saranno il doppio 862Kbyte, per gestire due code indipendenti.
Se ci sono errori di valutazione o di calcolo, sono be accetti commenti e correzioni!
Spero di esserti stato utile, non esitare a chiedere se hai altri dubbi!
La teoria è quando si sa tutto ma non funziona niente. La pratica è quando funziona tutto ma non si sa il perché. In ogni caso si finisce sempre con il coniugare la teoria con la pratica: non funziona niente e non si sa il perché.
(Albert Einstein)
(Albert Einstein)
Re:delay digitale, diagrammi?
Anche secondo me conviene stare solo sul digitale per quanto riguarda la gestione del segnale una volta campionato, la gestione del segnale in software è molto pulita e permette di fare tantissime cose.
Quello che secondo me bisognerebbe fare in analogico sarebbe un controllo automatico del gain in ingresso in modo da portare il valore medio dei picchi del segnale che andrà campionato a circa metà della massima tensione che il campionatore accetta in ingresso (metà per un campionatore lineare, magari meno per uno logaritmico). Con un sistema cosi e cercando di campionare a 24 bit è come avere sempre un segnale a circa 23 bit però con la ragionevole certezza sia di non clippare in ingresso al campionatore ma soprattutto di non sottoutilizzare il campionatore stesso perdendo in qualità audio.
L'altra cosa secondo me da fare in analogico sarebbe quella di conformare il volume in uscita alla media del segnale di ingresso sempre con uno stadio di amplificazione controllato, in modo che il sistema fatto così riaquisti la sua dinamica e gli dia una parvenza di seguire quello che succede all'ingresso.
Praticamente questo si potrebbe realizzare con due VCA, eventualmente comandati direttamente dal pic o dsp per fare le cose veramente bene
Quello che secondo me bisognerebbe fare in analogico sarebbe un controllo automatico del gain in ingresso in modo da portare il valore medio dei picchi del segnale che andrà campionato a circa metà della massima tensione che il campionatore accetta in ingresso (metà per un campionatore lineare, magari meno per uno logaritmico). Con un sistema cosi e cercando di campionare a 24 bit è come avere sempre un segnale a circa 23 bit però con la ragionevole certezza sia di non clippare in ingresso al campionatore ma soprattutto di non sottoutilizzare il campionatore stesso perdendo in qualità audio.
L'altra cosa secondo me da fare in analogico sarebbe quella di conformare il volume in uscita alla media del segnale di ingresso sempre con uno stadio di amplificazione controllato, in modo che il sistema fatto così riaquisti la sua dinamica e gli dia una parvenza di seguire quello che succede all'ingresso.
Praticamente questo si potrebbe realizzare con due VCA, eventualmente comandati direttamente dal pic o dsp per fare le cose veramente bene
- davidefender
- Garzone di Roger Mayer

- Messaggi: 1437
- Iscritto il: 11/02/2008, 23:51
- Località: Roma
- Contatta:
Re:delay digitale, diagrammi?
però a questo punto si dovrebbe salvare in RAM non soltanto il valore del segnale in bit, ma anche il suo volume reale, altrimenti se si modula l'uscita in base all'ingresso siamo in ritardo di tot secondi quanti sono quelli del delay! giusto?hilkin ha scritto: Praticamente questo si potrebbe realizzare con due VCA, eventualmente comandati direttamente dal pic o dsp per fare le cose veramente bene
Capisco il tuo discorso di sfruttare tutti i bit, ma credi sia davvero così necessario? cioè... io pensavo che si potrebbero usare al massimo due stadi di amplificazione (come hai detto tu) uno in ingresso e uno in uscita ma con uno stesso gain, magari regolabile con un trimmer o pot.. sarebbe molto più facile e non appesantirebbe l'algoritmo del dsp... che ne dici?
stavo anche pensando di abbozzare uno schema a blocchi del funzionamento di un delay, da li si potrebbe partire per stilare una sorta di algoritmo.. che ne dite?
La teoria è quando si sa tutto ma non funziona niente. La pratica è quando funziona tutto ma non si sa il perché. In ogni caso si finisce sempre con il coniugare la teoria con la pratica: non funziona niente e non si sa il perché.
(Albert Einstein)
(Albert Einstein)
Re:delay digitale, diagrammi?
grazie per gli interventi!
ora mi rileggo tutto per bene
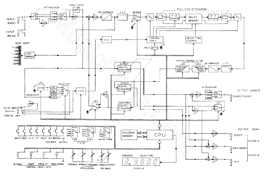
intanto ecco il diagramma di un delay a quel modo (purtroppo la parte digitale non è a sua volta in diagramma)
ora mi rileggo tutto per bene
intanto ecco il diagramma di un delay a quel modo (purtroppo la parte digitale non è a sua volta in diagramma)
Re:delay digitale, diagrammi?
Il mio pensiero era di avere un pedale che si regola da solo in modo da massimizzare la qualità dei campioni in base ai bit disponibili, qui in pratica larchitettura che si va a creare, cosi come ampi pezzi di programmazione sono in comune tra un delay, flanger, riverbero e chorus; con modifiche al software ma con lo stesso hardware si possono poi fare vibrato e phaser.
Prendi un delay, la prima ripetizione sarà dopo un certo tempo X, però devi considerare anche le successive che saranno a 2X, 3X e cosi via, ovviamente con il loro fattore di smorzamento. Ora se il numero di bit utili in campionatura probabilmente fa poco sulla qualità del suono della prima ripetizione, massimizzandone l'utilizzo possiamo avere ricadute benefiche sulle ripetizioni successive (che avranno un picco sempre più basso), e magari aumentare anche il numero totale di ripetizioni che riusciamo a tenere ad una qualità buona. Non so se sono riuscito a spiegarmi perchè oggi ho la mente ingarbugliata.
Per quanto riguarda il salvare il valore di volume non ci avevo pensato ed è una gran buona idea, probabilmente comandando le amplificazioni in ingresso e in uscita direttamente dal micro a livello di programmazione sarebbe utile avere anche quel valore, pero si va a mangiare memoria, forse salvando magari a 8 bit in modo da avere che 24 + 8 bit =32 che è un valore che i micro, ma soprattutto le memorie digeriscono meglio.
Come pesantezza di programmazione secondo me non dovremmo sforare le capacità di un dsp anche piccolo.
Comunque anche la soluzione con i potenziometri è praticabile, ed anzi per fare prove senza appesantire lo schematico può andare bene, mi piaceva l'idea di automatizzare gain e volume in modo che si adattassero anche all'interno delle canzoni stesse.
Prendi un delay, la prima ripetizione sarà dopo un certo tempo X, però devi considerare anche le successive che saranno a 2X, 3X e cosi via, ovviamente con il loro fattore di smorzamento. Ora se il numero di bit utili in campionatura probabilmente fa poco sulla qualità del suono della prima ripetizione, massimizzandone l'utilizzo possiamo avere ricadute benefiche sulle ripetizioni successive (che avranno un picco sempre più basso), e magari aumentare anche il numero totale di ripetizioni che riusciamo a tenere ad una qualità buona. Non so se sono riuscito a spiegarmi perchè oggi ho la mente ingarbugliata.
Per quanto riguarda il salvare il valore di volume non ci avevo pensato ed è una gran buona idea, probabilmente comandando le amplificazioni in ingresso e in uscita direttamente dal micro a livello di programmazione sarebbe utile avere anche quel valore, pero si va a mangiare memoria, forse salvando magari a 8 bit in modo da avere che 24 + 8 bit =32 che è un valore che i micro, ma soprattutto le memorie digeriscono meglio.
Come pesantezza di programmazione secondo me non dovremmo sforare le capacità di un dsp anche piccolo.
Comunque anche la soluzione con i potenziometri è praticabile, ed anzi per fare prove senza appesantire lo schematico può andare bene, mi piaceva l'idea di automatizzare gain e volume in modo che si adattassero anche all'interno delle canzoni stesse.
Re:delay digitale, diagrammi?
Comunque sarei strafelice di sviluppare un delay in vostra compagnia, a luglio ho addirittura 2 settimane di ferie e non vado in giro!
Se qualcuno di voi conosce bene i PIC e le varie famiglie, esiste un qualcosa di utilizzabile per questo scopo? Che so un pic con 500k di ram per esempio e con ADC e DAC integrato?
Se qualcuno di voi conosce bene i PIC e le varie famiglie, esiste un qualcosa di utilizzabile per questo scopo? Che so un pic con 500k di ram per esempio e con ADC e DAC integrato?
Re:delay digitale, diagrammi?
da quello che ho letto pare sia meglio avere dei ADC e DAC esterni, anche perchè mi sa nei PIC trovi al massimo degli ADC e poi dovresti comunque mettere un DAC esterno, a meno che non sono integrati ma molto poco performanti
- davidefender
- Garzone di Roger Mayer

- Messaggi: 1437
- Iscritto il: 11/02/2008, 23:51
- Località: Roma
- Contatta:
Re:delay digitale, diagrammi?
mi associo volentieri alla tua affermazione!hilkin ha scritto: Comunque sarei strafelice di sviluppare un delay in vostra compagnia, a luglio ho addirittura 2 settimane di ferie e non vado in giro!
ne sarei davvero felice! Cmq, tanto per fare due chiacchiere: io credo che la soluzione "all-digital" sia la migliore, proprio per quanto detto anche da hilkin, con l'attenuazione il bit effettivi di campionamento diminuirebbero, ovvero ripetizioni meno hi-fi. Credo che se riuscissimo a razionalizzare l'algoritmo, sarebbe di sicuro di migliore riuscita, per quanto riguarda i componenti:
A livello di potenza di calcolo, non credo che ci serva chissà cosa, le operazioni sono poche, non si tratta di modulare, ma di read e write e al massimo divisioni e somme, nulla di sconcertante, la velocità di qualsiasi PIC è sufficiente a tener testa al segnale audio, i punti critici sono ovviamente i convertitori A/D e D/A, e su questo quoto Dimitree, meglio esterni, dedicati, molto prestanti e facilmente configurabili dal PIC.
Per la memoria, non vorrei sbagliarmi ma esistono RAM esterne che addirittura gestiscono la politica FIFO, controllerò e quindi anche essa può essere un pezzo a sé stante.
Che ne dite?
La teoria è quando si sa tutto ma non funziona niente. La pratica è quando funziona tutto ma non si sa il perché. In ogni caso si finisce sempre con il coniugare la teoria con la pratica: non funziona niente e non si sa il perché.
(Albert Einstein)
(Albert Einstein)
Re:delay digitale, diagrammi?
grazie mille per l'aiuto Davide.. Per quanto riguarda i convertitori, si io li metterei esterni.. Per quanto riguarda il pic, io cercherò di limitarmi a fare il ritardo, il resto lo faccio in analogico proprio per fare un mix tra analogico e digitale (diciamo come se si volesse fare un delay con PT2399, ma con più ritardo e più qualità), non sono interessato alla qualità hifi nè a lunghissimi ritardi..per quello ho il dd20 che mi va più che bene
- davidefender
- Garzone di Roger Mayer

- Messaggi: 1437
- Iscritto il: 11/02/2008, 23:51
- Località: Roma
- Contatta:
Re:delay digitale, diagrammi?
Allora per il solo ritardo l'algoritmo che ti ho suggerito io, e per una chicca la modifica che ti ha suggerito hilkin, cmq in allegato c'è uno schema dell'algoritmo che si dovrebbe implementare, non sembra molto difficili, somme, moltiplicazioni.. 
- Allegati
-
- modello.pdf
- (80.83 KiB) Scaricato 335 volte
La teoria è quando si sa tutto ma non funziona niente. La pratica è quando funziona tutto ma non si sa il perché. In ogni caso si finisce sempre con il coniugare la teoria con la pratica: non funziona niente e non si sa il perché.
(Albert Einstein)
(Albert Einstein)
- davidefender
- Garzone di Roger Mayer

- Messaggi: 1437
- Iscritto il: 11/02/2008, 23:51
- Località: Roma
- Contatta:
Re:delay digitale, diagrammi?
piccola modifica al diagramma, ho aggiunto una modifica fondamentale per il comando "effect level"
che ne dite, vi torna?
che ne dite, vi torna?
- Allegati
-
- modello.pdf
- (81.77 KiB) Scaricato 338 volte
La teoria è quando si sa tutto ma non funziona niente. La pratica è quando funziona tutto ma non si sa il perché. In ogni caso si finisce sempre con il coniugare la teoria con la pratica: non funziona niente e non si sa il perché.
(Albert Einstein)
(Albert Einstein)
Re:delay digitale, diagrammi?
io il filtro passa basso lo metterei dopo K, o meglio, così ho fatto io, in modo da influenzare anche il primo repeat..
- davidefender
- Garzone di Roger Mayer

- Messaggi: 1437
- Iscritto il: 11/02/2008, 23:51
- Località: Roma
- Contatta:
Re:delay digitale, diagrammi?
si! direi che l'idea è giusta! come forse sapete per un filtro passa basso del primo ordine basta una sola locazione di memoria in più, insomma una sciocchezza!
ma perchè vuoi implementare in digitale solo il ritardo?
ma perchè vuoi implementare in digitale solo il ritardo?
La teoria è quando si sa tutto ma non funziona niente. La pratica è quando funziona tutto ma non si sa il perché. In ogni caso si finisce sempre con il coniugare la teoria con la pratica: non funziona niente e non si sa il perché.
(Albert Einstein)
(Albert Einstein)
Re:delay digitale, diagrammi?
Anche io penso che per tutti gli effetti basati sul tempo le operazioni da fare sono veramente poco onerose dal punto di vista computazionale; voi avete esperienza con i pic? perchè questi microcontrollori non li ho mai più usati dopo le superiorii quindi se voi li usate già vorrei sapere:
qualcuno ha il bus I2C implementato in hardware? Certe ram possono funzionare con questo bus seriale e si ridurrebbero di molto gli sprechi di potenza di calcolo per interfacciare la ram esterna oltre ad usare meno collegamenti sui piedini del chip.
la Microchip consiglia qualche adc e dac di sua produzione interfacciabile facilmente con i pic?
Esiste un compilatore per C a basso costo (tendente a 0) ed un simulatore di pic?
Sui pic l'eventuale adc può essere condiviso dinamicamente tra vari ingressi? tipo che con un adc per quanto scarso ma condivisibile possiamo tirare dentro i valori dei potenziometri già convertiti in digitale
Ho un attimo guardato il sito della microchip e ci sono un bel po di modelli, anche non eccessivamente costosi, è difficile sceglierne uno
Intanto su alldatasheet ho trovato un doppio VCA che sembra essere abbastanza vecchio da costare poco, PA381 che stranamente alldatasheet chiama PDA381, mentre ho visto che alla microchip hanno dei VCA controllabili in digitale
qualcuno ha il bus I2C implementato in hardware? Certe ram possono funzionare con questo bus seriale e si ridurrebbero di molto gli sprechi di potenza di calcolo per interfacciare la ram esterna oltre ad usare meno collegamenti sui piedini del chip.
la Microchip consiglia qualche adc e dac di sua produzione interfacciabile facilmente con i pic?
Esiste un compilatore per C a basso costo (tendente a 0) ed un simulatore di pic?
Sui pic l'eventuale adc può essere condiviso dinamicamente tra vari ingressi? tipo che con un adc per quanto scarso ma condivisibile possiamo tirare dentro i valori dei potenziometri già convertiti in digitale
Ho un attimo guardato il sito della microchip e ci sono un bel po di modelli, anche non eccessivamente costosi, è difficile sceglierne uno
Intanto su alldatasheet ho trovato un doppio VCA che sembra essere abbastanza vecchio da costare poco, PA381 che stranamente alldatasheet chiama PDA381, mentre ho visto che alla microchip hanno dei VCA controllabili in digitale
