Re: Sili Face Mod
Re: Sili Face Mod
Sì hai ragione ratman, ho cambiato immagine, csì nn ci sono + probelmi!
Hai visot il pot in ingresso ke ho messo? Secondo è giusto?
Hai visot il pot in ingresso ke ho messo? Secondo è giusto?
Ultima modifica di Anonymous il 19/11/2006, 16:48, modificato 1 volta in totale.
"...Goodbye everybody, I've got to go...Gonna leave you all behind and face the truth...
Mama...I don't want to die, I sometimes wish I'd never been born at all..."
In loving memory of Freddy Mercury
Mama...I don't want to die, I sometimes wish I'd never been born at all..."
In loving memory of Freddy Mercury
Re: Sili Face Mod
1) Non sò se sia sufficiente togliere dalla figura la parte in cui si scrive di non postarla...
metticci un link và... 
2) No.
Il pot ha 3 "gambette": 1,2 e 3.
Al 2 ci metti il segnale in arrivo dalla chitarra e a 1 e 3 ci colleghi i due cond in parallelo come hai già fatto nel disegno.
Per il valore del pot non saprei, sperimenta.
Per i cond io proverei uno da 10 uF e l'altro da 1 uF (o anche meno, tipo 0.47 uF). Provare, provare e ancora provare.
Ricorda il trucco del cond in Q2 se hai troppi acuti o interferenze radio.
Ti consiglio di pensare al controllo toni di cui sopra solo dopo aver trovato un suono di base che ti piace.
Ahug!
2) No.
Il pot ha 3 "gambette": 1,2 e 3.
Al 2 ci metti il segnale in arrivo dalla chitarra e a 1 e 3 ci colleghi i due cond in parallelo come hai già fatto nel disegno.
Per il valore del pot non saprei, sperimenta.
Per i cond io proverei uno da 10 uF e l'altro da 1 uF (o anche meno, tipo 0.47 uF). Provare, provare e ancora provare.
Ricorda il trucco del cond in Q2 se hai troppi acuti o interferenze radio.
Ti consiglio di pensare al controllo toni di cui sopra solo dopo aver trovato un suono di base che ti piace.
Ahug!
FLETTO I MUSCOLI E SONO NEL VUOTO!
DIFFIDATE DALLE IMITAZIONI!!!
DIFFIDATE DALLE IMITAZIONI!!!
Re: Sili Face Mod
grande ratman, non c'ero e mia hai sostituito tu!
ero assente per la fiera del radioamatore, ho speso troppi soldi in valvole
ero assente per la fiera del radioamatore, ho speso troppi soldi in valvole
Re: Sili Face Mod
Ti ho sostituito perchè me lo ha chiesto Ale. 
A Pordenone vero?
Sei praticamente passato davanti casa mia....
volevo andarci pure io ma sono spesso vittima della pantofola.
La prox volta magari ci becchiamo lì.
A Pordenone vero?
Sei praticamente passato davanti casa mia....
La prox volta magari ci becchiamo lì.
FLETTO I MUSCOLI E SONO NEL VUOTO!
DIFFIDATE DALLE IMITAZIONI!!!
DIFFIDATE DALLE IMITAZIONI!!!
Re: Sili Face Mod
di sicuro. Ad aprile è molto meglio!
Re: Sili Face Mod
L'immagine l'ho rieditata completamente, potrei averla presa ovunque sul web...In ogni caso se è necessario la linkerò!ratman ha scritto: 1) Non sò se sia sufficiente togliere dalla figura la parte in cui si scrive di non postarla...metticci un link và...
![]()
Il 2 è qllo centrale sul simbolo dello skema? Devo invertire i collegamenti! Cmq grazie ratman per i tuoi preziosi consigli!ratman ha scritto: 2) No.
Il pot ha 3 "gambette": 1,2 e 3.
Al 2 ci metti il segnale in arrivo dalla chitarra e a 1 e 3 ci colleghi i due cond in parallelo come hai già fatto nel disegno.
Per il valore del pot non saprei, sperimenta.
Per i cond io proverei uno da 10 uF e l'altro da 1 uF (o anche meno, tipo 0.47 uF). Provare, provare e ancora provare.
Ricorda il trucco del cond in Q2 se hai troppi acuti o interferenze radio.
Ti consiglio di pensare al controllo toni di cui sopra solo dopo aver trovato un suono di base che ti piace.
Ahug!
Ultima modifica di Anonymous il 20/11/2006, 20:29, modificato 1 volta in totale.
"...Goodbye everybody, I've got to go...Gonna leave you all behind and face the truth...
Mama...I don't want to die, I sometimes wish I'd never been born at all..."
In loving memory of Freddy Mercury
Mama...I don't want to die, I sometimes wish I'd never been born at all..."
In loving memory of Freddy Mercury
Re: Sili Face Mod
@Trevize: ad aprile allora! 
@Ale:
1) Forse va bene così...
2) Certo che è il centrale! Tra 1 e 3 c'è per forza il 2
Però se non cambi i cond non ha senso!
@Ale:
1) Forse va bene così...
2) Certo che è il centrale! Tra 1 e 3 c'è per forza il 2
Però se non cambi i cond non ha senso!
FLETTO I MUSCOLI E SONO NEL VUOTO!
DIFFIDATE DALLE IMITAZIONI!!!
DIFFIDATE DALLE IMITAZIONI!!!
Re: Sili Face Mod
Ci ho provato con tanta passione, nn insultarmi se ho sbagliato!ratman ha scritto: 2) No.
Il pot ha 3 "gambette": 1,2 e 3.
Al 2 ci metti il segnale in arrivo dalla chitarra e a 1 e 3 ci colleghi i due cond in parallelo come hai già fatto nel disegno.
Ceramici, giusto?ratman ha scritto: Per i cond io proverei uno da 10 uF e l'altro da 1 uF (o anche meno, tipo 0.47 uF). Provare, provare e ancora provare.
Ti riferisci a quello ke ho cerkiato in verde sullo skema? Ho sottolineato, sempre in verde, l'indicazione ke da sotto allo skema, è la stessa cosa ke intendevi tu se nn sbaglio!ratman ha scritto: Ricorda il trucco del cond in Q2 se hai troppi acuti o interferenze radio.
"...Goodbye everybody, I've got to go...Gonna leave you all behind and face the truth...
Mama...I don't want to die, I sometimes wish I'd never been born at all..."
In loving memory of Freddy Mercury
Mama...I don't want to die, I sometimes wish I'd never been born at all..."
In loving memory of Freddy Mercury
Re: Sili Face Mod
Solo che il cond da 10uF esistono solo elettrolitici e quelli da 1uF in mylar o policarbonato.
FLETTO I MUSCOLI E SONO NEL VUOTO!
DIFFIDATE DALLE IMITAZIONI!!!
DIFFIDATE DALLE IMITAZIONI!!!
Re: Sili Face Mod
Quindi se ci metto un elettrolitico nn si creano problemi? Sicuramente dovrò sperimentare! Nel frattempo creo la pcb ke era qllo ke mi interessavav maggiormente, ci monto il circuito originale e trovo la sonorità ke mi piace, cm mi avevi detto tu, poi provo le modifiche!
Cmq sì, nn ci avevo pensato, un 10uF nn può essere ceramico!
ù
Qlli da 1uF li ho presi da Banzai ke me li ha venduti cme ceramici, ma in effetti nn sono fatti come i ceramici! In ogni caso non credo cambi molto.
Grazie ratman!
PS: fammi finire qsto e il bit crusher (ke è "solo" da saldare), poi faccio lo screaming! Ho già fatto il circuitino come l'avevamo modificato, ricordi? Devo comprare i componenti e poi provare a vedere cosa verrà fuori! Il tuo alla fine l'hai rettificato? Ti funziopna bene, senza problemi?
Cmq sì, nn ci avevo pensato, un 10uF nn può essere ceramico!
Qlli da 1uF li ho presi da Banzai ke me li ha venduti cme ceramici, ma in effetti nn sono fatti come i ceramici! In ogni caso non credo cambi molto.
Grazie ratman!
PS: fammi finire qsto e il bit crusher (ke è "solo" da saldare), poi faccio lo screaming! Ho già fatto il circuitino come l'avevamo modificato, ricordi? Devo comprare i componenti e poi provare a vedere cosa verrà fuori! Il tuo alla fine l'hai rettificato? Ti funziopna bene, senza problemi?
"...Goodbye everybody, I've got to go...Gonna leave you all behind and face the truth...
Mama...I don't want to die, I sometimes wish I'd never been born at all..."
In loving memory of Freddy Mercury
Mama...I don't want to die, I sometimes wish I'd never been born at all..."
In loving memory of Freddy Mercury
Re: Sili Face Mod
fon3 Sto facendo l'ordine da banza per inscatolarlo!
E' venuto na ficata!
Il timbro è bello caldo e definito oltre che versatile come fuzz!
Quando decidi di partire riprendi il vecchio post e ti dico come l'ho sistemato.
Intanto ti considlio di procurarti anche 2 2N222 (per Q1 e Q2).
E' venuto na ficata!
Il timbro è bello caldo e definito oltre che versatile come fuzz!
Quando decidi di partire riprendi il vecchio post e ti dico come l'ho sistemato.
Intanto ti considlio di procurarti anche 2 2N222 (per Q1 e Q2).
FLETTO I MUSCOLI E SONO NEL VUOTO!
DIFFIDATE DALLE IMITAZIONI!!!
DIFFIDATE DALLE IMITAZIONI!!!
Re: Sili Face Mod
Ok dai! Sono contento ke sia uscito bene! Spero di raggiungere ankio un buon risultato! fon3
"...Goodbye everybody, I've got to go...Gonna leave you all behind and face the truth...
Mama...I don't want to die, I sometimes wish I'd never been born at all..."
In loving memory of Freddy Mercury
Mama...I don't want to die, I sometimes wish I'd never been born at all..."
In loving memory of Freddy Mercury
Re: Sili Face Mod
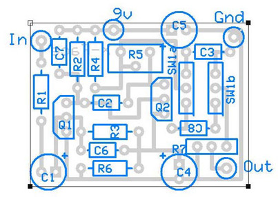
Ho riportato la modifica sulla pcb...Nn sono riusacitop a farla star dentro senza problemi, infatti ho dovuto mette un jumper (qllo in blu). Se riuscite a trovare qlke soluzione migliore ben venga, se posso evitare di mettere il jumper preferisco!
La mod sullo skema è poco sopra, rimetto invece qui il layout xké è nella pagina precedente (il layout NON è MODIFICATO, è quello originale, lo metto solo x riferimento dei componenti, qlli nuovi ke ho aggiunto sono segnati sulla pcb!)
La mod sullo skema è poco sopra, rimetto invece qui il layout xké è nella pagina precedente (il layout NON è MODIFICATO, è quello originale, lo metto solo x riferimento dei componenti, qlli nuovi ke ho aggiunto sono segnati sulla pcb!)
Ultima modifica di Anonymous il 02/12/2006, 19:25, modificato 1 volta in totale.
"...Goodbye everybody, I've got to go...Gonna leave you all behind and face the truth...
Mama...I don't want to die, I sometimes wish I'd never been born at all..."
In loving memory of Freddy Mercury
Mama...I don't want to die, I sometimes wish I'd never been born at all..."
In loving memory of Freddy Mercury
Re: Sili Face Mod
Ehi! Ma nessuno mi aiuta +? 
Ratman anke tu mi hai abbandonato...
Please datemi una mano x concludere qsta modifica!
PS: ho finito il Bit Crusher!!!
Ratman anke tu mi hai abbandonato...
Please datemi una mano x concludere qsta modifica!
PS: ho finito il Bit Crusher!!!
"...Goodbye everybody, I've got to go...Gonna leave you all behind and face the truth...
Mama...I don't want to die, I sometimes wish I'd never been born at all..."
In loving memory of Freddy Mercury
Mama...I don't want to die, I sometimes wish I'd never been born at all..."
In loving memory of Freddy Mercury
Re: Sili Face Mod
Secondo me ti conviene portare il segnale al pot direttamente e poi da li andare con due terminali alla pcb dove piazzerai i due cond.
FLETTO I MUSCOLI E SONO NEL VUOTO!
DIFFIDATE DALLE IMITAZIONI!!!
DIFFIDATE DALLE IMITAZIONI!!!


