Modificare lo H&K tube factor
Modificare lo H&K tube factor
Buondi gente!
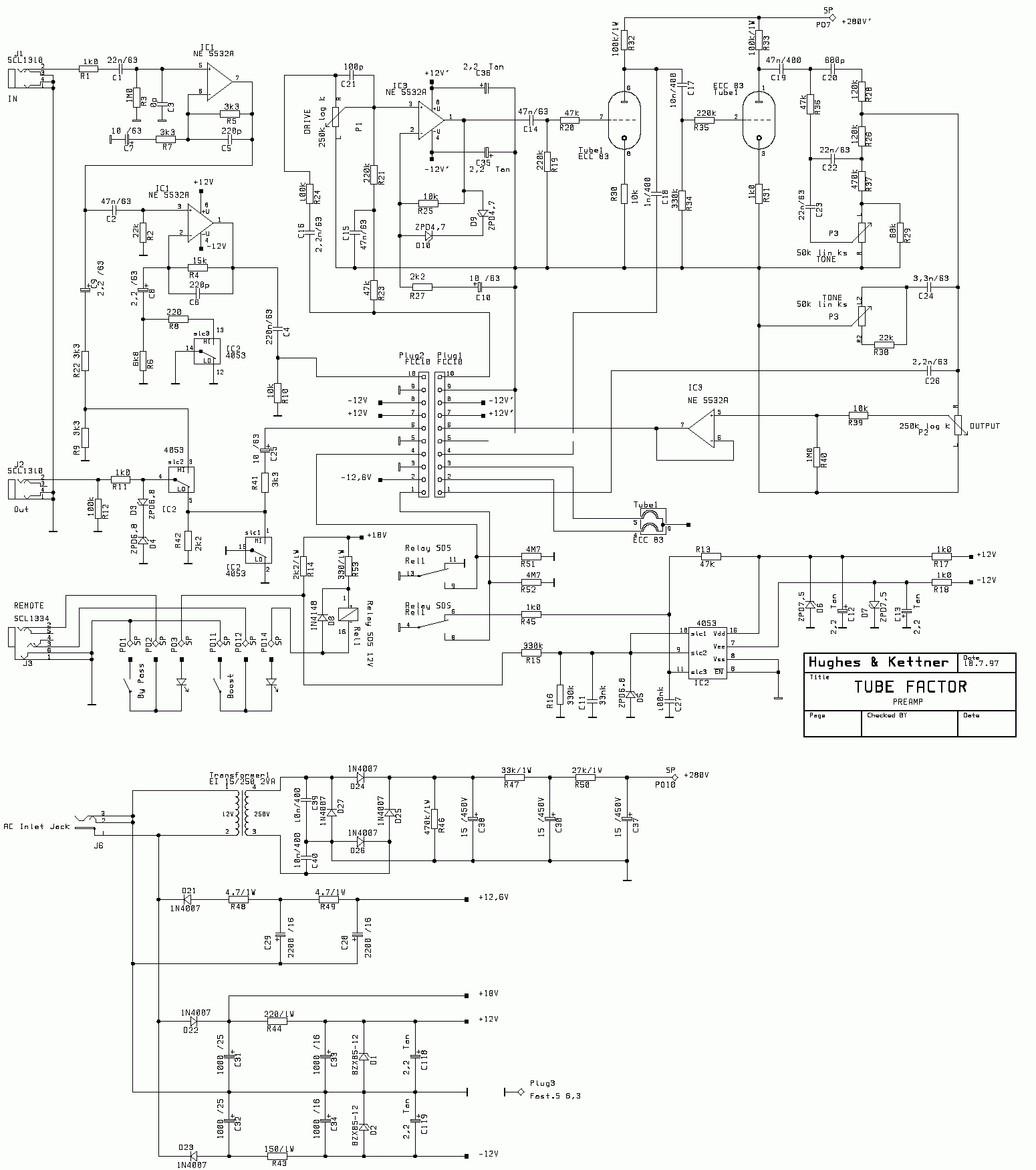
Un mio amico ha il pedale in oggetto,e vorrebbe "pomparlo",cioe' vorrebbe avere piu' gain in generale,cioe' sia sul crunch che sul lead.Osservando lo schema credo bisogna intervenire sui valori di R6/R8.
Noto che altra parte "distorcente",e' il successivo stadio,IC3-a,prima della valvola,su cui pero' non sono sicuro cosa "modificare".
Cosa mi dite?su cosa devo agire,inoltre,se volessi enfatizzare un po' le basse o le alte?
grassssie!!!
Un mio amico ha il pedale in oggetto,e vorrebbe "pomparlo",cioe' vorrebbe avere piu' gain in generale,cioe' sia sul crunch che sul lead.Osservando lo schema credo bisogna intervenire sui valori di R6/R8.
Noto che altra parte "distorcente",e' il successivo stadio,IC3-a,prima della valvola,su cui pero' non sono sicuro cosa "modificare".
Cosa mi dite?su cosa devo agire,inoltre,se volessi enfatizzare un po' le basse o le alte?
grassssie!!!
Re: Modificare lo H&K tube factor
Io agirei più su R5, è da 3.3k ed il guadagno dello stadio è 1, aumentando questa resistenzaaumenti in gain per tutti e due i canali, la formula del guadagno di quello stadio è A=(1+R5/R7).
Devi però stare attento perchè potresti mandare la valvola in "blocking distortion" che è una orribile distorsione preceduta da un tempo in cui non c'è segnale.
Nel caso tu abbia questa blocking distortion devi aumentare le resistenze sulle griglie delle valvole R20 e R35.
Dato che questo pedale ha le valvole alimentate a 280V puoi anche bypassare la resistenza di catodo della seconda valvola R31 con un elettrolitico da 1uF-4.7uF... la distorsione dovrebbe migliorare parecchio ma potrebbe anche fiskiare tutto ed allora dovrai aggiungere dei condensatori in parallelo alla resistenza anodica da 220pF-1nF....
Facci sapere che poi magari la pubblichiamo.......
Devi però stare attento perchè potresti mandare la valvola in "blocking distortion" che è una orribile distorsione preceduta da un tempo in cui non c'è segnale.
Nel caso tu abbia questa blocking distortion devi aumentare le resistenze sulle griglie delle valvole R20 e R35.
Dato che questo pedale ha le valvole alimentate a 280V puoi anche bypassare la resistenza di catodo della seconda valvola R31 con un elettrolitico da 1uF-4.7uF... la distorsione dovrebbe migliorare parecchio ma potrebbe anche fiskiare tutto ed allora dovrai aggiungere dei condensatori in parallelo alla resistenza anodica da 220pF-1nF....
Facci sapere che poi magari la pubblichiamo.......
MEMENTO trimmer Humdinger :lol1:
Re: Modificare lo H&K tube factor
Luix,intanto grazie mille,ovviamente quando effettuero' la modifica ve ne daro' conto e faro' dei sample.
Visto che ci sono mi dici gentilmente quale sarebbe la resistenza anodica su cui dovrei eventualmente mettere in parallelo il condensatore?

Visto che ci sono mi dici gentilmente quale sarebbe la resistenza anodica su cui dovrei eventualmente mettere in parallelo il condensatore?
Re: Modificare lo H&K tube factor
occhio luix che R5 non puo' essere cambiata,se osservi bene il primo stadio ha guadagno unitario perche' quando il pedale e' bypassato,il segnale passa sempre per li'...
Forse e' meglio aumentare R4?
Forse e' meglio aumentare R4?
Ultima modifica di Massimo il 12/05/2006, 10:39, modificato 1 volta in totale.
Re: Modificare lo H&K tube factor
Si infatti hai ragione, allora ti conviene aumentare R4 o al limite R25.
Spero però che tu sappia cosa è l'anodo di una valvola altrimenti ti invito a documentarti
, cmq la resistenza è R33...
Se fai dei campioni potresti farli sia prima che dopo la mod?
THX
Spero però che tu sappia cosa è l'anodo di una valvola altrimenti ti invito a documentarti
Se fai dei campioni potresti farli sia prima che dopo la mod?
THX
MEMENTO trimmer Humdinger :lol1:
Re: Modificare lo H&K tube factor
YES!luix ha scritto:
Se fai dei campioni potresti farli sia prima che dopo la mod?
THX
Re: Modificare lo H&K tube factor
Ciao a tutti
avete poi fatto la mod sul T.F.?
avete poi fatto la mod sul T.F.?
Re: Modificare lo H&K tube factor
no,niente perche' il mio amico non mi ha dato il tempo nemmeno di effettuare le mod...lo ha dato indietro e ha preso in sequenza:
metal zone Keeley
ds1 Keeley
niente..ancora non e' soddisfatto.....

metal zone Keeley
ds1 Keeley
niente..ancora non e' soddisfatto.....
Re: Modificare lo H&K tube factor
Quanto vi fà male stà GAS !!!!!!!!!!!!!!!!!!!!!! 
Il tuo amico molto probabilmente NON sarebbe stato soddisfatto neppure della mod
Il tuo amico molto probabilmente NON sarebbe stato soddisfatto neppure della mod
Antonello
www.antonellocatanese.net
www.myspace.com/virutrio
****************************************
Tom Hess
www.antonellocatanese.net
www.myspace.com/virutrio
****************************************
Tom Hess
Re: Modificare lo H&K tube factor
il problema e' che lui vorrebbe una distorsione ritmica alla "doug aldridge,john sykes" (withesnake),e una solista compressa,lunga,dal sustain infinito......Il tutto nello stesso pedale!!!!!!
impossibile!!!

impossibile!!!
Re: Modificare lo H&K tube factor
L'unico modo per accontentarlo è fargli credere che gli hai procurato il pedale originale di doug aldridge & john sykes...
MEMENTO trimmer Humdinger :lol1:
Re: Modificare lo H&K tube factor
In realtà per un DIYelf incallito ........... NO MISSION IMPOSSIBLE !!!!!!!!!!!!capello ha scritto: il problema e' che lui vorrebbe una distorsione ritmica alla "doug aldridge,john sykes" (withesnake),e una solista compressa,lunga,dal sustain infinito......Il tutto nello stesso pedale!!!!!!
impossibile!!!
![]()
![]()
![]()
![]()
![]()
Antonello
www.antonellocatanese.net
www.myspace.com/virutrio
****************************************
Tom Hess
www.antonellocatanese.net
www.myspace.com/virutrio
****************************************
Tom Hess
Re: Modificare lo H&K tube factor
hi hi!!!luix ha scritto: L'unico modo per accontentarlo è fargli credere che gli hai procurato il pedale originale di doug aldridge & john sykes...
:lol: :lol: :lol: :lol:
Ultima modifica di capello il 08/08/2006, 11:18, modificato 1 volta in totale.
Re: Modificare lo H&K tube factor
in parte sono d'accordo,pero' la prima cosa che lui deve capire e' che di base dovrebbe suonare con una plexy da 50 watt,a volumi "decenti"EL84 ha scritto:In realtà per un DIYelf incallito ........... NO MISSION IMPOSSIBLE !!!!!!!!!!!!capello ha scritto: il problema e' che lui vorrebbe una distorsione ritmica alla "doug aldridge,john sykes" (withesnake),e una solista compressa,lunga,dal sustain infinito......Il tutto nello stesso pedale!!!!!!
impossibile!!!
![]()
![]()
![]()
![]()
![]()
![]()
Re: Modificare lo H&K tube factor
Scusa sai !!??
Ma che ampli ha !??! ... spero che non voglia avere il suono che cerca con un "transistorizzato" sennò ...............
digli che si deve prima di tutto "valvolarizzare"

Inoltre cerca di spiegargli che GRAN parte del suono ..... esce dalle MANI !!!!!!!!!!!!!!!!!!!

Ma che ampli ha !??! ... spero che non voglia avere il suono che cerca con un "transistorizzato" sennò ...............
Inoltre cerca di spiegargli che GRAN parte del suono ..... esce dalle MANI !!!!!!!!!!!!!!!!!!!
Antonello
www.antonellocatanese.net
www.myspace.com/virutrio
****************************************
Tom Hess
www.antonellocatanese.net
www.myspace.com/virutrio
****************************************
Tom Hess



