modifica al dod 250
modifica al dod 250
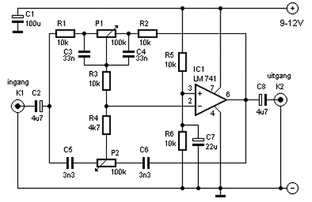
ragazzi ciao stavo sperimentando di aggiungere l'equalizzazione di alti e bassi tramite baxandall al dod 250;
ho proceduto come segue:
alla fine dello schema del dod 250 prima di entrare sul pot R10 ho inserito lo schemino dell'equalizzazione baxandall per poi uscire sul pin centrale del pot R10 del dod250.
morale della favola il pedale non funziona. ho controllato e ricontrollato schema e saldature, non va proprio come mai?
vi allego gli schemi da me usati.
alla fine di tutto ho anche messo lo schema di un lpb1 per boostare l'overdrive e quello è l'unica cosa che funziona testandolo con un audio probe.
dimenticavo di aggiungere che il baxandall sembra funzionare dato che il leggero fruscio che ne esce viene arricchito da alti o bassi al variare dei pot, e il level del dod funziona pure, ma anche isolando il solo circuito del dod il pot del gain non da segnali di vita (l'ho accomodato con un 500k lineare).
ho controllato le piste e sono ok e i componenti pure anche se lm741 a parte non sono tutti nuovi.
ho proceduto come segue:
alla fine dello schema del dod 250 prima di entrare sul pot R10 ho inserito lo schemino dell'equalizzazione baxandall per poi uscire sul pin centrale del pot R10 del dod250.
morale della favola il pedale non funziona. ho controllato e ricontrollato schema e saldature, non va proprio come mai?
vi allego gli schemi da me usati.
alla fine di tutto ho anche messo lo schema di un lpb1 per boostare l'overdrive e quello è l'unica cosa che funziona testandolo con un audio probe.
dimenticavo di aggiungere che il baxandall sembra funzionare dato che il leggero fruscio che ne esce viene arricchito da alti o bassi al variare dei pot, e il level del dod funziona pure, ma anche isolando il solo circuito del dod il pot del gain non da segnali di vita (l'ho accomodato con un 500k lineare).
ho controllato le piste e sono ok e i componenti pure anche se lm741 a parte non sono tutti nuovi.
Re: modifica al dod 250
hai provato con l'altro 741, quello del circuito toni?
non mi è chiaro se il 250 ce l'avevi già o se lo hai fatto ex novo.
Saluti
Raf
non mi è chiaro se il 250 ce l'avevi già o se lo hai fatto ex novo.
Saluti
Raf
Napoletani si nasce.....
Re: modifica al dod 250
nono ho fatto tutto ex novo a livello di circuitazione e basette (tramite bromografo)
a livello di componentistica utilizzata i 2 UA741 (equivalenti) sono nuovi, il resto della componentistica è materiale di recupero da altri progetti
a livello di componentistica utilizzata i 2 UA741 (equivalenti) sono nuovi, il resto della componentistica è materiale di recupero da altri progetti
Re: modifica al dod 250
Se puoi posta qualche foto del circuito, sia lato piste che lato componenti, gli schemi sono quelli che hai postato più LPB1. Come li hai messi in catena? 250>toni>LPB1?
Napoletani si nasce.....
Re: modifica al dod 250
si, gli schemi sono quelli che ho postato più quello dell'lpb1 che funziona al 100%
in catena sono stati messi nella maniera che indico in allegato
in catena sono stati messi nella maniera che indico in allegato
Re: modifica al dod 250
le foto del circuito lato componenti e lato piste, altrimenti come facciamo?
Napoletani si nasce.....
Re: modifica al dod 250
ringrazio tutti per l'aiuto ma ho usato tutta componentistica nuova e ho rifatto le 2 basette separate e funziona tutto alla perfezione.. grazie mille

