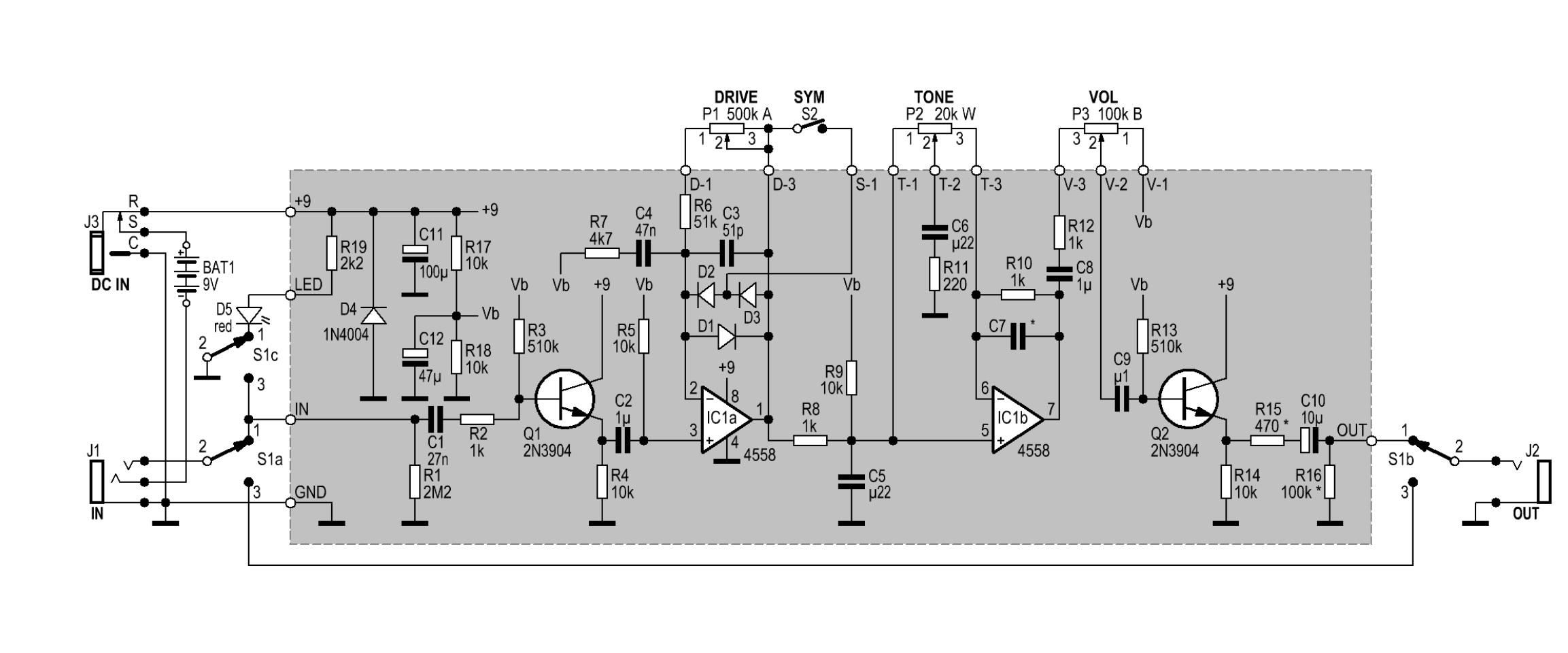
schema ts9 (cliccare sull'immagine per ingrandire) schema baxandall (cliccare sull'immagine per ingrandire)
EDIT: Le immagini lincate, se troppo grandi di dimensioni, compromettono l'impaginazione, in questi casi o scegliete di usare il tag [rmg] o caricate i file come allegati
K



