sta mattina non avendo voglia di studiare mi sono messo a disegnare 2 semplici buffer..non ho inventato niente di nuovo sia chiaro,ma siccome ne avevo bisogno e non mi andava di stamparmi lo schema e la pcb bella e pronta che cè in galleria come fanno in parecchi..me lo sono fatto io lo schema,aiutandomi soprattutto con il vecchio e caro libro di elettronica delle superiori...
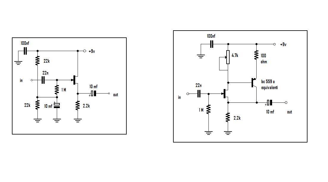
il primo è uno schema semplicissimo,un fet a canale n,un partitore formato dalle 2 resist. da 22k, la resistenza sul source che determina l impedenza di uscita...il secondo invece era sul mio libro però era un preamplificatore che guadagnava un tot...però modificando un pò il circuito adesso dovrebbe avere un guadagno pari ad 1..
chiedo a voi esperti,possono essere dei validi buffer?avete consigli o migliorie da effettuare?
2 piccoli buffer
Re:2 piccoli buffer
Si il secondo sopratutto... dai un'okkiata alla documentazione in merito su diyaudio.com..... 
MEMENTO trimmer Humdinger :lol1:
Re:2 piccoli buffer
ok luix ti ringrazio..anche se in inglese darò sicuramente uno sguardo li..
ne avrei anche un terzo schemino,con 2 fet in cascata ma non mi convincono un paio di cose..magari quando lo reputo ok lo posto così gli date un occhiata...
un ultima domanda? fet o bjt? mi sono informato un pò e ho letto pareri discordanti..io personalmente preferisco i fet visto l elevata impedenza di ingresso e il minor rumore che generano rispetto ai bjt e operazionali...volevo sapere la vostra.
ne avrei anche un terzo schemino,con 2 fet in cascata ma non mi convincono un paio di cose..magari quando lo reputo ok lo posto così gli date un occhiata...
un ultima domanda? fet o bjt? mi sono informato un pò e ho letto pareri discordanti..io personalmente preferisco i fet visto l elevata impedenza di ingresso e il minor rumore che generano rispetto ai bjt e operazionali...volevo sapere la vostra.


