Ps ovviamente non ci sono prob se uso altri operazionali al posto del tl084 anche un 074 è lo stesso?
Domande sul 10B Equalizer
Domande sul 10B Equalizer
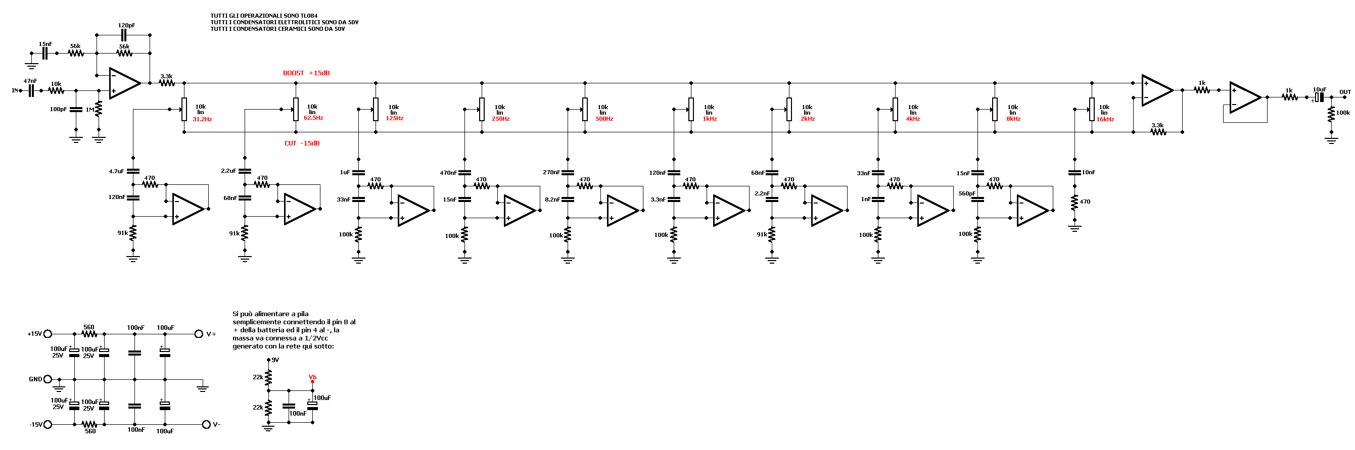
Salve a tutti volevo realizzare questo 10B Equalizer e poichè non dispongo di tutti questi valori di capacità ma di resistenze ne ho volevo capire quali sono i passa basso e i passa alto all'interno del circuitino
così da poter regolare io i valori
a tutti
Ps ovviamente non ci sono prob se uso altri operazionali al posto del tl084 anche un 074 è lo stesso?
Ps ovviamente non ci sono prob se uso altri operazionali al posto del tl084 anche un 074 è lo stesso?
Re:Domande sul 10B Equalizer
Non ci sono passa basso o passa alto, i componenti devono essere rispettati alla lettera altrimenti le bande di frequenza si accavallano... non è cosi semplice modificare un equalizzatore... in rete trovi sicuro delle indicazioni ma vanno fatti parecchi calcoli ed i componenti vengono sempre strani...
Per gli operazionali puoi usare quelli che vuoi, non sono critici...
Per gli operazionali puoi usare quelli che vuoi, non sono critici...
MEMENTO trimmer Humdinger :lol1:


