passivo, da quello che ho capito sfrutta un trasformatore per adattare le impedenze, e funziona senza alimentazione.
attivo, funziona tramite fet o ic più o meno come un buffere direi, perchè prende il segnale mono a alta impedenza e lo converte a bassissima impedenza...
e questo è il tipo su cui vorrei cimentarmi, mi sembra più immediato come costruzione, e poi non vado d'accordo coi trafi
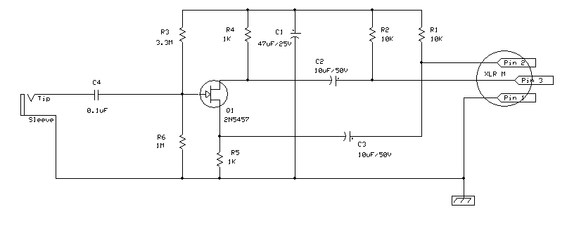
ho trovato in particolare due schemi che mi sembrano interessanti, uno funziona con un 2N5457, senza alimentazione secondo lo schema...
l'altro è a opamp, e mi sembra in generale più "sicuro" come schema...funziona coi canonicissimi 9V e non ci sono aggiunte per l'alimentazione phantom...
l'unica cosa da aggiungere è un interruttore per scollegare la massa sul piedino 1 del jack xlr...
se qualcuno vuole darci un'occhiata, io poi non ho problemi a fare il layout per chiunque lo volesse, e anche per la galleria..
che un DI box manca, e secondo me è una roba che serve!

