







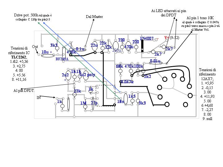
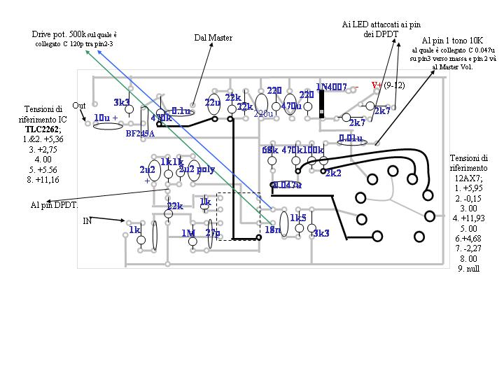
Funziona alla grande e ha un suono spaventoso!!!!!!!!!!!!!!!
Ora devo risolvere due problemi:
1)Stabilizzare la tensione dell'alimentatore esterno (o mettercelo interno stabilizzato...)
2) Trovare un contenitore adeguato alla maestà del pedale!!!
Poi vorrei sperimentare un tonestack tipo ampli....














A tutti e ad Antonello in particolare!!!
Poi posterò le foto e se ci riesco dei samples...


