Metal Muff dubbio sullo schema
- mario.ferroni
- Diyer Esperto

- Messaggi: 385
- Iscritto il: 14/08/2008, 19:42
Metal Muff dubbio sullo schema
Ciao a tutti ho recuperato lo schema del Metal Muff... ma non riesco a capire una parte dello schema:
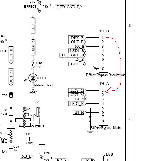
che cosa sono TB1A-TB1B-TB2A-TB2B?
che cosa sono TB1A-TB1B-TB2A-TB2B?
- Allegati
-
- Metal Muff.pdf
- (118.11 KiB) Scaricato 646 volte
Re:Metal Muff dubbio sullo schema
Hahaha mi hai letto nel pensiero, cercavo proprio quello schema!!!!
Ho assemblato proprio in questi giorni due big muff uno con i soliti BC550C ed uno con i BS170 per vedere se suonava più metalloso e devo dire che va bene!
CMQ suona bene questo metal muff? Perchè è praticamente un odiato metalzone solo con il controllo della frequenza dei medi bloccato.... ora che vi ho detto questo scommetto che inizierà a suonare male

Quei simboli che leggi TB sono le connessioni esterne alla pcb...
Ho assemblato proprio in questi giorni due big muff uno con i soliti BC550C ed uno con i BS170 per vedere se suonava più metalloso e devo dire che va bene!
CMQ suona bene questo metal muff? Perchè è praticamente un odiato metalzone solo con il controllo della frequenza dei medi bloccato.... ora che vi ho detto questo scommetto che inizierà a suonare male
Quei simboli che leggi TB sono le connessioni esterne alla pcb...
MEMENTO trimmer Humdinger :lol1:
- guitarman89
- Diyer Eroe

- Messaggi: 518
- Iscritto il: 02/10/2006, 16:50
- Località: Carpineto Romano
Re:Metal Muff dubbio sullo schema
avevo letto un articolo di axe metal sui pedali per metal e lo consideravano come un buon pedale...
questa era solo l'opinione di chi ha scritto l'articolo purtroppo io nn ho avuto la fortuna di provarlo anche se sono molto curioso a riguardo!
questa era solo l'opinione di chi ha scritto l'articolo purtroppo io nn ho avuto la fortuna di provarlo anche se sono molto curioso a riguardo!
ki ha il coraggio d vivere è il padrone del mondo
Re:Metal Muff dubbio sullo schema
L'ho provato lo scorso weekend a Tolone (Francia) con una Gibson Sg su Engl Screamer combo.
L'ho confrontato con un Rat, un Ts9, uno Snarling Dogs Black Box e con la distorsione naturale dell'Engl.
A mio parere fa molto bene quello che deve fare, cioè ottenere un suono perfettamente adatto a Master of puppets dei Metallica e a tutti quei brani che richiedono un suono massicciamente distorto ma senza particolari zanzare o rumori di fondo indesiderati.
Beninteso, un distorsore così tremendamente compresso ed aggressivo fa per natura rumore di fondo e zanzare, tuttavia è molto meno di quanto mi aspettassi.
Il Rat ed il Ts9 sono quelli moderni, il Rat mi è piaciuto, il Ts9 molto meno; sono certo che cambiando il chip migliora parecchio.
Con entrambi Acdc e Santana vengono un babbà!
Lo Snarling Dogs Black Box è quello che mi ha lasciato particolarmente perplesso, è il meno versatile ed ha un sono caratteristico tutto particolare, sembra inserire volutamente un rumore di fondo simile ad un crepitio lo-fi che, associato ad un suono distorto più dalla rete di polarizzazione che dal transistor/opamp (nel senso che si sente chiaramente che l'elemento attivo potrebbe essere più spinto, ma non è stato fatto per non incasinare troppo un suono già abbastanza pasticciato), fornisce un suono adattissimo a tanto black metal con una distorsione spaccata, quasi granulare.
E' difficile spiegare che suono viene fuori, sembra ridurre molto l'attacco per poi diventare un rumore di pasticca del freno consumata (non il fischio, il rumore della base della pasticca che corrode il disco) o come, a similitudine del nome della marca, quello di un cane molossoide nel tempo tra il ringhio e l'abbaiare.
TUTTI i pedali sono riusciti a recuperare l'atavica mancanza di basse dello screamer.
Infatti, quando ho provato l'ampli da solo, ho sentito una distorsione vicina allo Snarling Dogs, ma più acida e con più attacco e le basse così goduriose dei pedali mi sono mancate molto, anche mettendo a palla il controllo Bass.
Spero di essere stato utile.
L'ho confrontato con un Rat, un Ts9, uno Snarling Dogs Black Box e con la distorsione naturale dell'Engl.
A mio parere fa molto bene quello che deve fare, cioè ottenere un suono perfettamente adatto a Master of puppets dei Metallica e a tutti quei brani che richiedono un suono massicciamente distorto ma senza particolari zanzare o rumori di fondo indesiderati.
Beninteso, un distorsore così tremendamente compresso ed aggressivo fa per natura rumore di fondo e zanzare, tuttavia è molto meno di quanto mi aspettassi.
Il Rat ed il Ts9 sono quelli moderni, il Rat mi è piaciuto, il Ts9 molto meno; sono certo che cambiando il chip migliora parecchio.
Con entrambi Acdc e Santana vengono un babbà!
Lo Snarling Dogs Black Box è quello che mi ha lasciato particolarmente perplesso, è il meno versatile ed ha un sono caratteristico tutto particolare, sembra inserire volutamente un rumore di fondo simile ad un crepitio lo-fi che, associato ad un suono distorto più dalla rete di polarizzazione che dal transistor/opamp (nel senso che si sente chiaramente che l'elemento attivo potrebbe essere più spinto, ma non è stato fatto per non incasinare troppo un suono già abbastanza pasticciato), fornisce un suono adattissimo a tanto black metal con una distorsione spaccata, quasi granulare.
E' difficile spiegare che suono viene fuori, sembra ridurre molto l'attacco per poi diventare un rumore di pasticca del freno consumata (non il fischio, il rumore della base della pasticca che corrode il disco) o come, a similitudine del nome della marca, quello di un cane molossoide nel tempo tra il ringhio e l'abbaiare.
TUTTI i pedali sono riusciti a recuperare l'atavica mancanza di basse dello screamer.
Infatti, quando ho provato l'ampli da solo, ho sentito una distorsione vicina allo Snarling Dogs, ma più acida e con più attacco e le basse così goduriose dei pedali mi sono mancate molto, anche mettendo a palla il controllo Bass.
Spero di essere stato utile.
L\'uso del tasto \"CERCA\" non provoca impotenza!
Alex
Alex
- mario.ferroni
- Diyer Esperto

- Messaggi: 385
- Iscritto il: 14/08/2008, 19:42
Re:Metal Muff dubbio sullo schema
Prima di approdare al metal muff mi sono fatto una scorpacciata di demo dal TS al RAT passando per lo screamer al turbo drive.
E soprattutto una demo (se la trovo posto il link) mi ha convinto sul metal muff.
Adesso tornando a noi. Ok TB indica contatti fuori dalla PCB... ma dove vanno sti contatti? agli switch ai pot?
Ma escuderei i pot visto che sono inseriti nello schema....
Veramente non capisco (vabbe sono ignorante lo ammetto)
Quindi Luix se avevi intenzione di metterci le mani... perche non ci fai un bello sbroglio!!!
Grazie.
p.s. comuqnue se qualcuno vuole spiegarmi più in dettaglio, è cosa mooolto gradita!
p.p.s. Altra domande...la ferrite conviene metterla? da quanto? e cosa sono tutti quei nodi sui jack?
E soprattutto una demo (se la trovo posto il link) mi ha convinto sul metal muff.
Adesso tornando a noi. Ok TB indica contatti fuori dalla PCB... ma dove vanno sti contatti? agli switch ai pot?
Ma escuderei i pot visto che sono inseriti nello schema....
Veramente non capisco (vabbe sono ignorante lo ammetto)
Quindi Luix se avevi intenzione di metterci le mani... perche non ci fai un bello sbroglio!!!
Grazie.
p.s. comuqnue se qualcuno vuole spiegarmi più in dettaglio, è cosa mooolto gradita!
p.p.s. Altra domande...la ferrite conviene metterla? da quanto? e cosa sono tutti quei nodi sui jack?
Re:Metal Muff dubbio sullo schema
I contatti vanno ad altri punti di contatto dentro il pedale, per esempio i punti di T1A dovrebbero andare a T1B.
Lo schema è abbastanza lineare, se selezioni il suono secco va nella parte superiore attraverso un buffer e poi in uscita, se selezioni effetto va dritta, attraversa un buffer, uno stadio di gain seguito dai diodi di clip, un buffer/sommatore che aggiunge l'equalizzazione (la parte inferiore).
Il top boost non l'ho guardato, non mi è piaciuto quando l'ho sentito dal vivo.
La ferrite serve a filtrare le interferenze ma può essere omessa.
I nodi sul jack sono segnali di controllo, i classici mono e stereo non bastano.
Lo schema è abbastanza lineare, se selezioni il suono secco va nella parte superiore attraverso un buffer e poi in uscita, se selezioni effetto va dritta, attraversa un buffer, uno stadio di gain seguito dai diodi di clip, un buffer/sommatore che aggiunge l'equalizzazione (la parte inferiore).
Il top boost non l'ho guardato, non mi è piaciuto quando l'ho sentito dal vivo.
La ferrite serve a filtrare le interferenze ma può essere omessa.
I nodi sul jack sono segnali di controllo, i classici mono e stereo non bastano.
L\'uso del tasto \"CERCA\" non provoca impotenza!
Alex
Alex
Re:Metal Muff dubbio sullo schema
Lo sbroglio lo facco ma certamente non a gratis per i motivi che da tempo lamento... quindi armatevi di eagle e di santa pazienza....mario.ferroni ha scritto:
Quindi Luix se avevi intenzione di metterci le mani... perche non ci fai un bello sbroglio!!!
MEMENTO trimmer Humdinger :lol1:
- mario.ferroni
- Diyer Esperto

- Messaggi: 385
- Iscritto il: 14/08/2008, 19:42
Re:Metal Muff dubbio sullo schema
X luix
Non è un problema fare lo sbroglio anzi...a me piace!
Il problema è decifrare delle parti del circuito...
Quindi se ho capito ad esempio Dry_M si connette con Dry_B come ho evidenziato su Immagine1
ma allora che senso ha quello cerchiato su Immagine2
Quello che penso è che nel pedale siano previsti pcb staccati... quindi usano dei flat per collegarli...
Correggetemi se sbaglio, se io voglio fare un unico pcb posso considerare (ad esempio) Dry_M e Dry_B connessi GIUSTO???
x _Alex_
Non ho capito il discorso dei Jack... cosa vuol dire non bastano dei normali mono-stereo anche mettendo un Jack femmina a tre contatti poi il jack maschio sempre mono resta... quindi non gestisco più di 2 contatti
Non è un problema fare lo sbroglio anzi...a me piace!
Il problema è decifrare delle parti del circuito...
Quindi se ho capito ad esempio Dry_M si connette con Dry_B come ho evidenziato su Immagine1
ma allora che senso ha quello cerchiato su Immagine2
Quello che penso è che nel pedale siano previsti pcb staccati... quindi usano dei flat per collegarli...
Correggetemi se sbaglio, se io voglio fare un unico pcb posso considerare (ad esempio) Dry_M e Dry_B connessi GIUSTO???
x _Alex_
Non ho capito il discorso dei Jack... cosa vuol dire non bastano dei normali mono-stereo anche mettendo un Jack femmina a tre contatti poi il jack maschio sempre mono resta... quindi non gestisco più di 2 contatti
Ultima modifica di mario.ferroni il 24/11/2008, 21:15, modificato 1 volta in totale.
Re:Metal Muff dubbio sullo schema
I punti da connettere devono essere omonimi, Dry M va con Dry M da un'altra parte del circuito, Dry B con Dry B ecc..., allo stesso modo in cui collegavamo Vb nelle varie parti del circuito del Ts9. Lo hanno scritto così per non incasinare troppo il disegno.
I Tb servono a collegare 2 pcb diverse con piattine di cavi, hai visto giusto.
Devono essere omonime anche quelle, quindi Tb1 con Tb1, A e B sono probabilmente pcb A e pcb B, quindi troverai Tb1A su una pcb e Tb1B sull'altra.
Per quanto riguarda il jack è chiaro che quello della chitarra resta mono, quello che cambia è la femmina.
Ti spiego con un'altra similitudine, hai presente il trucco che usiamo per alimentare il pedale solo quando il jack è inserito?
Usiamo un jack femmina stereo ed il jack maschio mono, quando lo infiliamo mettiamo in corto la massa sul jack femmina attraverso il jack maschio mono.
Allo stesso modo il jack femmina con 2 o più contatti di segnale o di massa sfrutta il fatto che il jack maschio è mono per chiuderci sopra i suoi segnali di controllo.
Se non sono stato chiaro dimmelo, è un periodo che parlo in modo troppo sintetico e criptico.
I Tb servono a collegare 2 pcb diverse con piattine di cavi, hai visto giusto.
Devono essere omonime anche quelle, quindi Tb1 con Tb1, A e B sono probabilmente pcb A e pcb B, quindi troverai Tb1A su una pcb e Tb1B sull'altra.
Per quanto riguarda il jack è chiaro che quello della chitarra resta mono, quello che cambia è la femmina.
Ti spiego con un'altra similitudine, hai presente il trucco che usiamo per alimentare il pedale solo quando il jack è inserito?
Usiamo un jack femmina stereo ed il jack maschio mono, quando lo infiliamo mettiamo in corto la massa sul jack femmina attraverso il jack maschio mono.
Allo stesso modo il jack femmina con 2 o più contatti di segnale o di massa sfrutta il fatto che il jack maschio è mono per chiuderci sopra i suoi segnali di controllo.
Se non sono stato chiaro dimmelo, è un periodo che parlo in modo troppo sintetico e criptico.
L\'uso del tasto \"CERCA\" non provoca impotenza!
Alex
Alex
Re:Metal Muff dubbio sullo schema
qualcuno ha il layout di questo pedale?
Re:Metal Muff dubbio sullo schema
quanto ti fai pagare?
Re:Metal Muff dubbio sullo schema
ma come si fanno i layout con eagle?? io se non ho gia a disposizione i componenti non posso farlo giusto?? perche devo sapere le misure no?
Re:Metal Muff dubbio sullo schema
hai diverse opzioni di misura per i componenti...altrimenti li modifichi dalla libreria (è un pò laborioso), dovrebbe esserci la libreria di gaussmarkov con molti componenti già fatti
Let\'s try it....
Re:Metal Muff dubbio sullo schema
ho appena avuto in prestito questo distorsore. l'ho provato con l'orange tiny terror, tutto bene. poi ho provato a collegarlo al pc per vedere come anddava con guitar rig, ma da spento faceva solo un sibilio e da acceso sembrava un bypass venuto male. adesso il problema si presenta anche con il tiny terror. cosa può essere??

