Consiglio Booster..
Consiglio Booster..
Suono con una Strato con single coil e a volte con una Peavey Wolfgang EVH con Humbucker..
Come ampli ho la SLO con v30..
Consigli?
quando suono il riff di bloodsucker dei deep purple ad esempio esce poco dal mix..
Booster?Treble booster?
Come ampli ho la SLO con v30..
Consigli?
quando suono il riff di bloodsucker dei deep purple ad esempio esce poco dal mix..
Booster?Treble booster?
Re:Consiglio Booster..
Un bel booster al germanio e non ti sbagli!!!
Magari lo incentri un poco sui medi.............
Magari lo incentri un poco sui medi.............
MEMENTO trimmer Humdinger :lol1:
Re:Consiglio Booster..
...oppure un clean boost di ultima generazione (Hydra boost) ma messo fra send e return...
Re:Consiglio Booster..
esempio?luix ha scritto: Un bel booster al germanio e non ti sbagli!!!
Magari lo incentri un poco sui medi.............
Il rangmaster?
grazie cmq

Ultima modifica di jimi86 il 04/03/2009, 15:54, modificato 1 volta in totale.
Re:Consiglio Booster..
ho un microamp da inscatolare,che dici?Pupina ha scritto: ...oppure un clean boost di ultima generazione (Hydra boost) ma messo fra send e return...
non è molto clean forse...
Re:Consiglio Booster..
avevo costruito anche un john-hornby skewes(treble booster)jimi86 ha scritto: ho un microamp da inscatolare,che dici?
non è molto clean forse...
Re:Consiglio Booster..
io parlo di un buon clean booster che agisca su tutte le frequenze ma secondo me la sua collocazione ideale è la cosa più importante.jimi86 ha scritto: ho un microamp da inscatolare,che dici?
non è molto clean forse...
Se lo posizionerai prima di un distorsore o in ingresso all'ampli avrai solo un aumento della saturazione e poco aumento di volume, probabilmente verranno enfatizzate le frequenze medio alte (tubescreamer, rangemaster) ma se lo posizionerai dopo un buon distorsore o fra send e return (ovvero fra pre e finale) avrai un notevole aumento di volume al prezzo di un pò di rumore e forse di un pop alla sua attivazione.
Per questo cerca di costruirlo o acquistarlo più clean che puoi...io ho parlato del Carl Martin Hydra boost perchè è semplice ed economico, ma anche il raro MI Audio boost 'n' buff può fare al caso tuo.
Io uso un rangemaster autocostruito con un Mullard oc 44 originale (vetro) comprato da smallbear (quando ancora li aveva) e lo metto esclusivamente DOPO tutti i miei distorsori a pedale prima dell'ingresso nel canale clean dell'ampli, ma se avessi una SLO metterei un clean boost nel loop per avere solo un chiaro e deciso aumento di segnale su tutte le frequenze (che poi alla fine il beneficio lo avverti comunque soprattutto sulle medio-alte).
Pupina
Re:Consiglio Booster..
Si un bel rangemaster con un transistor al germanio, non per forza l'introvabile OC....
Sia chiaro che non è un clean booster, ti colora anche un po il suono quel tanto che basta... Magari come ti dicevo tari il condensatore che bypassa la res sull'emettitore in modo che boosti solo le medio alte.... insomma sperimenta e vedi!
Sia chiaro che non è un clean booster, ti colora anche un po il suono quel tanto che basta... Magari come ti dicevo tari il condensatore che bypassa la res sull'emettitore in modo che boosti solo le medio alte.... insomma sperimenta e vedi!
MEMENTO trimmer Humdinger :lol1:
Re:Consiglio Booster..
Buongiorno, è il mio primo post su questo bel forum, anche se leggo da parecchio tempo.
Mi riaggancio al discorso booster aggiungendo che anche il modesto lpb-1 è un bell'aggeggino!
io ne ho costruito uno con lo schema di musikd**g e la resa sonora è ottima, specie se raffrontata all'estrema facilità costruttiva!
forse è un pelino "scuro" come suono ( ma proprio appena appena), almeno il mio
forse perchè ho utilizzato condensatori da 0.1 microF, abbassandone il valore l'enfasi dovrebbe essere sulle medie/alte? ( o il contrario?boh non sono un gran esperto....)
Mi riaggancio al discorso booster aggiungendo che anche il modesto lpb-1 è un bell'aggeggino!
io ne ho costruito uno con lo schema di musikd**g e la resa sonora è ottima, specie se raffrontata all'estrema facilità costruttiva!
forse è un pelino "scuro" come suono ( ma proprio appena appena), almeno il mio
forse perchè ho utilizzato condensatori da 0.1 microF, abbassandone il valore l'enfasi dovrebbe essere sulle medie/alte? ( o il contrario?boh non sono un gran esperto....)
Ultima modifica di sergio977 il 05/03/2009, 10:14, modificato 1 volta in totale.
Re:Consiglio Booster..
grazie,ci piazzo un bel AC122luix ha scritto: Si un bel rangemaster con un transistor al germanio, non per forza l'introvabile OC....
Sia chiaro che non è un clean booster, ti colora anche un po il suono quel tanto che basta... Magari come ti dicevo tari il condensatore che bypassa la res sull'emettitore in modo che boosti solo le medio alte.... insomma sperimenta e vedi!

Re:Consiglio Booster..
Ci puoi piazzare quello che vuoi e tra l'altro se hai un pnp non serve che alimenti con l'alimentazione invertita (positive ground)....
Basta mettere i condensatori di ingresso uscita e poi ai jack mandi la massa normale, il circuito suona lo stesso...
Basta mettere i condensatori di ingresso uscita e poi ai jack mandi la massa normale, il circuito suona lo stesso...
MEMENTO trimmer Humdinger :lol1:
Re:Consiglio Booster..
ritiro su il topic..
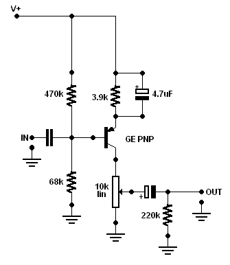
ho fatto il rangemaster approffittando di un kit di musikding
http://www.musikding.de/product_info.ph ... r-kit.html
funziona..ha un gran bel suono,ma ha un fruscio davvero insopportabile..
il transistor è ac 122..
ho provato un ac128 con hfe leggermente minore(109) e leggermente meno fruscio..
che dite?
inoltre a potenziometro del volume della chitarra il volume non si azzera ma cambia tipo di fruscio
ho fatto il rangemaster approffittando di un kit di musikding
http://www.musikding.de/product_info.ph ... r-kit.html
funziona..ha un gran bel suono,ma ha un fruscio davvero insopportabile..
il transistor è ac 122..
ho provato un ac128 con hfe leggermente minore(109) e leggermente meno fruscio..
che dite?
inoltre a potenziometro del volume della chitarra il volume non si azzera ma cambia tipo di fruscio

Re:Consiglio Booster..
qualcuno?jimi86 ha scritto: ritiro su il topic..
ho fatto il rangemaster approffittando di un kit di musikding
http://www.musikding.de/product_info.ph ... r-kit.html
funziona..ha un gran bel suono,ma ha un fruscio davvero insopportabile..
il transistor è ac 122..
ho provato un ac128 con hfe leggermente minore(109) e leggermente meno fruscio..
che dite?
inoltre a potenziometro del volume della chitarra il volume non si azzera ma cambia tipo di fruscio![]()
Re:Consiglio Booster..
ciao, io l'ho costruito usando l'equivalente miligare dell'oc44, con alcuni distorsori il fruscio è insopportabile con il boss sd-1 modifcato x avere + gain il fruscio è quasi impercettibile....dipende molto da che tipo di pedale cè collegato dopo e quanto sfruscio gia produce di suo il pedale dopo
Re:Consiglio Booster..
eh ma io l'ho provato ovviamente senza nessun pedale accanto,diretto nell'input del mio classic 20 sul pulito...marco_984 ha scritto: ciao, io l'ho costruito usando l'equivalente miligare dell'oc44, con alcuni distorsori il fruscio è insopportabile con il boss sd-1 modifcato x avere + gain il fruscio è quasi impercettibile....dipende molto da che tipo di pedale cè collegato dopo e quanto sfruscio gia produce di suo il pedale dopo
quale hai usato di equivalente?
la cosa che non mi convince è che a pot chiuso della chitarra il suono non si muta ma cambia fruscio...
