Sostieni il forum con una donazione! Il tuo contributo ci aiuterà a rimanere online!
Immagine

Boss MT2

Discussioni di carattere generale sugli effetti analogici e non..
Rispondi
gormangox
Diyer
Diyer
Messaggi: 103
Iscritto il: 28/08/2008, 17:09

Boss MT2

Messaggio da gormangox » 29/12/2010, 19:57

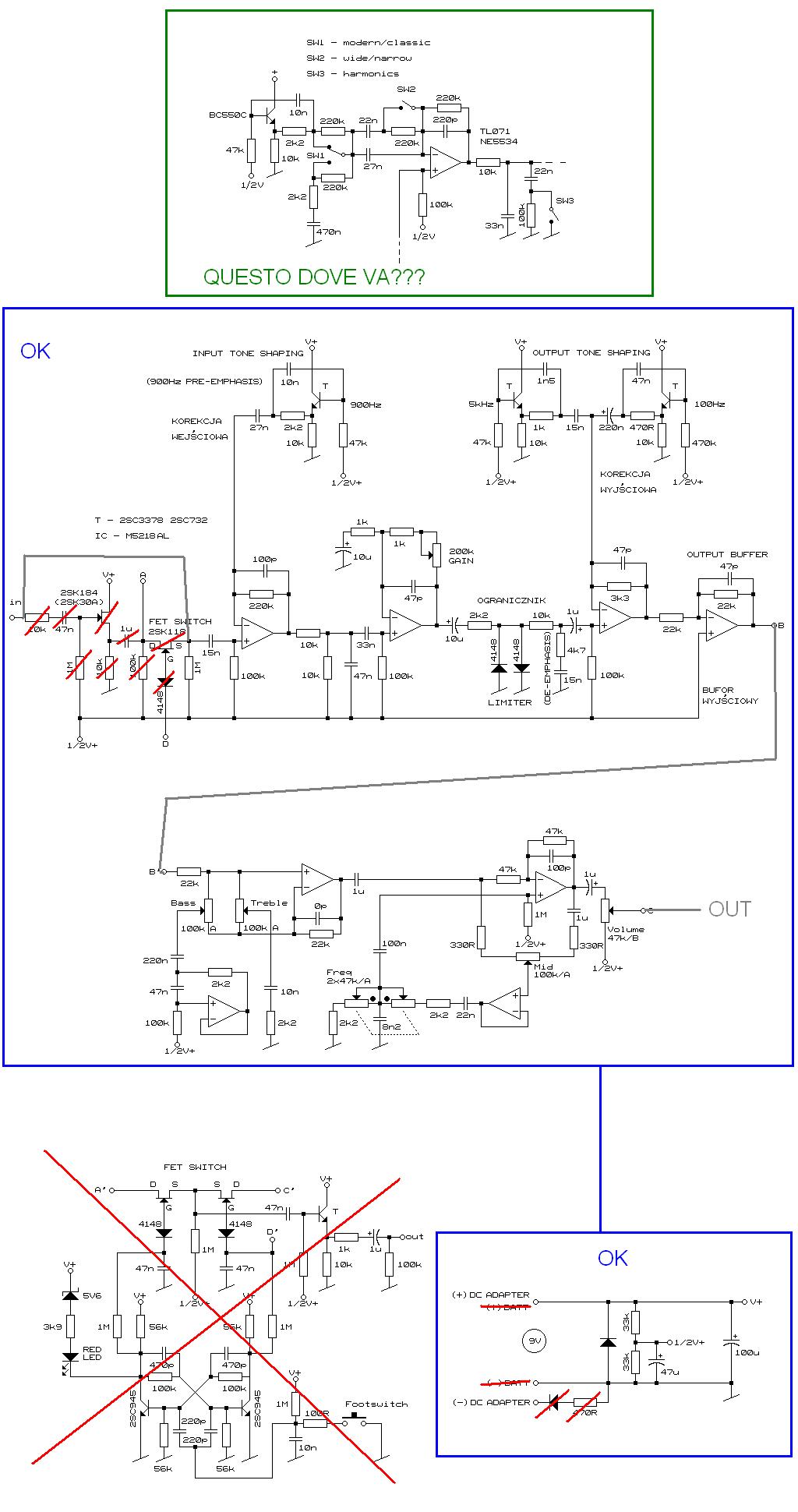
Ciao ragazzi,ho questo schema del MT2 preso da freeinfosociety; non capisco dove va "infilato" il primo schemino coi tre switch,qualcuno può aiutarmi?

Tra l'altro il Boss MT2 non ha questi tre switch, secondo voi è una mod aggiunta da freeinfosociety?

Quali parti elimino per fare il true bypass con un 3dpt? il fet all'inizio va ponticellato?
Altrimenti se qualcuno ha già uno schema dell' MT2 "bonificato" potrei provare quello...mi ricordo che in galleria c'era qualcosa ma non c'è più.

Grazie e buone feste!!
Allegati
boss-mt-2-metal-zone-pedal-schematic.gif

gormangox
Diyer
Diyer
Messaggi: 103
Iscritto il: 28/08/2008, 17:09

Re: Boss MT2

Messaggio da gormangox » 30/12/2010, 16:12

Così può andare? (vedi allegato)

Non riesco comunque a capire dove va messo il primo schemino al quale ho messo la cornice verde.
Allegati
boss-mt-2-metal-zone-pedal-schematic.JPG

nexion777
Neutrino
Neutrino
Messaggi: 23
Iscritto il: 27/03/2009, 17:45

Re: Boss MT2

Messaggio da nexion777 » 08/01/2011, 19:11

Gormangox, credo sia meglio mantenere il buffer di ingresso. Tra l'altro per come lo hai "amputato" ti ritroveresti un ingresso non biasato, fragile e sensibile alle interferenze radio (la res da 10K in serie al segnale serve a queste due cose). Il blocco "verde" credo vada implementato a livello del primo operazionale.

Rispondi