matsumin valvecaster come mic preamp
matsumin valvecaster come mic preamp
raga , stavo pensando di creare un preamp valvolare a 8 canali bilanciati per uso in studio
la mia domanda è :
usando come base il matsumin valvecaster alimentato a 24v è possibile convertirlo
per farlo funzionare come preamp microfonico
con ingresso bilanciato e la phantom ?
https://sites.google.com/site/macturkey ... dSchem.gif
la mia domanda è :
usando come base il matsumin valvecaster alimentato a 24v è possibile convertirlo
per farlo funzionare come preamp microfonico
con ingresso bilanciato e la phantom ?
https://sites.google.com/site/macturkey ... dSchem.gif
Campani si nasce ......
- Kagliostro
- Amministratore

- Messaggi: 9956
- Iscritto il: 03/12/2007, 0:16
- Località: Prov. di Treviso
Re: matsumin valvecaster come mic preamp
Direi che verrebbe fuori un pasticcio ............
ma tu cosa vuoi un preamp da mic ?
K
ma tu cosa vuoi un preamp da mic ?
K
Re: matsumin valvecaster come mic preamp
esatto , un preamp valvolare bilanciato con la phantom per preamplificare i microfoni .....
Campani si nasce ......
- Kagliostro
- Amministratore

- Messaggi: 9956
- Iscritto il: 03/12/2007, 0:16
- Località: Prov. di Treviso
Re: matsumin valvecaster come mic preamp
I preamp da mic sono piuttosto costosi, per via dei trasfo che bisogna usare
http://www.pmillett.com/micpre.htm
meno blasonato del precedente, ma valido
http://www.gyraf.dk/gy_pd/g9/g9pd.htm
K
http://www.pmillett.com/micpre.htm
meno blasonato del precedente, ma valido
http://www.gyraf.dk/gy_pd/g9/g9pd.htm
K
Re: matsumin valvecaster come mic preamp
grazie mille ..... disponibile come sempre :)
ma volendo diciamo copiare il behringer mic100 ...... sarebbe una cosa valida o ne risulterebbe una mezza ciofeca ?
ma volendo diciamo copiare il behringer mic100 ...... sarebbe una cosa valida o ne risulterebbe una mezza ciofeca ?
Campani si nasce ......
Re: matsumin valvecaster come mic preamp
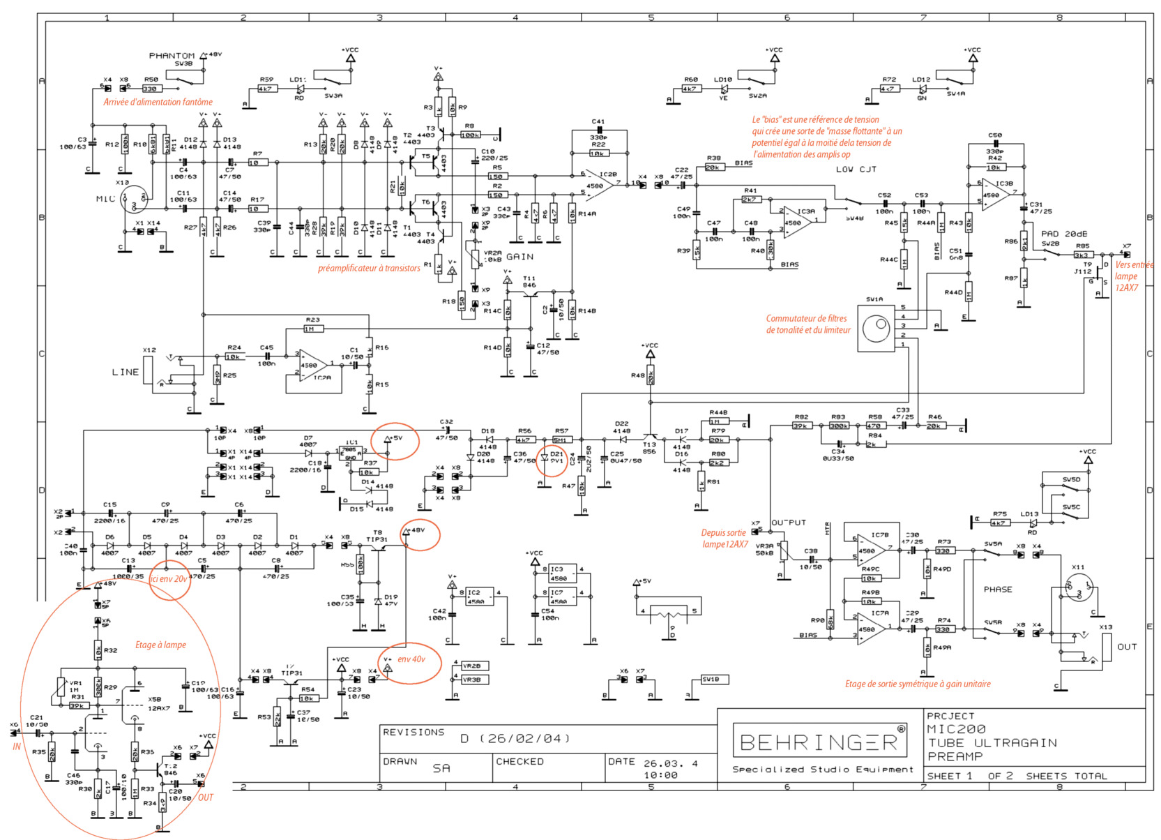
lo schema è questo
fare click sull'immagine per ingrandire
fare click sull'immagine per ingrandire
Campani si nasce ......
- Kagliostro
- Amministratore

- Messaggi: 9956
- Iscritto il: 03/12/2007, 0:16
- Località: Prov. di Treviso
Re: matsumin valvecaster come mic preamp
Il behringer non lo conosco
comunque data un'occhiata allo schema non lo considererei un preamplificatore a valvole
K
comunque data un'occhiata allo schema non lo considererei un preamplificatore a valvole
K
Re: matsumin valvecaster come mic preamp
clonare behringer non ha senso, vai a spendere minimo cinque volte tanto per ottenere la stessa cosa!luciano ha scritto:volendo diciamo copiare il behringer mic100 ...... sarebbe una cosa valida o ne risulterebbe una mezza ciofeca ?
Re: matsumin valvecaster come mic preamp
in effetti è a... valvola!kagliostro ha scritto: non lo considererei un preamplificatore a valvole
Re: matsumin valvecaster come mic preamp
Clonare un behringer vuol dire spendere tempo e denaro per copiare una panda 

