ciao ho provato quanto mi hai suggerito ma senza risultato, o meglio anche aumentando il volume nella cuffia lo sento bassissimo e alcune volte con fastidi come fruscii e distorsioni metalliche, e in piu ho le cuffie che si scaldano parecchio. ho provato a cambiarle pensando fossero loro il problema ma niente, stesso risultato.raf71 ha scritto:Ciao Aperri, grazie per i chiarimenti.
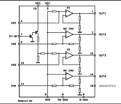
Allora, se segui il datasheet noterai che il finale è un quattro canali tipico per applicazioni "automobilistiche". Collegandolo nella configurazione stereo, lo schema da te postato, vai a collegare i finali a ponte. In virtù di ciò non credo che si possano collegare insieme i negativi. Questo si evince anche dallo schema.
Il problema ora è che tu vuoi collegare le cuffie, e cioè tre terminali, ai quattro terminali di uscita del finale.
Puoi provare a fare così, ATTENZIONE non sono sicuro, lo lessi su un forum qualche tempo fa, quindi verifica.
Collega i due + del finale a delle resistenze da 100-330 ohm, queste ultime ai + delle cuffie. Il terminale - delle cuffie va a massa tramite un condensatore da 100 - 1000u. Prima di collegare le cuffie accendi l'ampli perchè il "bump" è forte.
Non prendere per oro colato ciò che ti ho scritto. Verifica prima.
Saluti
Raffaele
a questo punto cosa mi consigliate di fare?
rimanendo sullo stesso wattaggio e alimentazione, avete magari qualche altro integrato da suggerirmi, magari migliore e sempre con a possibilità di aggiungere un'uscita per cuffie?
grazie ancora a tutti
Andrea


