finali perdono di potenza
finali perdono di potenza
Ciao ragazzi,
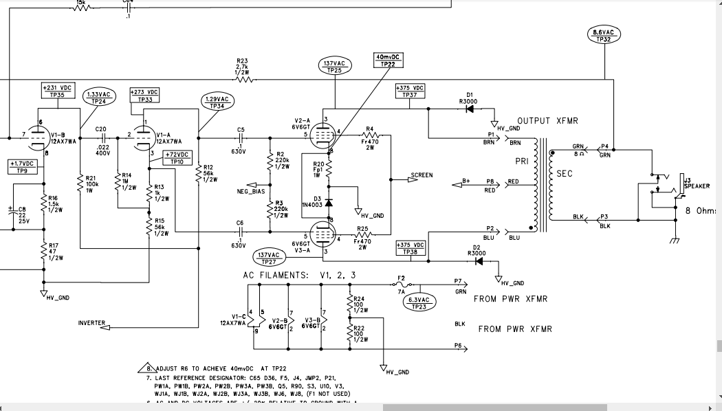
ho fra le mani un super champ xd di cui non vi sto a dire per il momento tutto..mi capita però una cosa strana sulle valvole finali..se non inserisco le due 6v6 l'ampli va benissimo..con una probe collegata al pin 2 di v1 posso stare tutto il tempo che voglio che non accade nulla, non appena inserisco le finali, in un primo momento l'ampli va benissimo, dopo un po' scende drasticamente il volume e si sente un leggero uhmming.. ho monitorato le tensioni e tutto torna..B+, sulla V1 tutti i pin, tranne sugli anodi delle 6v6, anzi, proprio quando vado a rilevare la tensione sugli anodi, proprio il contatto del tester sul pin scaturisce il cambiamento che di solito avviene apparentemente casualmente..ah, la cosa più strana è che quando si innesca questa reazione, basta spegnere anche solo per un secondo e riaccendere e tutto si resetta..
ho fra le mani un super champ xd di cui non vi sto a dire per il momento tutto..mi capita però una cosa strana sulle valvole finali..se non inserisco le due 6v6 l'ampli va benissimo..con una probe collegata al pin 2 di v1 posso stare tutto il tempo che voglio che non accade nulla, non appena inserisco le finali, in un primo momento l'ampli va benissimo, dopo un po' scende drasticamente il volume e si sente un leggero uhmming.. ho monitorato le tensioni e tutto torna..B+, sulla V1 tutti i pin, tranne sugli anodi delle 6v6, anzi, proprio quando vado a rilevare la tensione sugli anodi, proprio il contatto del tester sul pin scaturisce il cambiamento che di solito avviene apparentemente casualmente..ah, la cosa più strana è che quando si innesca questa reazione, basta spegnere anche solo per un secondo e riaccendere e tutto si resetta..
Re: finali perdono di potenza
ovviamente ho provato a cambiare le valvole.. avevo pensato ai diodi di protezione gli r3000 che magari stanno per andare al creatore e fanno qualche strana reazione..dato che non li ho disponibili avevo pensato di dissaldarli momentaneamente giusto per provare ma ho un dubbio dato che il ground HV è a un potenziale diverso dal ground Audio..che dite?
ovviamente, grazie!
ovviamente, grazie!
- Kagliostro
- Amministratore

- Messaggi: 9878
- Iscritto il: 03/12/2007, 0:16
- Località: Prov. di Treviso
Re: finali perdono di potenza
La tensione del bias resta stabile o varia ?
Cosa succede alla corrente delle finali ?
Franco
Cosa succede alla corrente delle finali ?
Franco
Re: finali perdono di potenza
Ciao Franco,
resta tutto invariato.. tensione anodica resta uguale, circa 370V, tensione sul TP22 resta 40mV, negative bias -32V..tutto uguale..corrente di bias 40mA
comunque, per essere più precisi, quando fai scattare volontariamente il "guasto" toccando il pin3 delle finali, lo fa quando stacchi il puntale, se lo tieni attaccato non lo fa..mah
resta tutto invariato.. tensione anodica resta uguale, circa 370V, tensione sul TP22 resta 40mV, negative bias -32V..tutto uguale..corrente di bias 40mA
comunque, per essere più precisi, quando fai scattare volontariamente il "guasto" toccando il pin3 delle finali, lo fa quando stacchi il puntale, se lo tieni attaccato non lo fa..mah
- Kagliostro
- Amministratore

- Messaggi: 9878
- Iscritto il: 03/12/2007, 0:16
- Località: Prov. di Treviso
Re: finali perdono di potenza
Mah, che si tratti di un'autooscillazione ?
al momento non mi viene in mente altro
certo che se l'ampli prima ha sempre funzionato vedo più difficile che si tratti di quello
Franco
al momento non mi viene in mente altro
certo che se l'ampli prima ha sempre funzionato vedo più difficile che si tratti di quello
Franco
Re: finali perdono di potenza
Non ho capito bene qual'è il problema. La potenza al secondario cala ma al primario resta tutto invariato?
Re: finali perdono di potenza
no, non è così perchè appena innesca questa reazione, se provo con la probe in qualunque punto del circuito, ho questo problema..cioè si abbassa il volume e si sente questo leggero uhmming di fondo
- Kagliostro
- Amministratore

- Messaggi: 9878
- Iscritto il: 03/12/2007, 0:16
- Località: Prov. di Treviso
Re: finali perdono di potenza
Un amico mi dice che potrebbe essere la res da 1M sulla sfasatrice (mi pare sia R14)
Franco
Franco
Re: finali perdono di potenza
niente franco, ho provato a cambiare la r14 ma la situazione è identica..peccato, c'avevo creduto!
..stavo pensando una cosa però...se io metto la probe in qualsiasi altro punto del circuito (quando il problema c'è), io ho il calo di potenza e l'uhm ovunque...quindi non è circoscritto alle finali..anche perchè non cambiano le tensioni..da nessuna parte..anche sugli operazionali..è un'autoscillazione? ho letto che gli accoppiamenti degli stadi finali sono sensibili alle autoscillazioni..sarà qualche condensatore di accoppiamento partito?
..stavo pensando una cosa però...se io metto la probe in qualsiasi altro punto del circuito (quando il problema c'è), io ho il calo di potenza e l'uhm ovunque...quindi non è circoscritto alle finali..anche perchè non cambiano le tensioni..da nessuna parte..anche sugli operazionali..è un'autoscillazione? ho letto che gli accoppiamenti degli stadi finali sono sensibili alle autoscillazioni..sarà qualche condensatore di accoppiamento partito?
- Kagliostro
- Amministratore

- Messaggi: 9878
- Iscritto il: 03/12/2007, 0:16
- Località: Prov. di Treviso
Re: finali perdono di potenza
Onestamente, con sicurezza non so dire
però, se hai qualcosa di adatto, potresti controllarli
https://www.amazon.it/ARCELI-Transistor ... 8264093877

o, in mancanza, ti toccherebbe sostituirli uno alla volta
tipo, stacchi uno dei due reofori e colleghi al circuito il cap nuovo con dei cavetti coccodrillo, controlli e poi vai avanti con le prove o fai la sostituzione
Franco
però, se hai qualcosa di adatto, potresti controllarli
https://www.amazon.it/ARCELI-Transistor ... 8264093877

o, in mancanza, ti toccherebbe sostituirli uno alla volta
tipo, stacchi uno dei due reofori e colleghi al circuito il cap nuovo con dei cavetti coccodrillo, controlli e poi vai avanti con le prove o fai la sostituzione
Franco
- Kagliostro
- Amministratore

- Messaggi: 9878
- Iscritto il: 03/12/2007, 0:16
- Località: Prov. di Treviso
Re: finali perdono di potenza
Ah, dimenticavo
leggiti questa paginetta
http://www.geofex.com/ampdbug/lowpower.htm
leggiti questa paginetta
http://www.geofex.com/ampdbug/lowpower.htm
Segue traduzione fatta in automatico, quindi potrebbero esserci degli errori
Low Power or Loss of Volume
Faulty Preamp Tube
Faulty Power Tube(s)
Bad preamp cathode resistor
An unbypassed cathode resistor has drifted upwards (to 5K-10K or over)
Faulty phase inverter
If for some reason the phase inverter input side is good but the inverted side is bad, the power amp will still work, but power will be very low. This can be a bad 1/2 tube, a faulty socket contact, a broken or open plate resistor or coupling capacitor to the output tube, or a bad solder joint on any of these.
Open cathode bypass capacitors in preamp
if they go open, the stage they're in loses gain, but does not otherwise fail. If they short, it dramatically shifts the bias point, and may cause distortion as well as low volume.
Faulty vibrato circuit on neon/LDR vibrato Fenders
If there is a dummy plug in the footswitch hole, or a bad footswitch so the vibrato is always active, sometimes the vibrato tube turns on and stays on, not oscillating. This keeps the neon bulb on all the time, shunting lots of signal away. Same thing can happen if there is a shorted vibrato tube (rare) or a bit of wire or solder shorting the vibrato tube. Check the plate voltage on the vibrato tube to be sure it's oscillating.
High voltage isn't high enough for some reason
Failing rectifier tube - try swapping in another one
Failing power filter capacitors
Failing or open series dropping resistor in the bypass networks leading to preamp stages
Failing bypass capacitor - treat as in power filter caps.
Open screen resistors on power tubes
Amp cuts out or "goes dead" when the volume control is turned up higher than "X" or when you hit a specific note
You have a parasitic oscillation above hearing range. This can overheat an output transformer, and really needs to get fixed fast. It can often be fixed by tube swapping, but you often need an oscilloscope to see what's happening in the electronics.
FrancoBassa potenza o perdita di volume
Tubo del preamplificatore difettoso
Tubi di alimentazione difettosi
Resistenza catodica del preamplificatore difettosa
Un resistore catodico non bypassato è andato alla deriva verso l'alto (a 5K-10K o più)
Invertitore di fase difettoso
Se per qualche motivo il lato di ingresso dell'invertitore di fase è buono ma il lato invertito è cattivo, l'amplificatore di potenza continuerà a funzionare, ma la potenza sarà molto bassa. Questo può essere un tubo da 1/2 difettoso, un contatto della presa difettoso, una resistenza a piastra rotta o aperta o un condensatore di accoppiamento al tubo di uscita o un giunto di saldatura difettoso su uno di questi.
Condensatori di bypass a catodo aperto nel preamplificatore
se si aprono, lo stadio in cui si trovano perde guadagno, ma non fallisce altrimenti. Se sono brevi, spostano drasticamente il punto di polarizzazione e possono causare distorsione e volume basso.
Circuito vibrato difettoso su Fender vibrato neon/LDR
Se c'è un tappo fittizio nel foro dell'interruttore a pedale, o un interruttore a pedale difettoso, quindi il vibrato è sempre attivo, a volte il tubo del vibrato si accende e rimane acceso, senza oscillare. Ciò mantiene la lampadina al neon sempre accesa, allontanando molti segnali. La stessa cosa può succedere se c'è un tubo vibrato in corto (raro) o un pezzo di filo o saldatura che cortocircuita il tubo vibrato. Controlla la tensione di placca sul tubo del vibrato per assicurarti che oscilli.
L'alta tensione non è abbastanza alta per qualche motivo
Tubo raddrizzatore guasto: prova a sostituirlo con un altro
Condensatori del filtro di alimentazione guasti
Resistore di caduta in serie guasto o aperto nelle reti di bypass che portano a stadi di preamplificazione
Condensatore di bypass guasto - trattare come nei cappucci del filtro di alimentazione.
Resistori a schermo aperto sulle valvole di potenza
L'amplificatore si spegne o "si spegne" quando il controllo del volume è più alto di "X" o quando si colpisce una nota specifica
Hai un'oscillazione parassitaria al di sopra della portata dell'udito. Questo può surriscaldare un trasformatore di uscita e ha davvero bisogno di essere riparato velocemente. Spesso può essere risolto scambiando le valvole, ma spesso è necessario un oscilloscopio per vedere cosa sta succedendo nell'elettronica.
Re: finali perdono di potenza
grazie mille come sempre!
sulla base del documento gentilmente postato da te ora proverò a fare queste cose..
Faulty Preamp Tube
Faulty Power Tube(s)
Bad preamp cathode resistor test (R13, R15, R16, R17, R20)
An unbypassed cathode resistor has drifted upwards (to 5K-10K or over)
Faulty phase inverter
If for some reason the phase inverter input side is good but the inverted side is bad, the power amp will still work, but power will be very low. This can be a bad 1/2 tube, a faulty socket contact, a broken or open plate resistor or coupling capacitor to the output tube, or a bad solder joint on any of these. test (saldature su PI, R21,R12,C5,C6)
Open cathode bypass capacitors in preamp
if they go open, the stage they're in loses gain, but does not otherwise fail. If they short, it dramatically shifts the bias point, and may cause distortion as well as low volume. test C8
Faulty vibrato circuit on neon/LDR vibrato Fenders
If there is a dummy plug in the footswitch hole, or a bad footswitch so the vibrato is always active, sometimes the vibrato tube turns on and stays on, not oscillating. This keeps the neon bulb on all the time, shunting lots of signal away. Same thing can happen if there is a shorted vibrato tube (rare) or a bit of wire or solder shorting the vibrato tube. Check the plate voltage on the vibrato tube to be sure it's oscillating.
High voltage isn't high enough for some reason
Failing rectifier tube - try swapping in another one
Failing power filter capacitors
Failing or open series dropping resistor in the bypass networks leading to preamp stages
Failing bypass capacitor - treat as in power filter caps.
Open screen resistors on power tubes
Amp cuts out or "goes dead" when the volume control is turned up higher than "X" or when you hit a specific note
You have a parasitic oscillation above hearing range. This can overheat an output transformer, and really needs to get fixed fast. It can often be fixed by tube swapping, but you often need an oscilloscope to see what's happening in the electronics.
sulla base del documento gentilmente postato da te ora proverò a fare queste cose..
Faulty Preamp Tube
Faulty Power Tube(s)
Bad preamp cathode resistor test (R13, R15, R16, R17, R20)
An unbypassed cathode resistor has drifted upwards (to 5K-10K or over)
Faulty phase inverter
If for some reason the phase inverter input side is good but the inverted side is bad, the power amp will still work, but power will be very low. This can be a bad 1/2 tube, a faulty socket contact, a broken or open plate resistor or coupling capacitor to the output tube, or a bad solder joint on any of these. test (saldature su PI, R21,R12,C5,C6)
Open cathode bypass capacitors in preamp
if they go open, the stage they're in loses gain, but does not otherwise fail. If they short, it dramatically shifts the bias point, and may cause distortion as well as low volume. test C8
Faulty vibrato circuit on neon/LDR vibrato Fenders
If there is a dummy plug in the footswitch hole, or a bad footswitch so the vibrato is always active, sometimes the vibrato tube turns on and stays on, not oscillating. This keeps the neon bulb on all the time, shunting lots of signal away. Same thing can happen if there is a shorted vibrato tube (rare) or a bit of wire or solder shorting the vibrato tube. Check the plate voltage on the vibrato tube to be sure it's oscillating.
High voltage isn't high enough for some reason
Failing rectifier tube - try swapping in another one
Failing power filter capacitors
Failing or open series dropping resistor in the bypass networks leading to preamp stages
Failing bypass capacitor - treat as in power filter caps.
Open screen resistors on power tubes
Amp cuts out or "goes dead" when the volume control is turned up higher than "X" or when you hit a specific note
You have a parasitic oscillation above hearing range. This can overheat an output transformer, and really needs to get fixed fast. It can often be fixed by tube swapping, but you often need an oscilloscope to see what's happening in the electronics.
Re: finali perdono di potenza
controllate R13, R15, R16, R17, R20.. misurano il valore giusto
rifatte saldature su PI e su finali
controllate R21,R12..misurano valori giusti, sostituiti C5,C6
sostituito C8
il problema continua, però, da quando ho cambiato c5 e c6 (che non avendo da 100nf ho messo da 10nf) ci mette più tempo per innescare il problema
rifatte saldature su PI e su finali
controllate R21,R12..misurano valori giusti, sostituiti C5,C6
sostituito C8
il problema continua, però, da quando ho cambiato c5 e c6 (che non avendo da 100nf ho messo da 10nf) ci mette più tempo per innescare il problema
Re: finali perdono di potenza
non avete nessuna altra strada da suggerirmi? mollo?
grazie
grazie
Re: finali perdono di potenza
Ciao.
Secondo me dovresti provare a levarli proprio quei 2 diodi "d1 e 2", se non ricordo male, è lasciare che i rami dell'anodica vadano direttamente alle placche.
Io proverei proprio lasciarli liberi da qualsiasi influenza quei 2 rami.
Secondo me dovresti provare a levarli proprio quei 2 diodi "d1 e 2", se non ricordo male, è lasciare che i rami dell'anodica vadano direttamente alle placche.
Io proverei proprio lasciarli liberi da qualsiasi influenza quei 2 rami.

