Sostieni il forum con una donazione! Il tuo contributo ci aiuterà a rimanere online!

Discussioni di carattere generale sugli amplificatori valvolari...
-
kirk 78
- Diyer

- Messaggi: 128
- Iscritto il: 09/05/2006, 21:52
Messaggio
da kirk 78 » 23/02/2009, 21:01
Qualcuno ha dei consigli su un circuito di muting per un ampli con relay, qualcosa di semplice e funzionale già provato?
Io ho trovao questi.
CIao

-
Allegati
-

-

-
krusty
- Diyer Aiutante

- Messaggi: 61
- Iscritto il: 24/12/2007, 21:08
Messaggio
da krusty » 24/02/2009, 14:29
Ciao,
mi fai un esempio di utilizzo?
-
kirk 78
- Diyer

- Messaggi: 128
- Iscritto il: 09/05/2006, 21:52
Messaggio
da kirk 78 » 24/02/2009, 16:07
Serve per evitare che quando un relay switcha si senta il rumore di scambio, che nel caso di segnale da amplificare diventa un bel pop.
Va qualche istante a massa il segnale, il tempo di commutazione del relay, e non si sente quel rumore.
si può sare su un ampli a più canali, su true bypass e altri scambi di segnale, soprattutto se poi vengono amplificati e sulla cassa arriva una bella botta.
Ciao
-
krusty
- Diyer Aiutante

- Messaggi: 61
- Iscritto il: 24/12/2007, 21:08
Messaggio
da krusty » 24/02/2009, 23:50
Scusa mi sono espresso malissimo...
la domanda giusta era.."mi puoi spiegare come funziona il circuito?"
perchè se non ho capito male il transistor rimane in "serie" al segnale che quindi lo deve "attraversare" continuamente..
corretto?
Krusty
-
kirk 78
- Diyer

- Messaggi: 128
- Iscritto il: 09/05/2006, 21:52
Messaggio
da kirk 78 » 24/02/2009, 23:55
no il transistor sts in parallelo al segnale e solo quando il realy prende corrente, va per un attimo a massa e ci mette meno dei circa 3ms di scambio del relay, e poi interrompe e si libera la via per il segnale.
all'incirca funziona cosi....
-
krusty
- Diyer Aiutante

- Messaggi: 61
- Iscritto il: 24/12/2007, 21:08
Messaggio
da krusty » 26/02/2009, 0:01
Scusa se insisto..
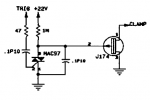
ma se ho capito bene... (riferendomi ai pin indicati sui circuiti che erano allegati)
a V+rey o Trigger viene collegato un capo della bobina del relay..
5V o 22V serve per il Triac
e Signal/Clamp è il segnale da "commutare?"
Inoltre per ciascun relay quanti di questi muting occorrono? (xkè solitamente usiamo il relay per esempio nel cambio canale di un ampli..(supponendo di chiamare canale 1 e canale 2...avremmo quindi 2 transizioni..
da canale 1 a canale 2
e da canale 2 a canale 1
quindi due muting x un solo relay?)
Perchè sto cercando di simulare il circuito con scarsi risultati...:((
Krusty
-
krusty
- Diyer Aiutante

- Messaggi: 61
- Iscritto il: 24/12/2007, 21:08
Messaggio
da krusty » 26/02/2009, 21:50
Grazie,
ho dato un'occhiata al circuito ma è ancora diverso dai due proposti!!

Dato che anche a me interesserebbe riuscire a realizzare qualcosa di simile per la mia nuova creatura che ha tutto switching a relay e vorrei evitare i pop!
Tu hai già avuto modo di testare/realizzare qualche circuito di questi?

Krusty
-
kirk 78
- Diyer

- Messaggi: 128
- Iscritto il: 09/05/2006, 21:52
Messaggio
da kirk 78 » 26/02/2009, 22:13
Non ancora, ma me l'ha consigliato uno che in fatto di testate valvolari, ne sa veramente.
-
krusty
- Diyer Aiutante

- Messaggi: 61
- Iscritto il: 24/12/2007, 21:08
Messaggio
da krusty » 26/02/2009, 23:37
scusa quale dei tre ti ha consigliato?
-
kirk 78
- Diyer

- Messaggi: 128
- Iscritto il: 09/05/2006, 21:52
Messaggio
da kirk 78 » 27/02/2009, 1:56
quello della mesa.
Però io cercavo anche altre alternative su marchi noti.
-
mario.ferroni
- Diyer Esperto

- Messaggi: 385
- Iscritto il: 14/08/2008, 19:42
Messaggio
da mario.ferroni » 21/06/2009, 10:23
Ritiro fuori questo post per un dubbio...
ho visto anche il tread di davidefender sul relè bypass...ma ho visto che si lavora in modo diverso, la sulla bobina qui sul "interruttore" del relay.
Io penso che per togliere il pop occorra lavorare sul segnale quindi sul interruttore.
Ma non sono riuscito a capire come puoi mettere un solo muting per tutti i relay.
Poi il sistema è efficace se messo primo o dopo "l'interruttore"...dall'allegato spero si capisca cosa intendo...
-
Allegati
-

-
davidefender
- Garzone di Roger Mayer

- Messaggi: 1437
- Iscritto il: 11/02/2008, 23:51
- Località: Roma
-
Contatta:
Messaggio
da davidefender » 21/06/2009, 12:26
Ciao!
non ho capito una cosa.. ma tu dove metteresti il segnale? li i sembra sia un circuito solo per l'accensione del led giusto? L'utilizzo dei relè viene fatto principalemnte per garantirsi il risultato true bypass, se vuoi mantenere questa caratteristica devi necessariamente lavorare sulla bobina! se invece vui mettere transistor sul segnale (come gli schemi di qualche post fa) allora non è più quel puro true-bypass che tutti cercano.. è una questione di scelte

o un pò di pop, o true bypass... ho cpaito bene la tua domanda?

La teoria è quando si sa tutto ma non funziona niente. La pratica è quando funziona tutto ma non si sa il perché. In ogni caso si finisce sempre con il coniugare la teoria con la pratica: non funziona niente e non si sa il perché.
(Albert Einstein)
-
mario.ferroni
- Diyer Esperto

- Messaggi: 385
- Iscritto il: 14/08/2008, 19:42
Messaggio
da mario.ferroni » 21/06/2009, 15:26
Il led lo uso per provare il circuito nel programma... red_face non centra niente con il segnale...
Non sono d'accordo con il discorso del transistor sul segnale, in pratica il segnale non ci passa nel transistor se non del momento in cui il rele switcha (circa 3ms) poi il transistor sta li buono buono da una parte...
Questo sempre se ho capito qualcosa di questo muting che usa la mesaboogie...
-
davidefender
- Garzone di Roger Mayer

- Messaggi: 1437
- Iscritto il: 11/02/2008, 23:51
- Località: Roma
-
Contatta:
Messaggio
da davidefender » 21/06/2009, 18:30
mm guarda è molto più probabile che sono io che non ho capito.. ma non ho capito di questo transistor "buono buono"... nel senso.. se ho capito bene dovrebbe essere il seganle al posto dei 12V, giusto? e al posto del led ci sarebbe il circuito di out?
non è ben capito scusa... red_face
La teoria è quando si sa tutto ma non funziona niente. La pratica è quando funziona tutto ma non si sa il perché. In ogni caso si finisce sempre con il coniugare la teoria con la pratica: non funziona niente e non si sa il perché.
(Albert Einstein)