Mentre aspetto che mi arrivino le finali nuove nuove per la mia testata stavo pensando a una mod
Vorrei poter utilizzare in modo "dinamico" (cioè mentre suono) i 2 canali dell'ampli. Per poterlo fare mi sono venuti in
mente un paio di modi:
1- switch a relè
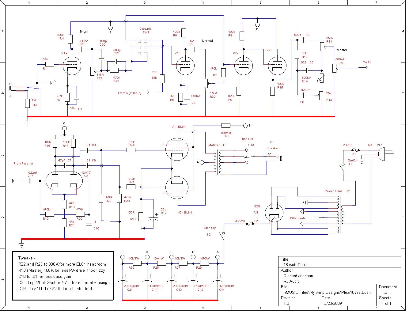
2- aggiungere un secondo ingresso strumento che vada direttamente in V1b (dove sullo schema è segnato From X(at input). E' un'idea
che mi è venuta guardando lo schema dell'HotCat. In pratica si tratterebbe poi di switchare i due canali con un A/B box esterno. E per ovviare al problema del volume più basso del canale pulito pensavo di usare un micro amp o un clean boost dopo l'A/B box (sempre attaccato solo sul cavo che va all'ingresso pulito) o montato direttamente dentro l'A/B box ma sempre solo sul canale pulito...
Che ne pensate? E' fattibile o c'è qualche controindicazione troppo grossa? Tipo dei mega pop, bump, ecc...?!
Grazie, ciao a tutti!!!

