Sostieni il forum con una donazione! Il tuo contributo ci aiuterà a rimanere online!
Immagine

Switcher programmabile

Tutto ciò che riguarda l'elettronica digitale, dalla porta not al protocollo midi... e oltre!
Avatar utente
jackson
Diyer Esperto
Diyer Esperto
Messaggi: 402
Iscritto il: 24/01/2010, 12:44
Località: Curno (BG)

Switcher programmabile

Messaggio da jackson » 27/06/2010, 3:12

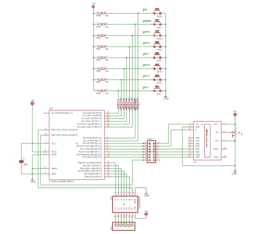
Ispirato dal midiswitcher di Davidefender  :fonz:  ho pensato di fare un più semplice switcher programmabile sfruttando un microcontrollore. Questo switcher è composto da 2 'linee', la prima (per 4 effetti) da usare in front all'ampli, la seconda (per 2 effetti) da usare in send&return.
Inoltre c'è un'uscita per il cambio canale dell'ampli. Tramite i 2 display visualizzo il n° della patch che sto utilizzando, e con i pulsanti richiamo una configurazione precedentemente memorizzata. Al momento devo ancora pensare come impostare la procedura di programmazione. il microC che userò è un atmega, che programmerò tramite Arduino. Allego lo schema dello switcher, sperando di non aver fatto stupidate. nel caso segnalatemele che provvederò a correggere.

:bye1:

Jack!
Allegati
Switcher Prg_2.jpg
Switcher Prg_1.jpg
Immagine
Immagine

Avatar utente
jackson
Diyer Esperto
Diyer Esperto
Messaggi: 402
Iscritto il: 24/01/2010, 12:44
Località: Curno (BG)

Re: Switcher programmabile

Messaggio da jackson » 29/06/2010, 21:03

Perchè uno scarsissimo display a 2 cifre e non un bel LCD ???
Perchè mi avrebbe occupato troppe porte I/O!
Ma potevi gestirlo via seriale, no :tapai:
La cosa si sarebbe complicata troppo, per il primo progetto, semplicità :numb1:
Comunque anche con 2 sole cifre posso memorizzare 100 settaggi, o sfruttando i pulsanti, addirittura 600 :surpr:
La posizione '00' la volevo usare per il comando diretto dei singoli S/R, può venire sempre utile :hummm_1:

:salu:
Jack!
Immagine
Immagine

Avatar utente
davidefender
Garzone di Roger Mayer
Garzone di Roger Mayer
Messaggi: 1437
Iscritto il: 11/02/2008, 23:51
Località: Roma
Contatta:

Re: Switcher programabile

Messaggio da davidefender » 29/06/2010, 22:33

jackson ha scritto: Perchè uno scarsissimo display a 2 cifre e non un bel LCD ???
Perchè mi avrebbe occupato troppe porte I/O!
ma sei sicuro?
http://arduino.cc/en/Reference/LiquidCrystalConstructor
:face_green:
io ne conto ...sei! :seetest:

Avatar utente
jackson
Diyer Esperto
Diyer Esperto
Messaggi: 402
Iscritto il: 24/01/2010, 12:44
Località: Curno (BG)

Re: Switcher programabile

Messaggio da jackson » 29/06/2010, 23:27

:mart: hai ragione Davidefender ! ma a livello software :hummm_1: diciamo che per la versione 1.0 prenderò in considerazione l'uso del LCD!

OT. tu che 6 moderatore puoi modificare il titolo del 3D ed aggiungere la "m" che manca a "programabile" ???

:salu:
Jack!

Avatar utente
davidefender
Garzone di Roger Mayer
Garzone di Roger Mayer
Messaggi: 1437
Iscritto il: 11/02/2008, 23:51
Località: Roma
Contatta:

Re: Switcher programabile

Messaggio da davidefender » 30/06/2010, 9:11

jackson ha scritto::mart: hai ragione Davidefender ! ma a livello software :hummm_1: diciamo che per la versione 1.0 OT. tu che 6 moderatore puoi modificare il titolo del 3D ed aggiungere la "m" che manca a "programabile" ???
:numb1: :fonz:

P.S. ma per l'LCD a livello di software è banalissimo! praticamente quello che devi sasper fare è richiamare lcd.print("Hello World").. a me sembra fattibile :face_green:

Avatar utente
jackson
Diyer Esperto
Diyer Esperto
Messaggi: 402
Iscritto il: 24/01/2010, 12:44
Località: Curno (BG)

Re: Switcher programmabile

Messaggio da jackson » 30/06/2010, 12:53

davidefender ha scritto: :numb1: :fonz:

P.S. ma per l'LCD a livello di software è banalissimo! praticamente quello che devi sasper fare è richiamare lcd.print("Hello World").. a me sembra fattibile :face_green:
Vero, ma un LCD vuol dire poter dare i nomi ai preset, e la cosa mi da l'impressione che implichi qualche linea di software in più :hummm_1:
ovvio che sarebbe più figo, ma per ora mi accontento!

:salu:
Jack!

Avatar utente
davidefender
Garzone di Roger Mayer
Garzone di Roger Mayer
Messaggi: 1437
Iscritto il: 11/02/2008, 23:51
Località: Roma
Contatta:

Re: Switcher programmabile

Messaggio da davidefender » 30/06/2010, 13:01

bhè, per ora potresti usare l'LCD solo per visualizzare i numeri! ed in più avresti l'hardware pronto in caso volessi potenziarlo... cioè non ho mai sentito di uno che non monta una cosa.. altrimenti ci si potrebbe fare di più! :face_green:

Avatar utente
jackson
Diyer Esperto
Diyer Esperto
Messaggi: 402
Iscritto il: 24/01/2010, 12:44
Località: Curno (BG)

Re: Switcher programmabile

Messaggio da jackson » 30/06/2010, 13:13

Tu non ti arrendi, eh Davide? mi stai quasi convincendo a mettere LCD. Farò uno "studio" dei costi :lol1: e valuterò :mart:
Altra questione: l'alimentazione! Piccolo alimentatore x i 5V dell'elettronica o dare anche l'alimentazione per i pedali ??? perchè in questo caso sarebbe buona cosa tenere 2 alimentazioni separate per i pedali, una per la catena in front e una per la catena in S/R.
Ciò porterebbe ad un case piuttosto ingombrante :hummm_1:

:salu:
Jack!

Avatar utente
Zanna
Garzone di Roger Mayer
Garzone di Roger Mayer
Messaggi: 1262
Iscritto il: 27/03/2007, 18:15
Località: Ravenna

Re: Switcher programmabile

Messaggio da Zanna » 30/06/2010, 16:14

Sto seguendo in silenzio il topic.
Mi permetto di dire la mia: io metterei le alimentazioni per i pedali all'esterno e indipendenti.
1 - mi piace sapere con cosa alimento i pedali e se qualcosa non va ho tutto sott'occhio
2 - eviti problemi di loop di massa, rumori molesti ecc.
3 - viene un lavorino più compatto e magari più ordinato
4 - non devi mettere tante prese per i 9v dei pedali

Questa è la mia opinione. :salu:

Buon lavoro!

Avatar utente
jackson
Diyer Esperto
Diyer Esperto
Messaggi: 402
Iscritto il: 24/01/2010, 12:44
Località: Curno (BG)

Re: Switcher programmabile

Messaggio da jackson » 01/07/2010, 0:59

Permettiti pure Zanna :lol1: ogni consiglio idea è sempre ben accetto. :Gra_1:
quindi:
1 - concordo. se c'è un problema all'alimentatore ed è esterno, lo cambio al volo e via.
2 - avrei comunque previsto 2 alimentatori separati e indipendenti.
3 - concordo. la compattezza è cosa molto buona, per evitare pedaliere di qualche mq :face_green:
4 - ne avrei messe comunque una per loop, e via di cavetto a più spinotti.

concludendo: l'alimentazione dei pedali la lascio fuori.
per i display, tu che ne pensi Zanna ??? l'LCD è figo, e, a quanto pare, neanche di difficile questione. I 7segmenti io li ho già, e ho fatto una prova per il comando con Arduino, quindi sarei a posto..... :hummm_1:

:salu:
Jack!

Avatar utente
Zanna
Garzone di Roger Mayer
Garzone di Roger Mayer
Messaggi: 1262
Iscritto il: 27/03/2007, 18:15
Località: Ravenna

Re: Switcher programmabile

Messaggio da Zanna » 01/07/2010, 10:18

Beh, se sai fare io metterei già un bel display LCD.
Io di controller, processori e software di programmazione pic e cose simili non ci capisco molto, ho solo qualche reminiscenza universitaria. Penso però che convenga perderci un po' più di tempo, tempo però speso a imparare come funziona (per le prossime volte :lol1: ). In più fai un progetto un po' più definitivo che non necessita di essere ripreso una volta che tu voglia ampliare la situazione software.

Avatar utente
jackson
Diyer Esperto
Diyer Esperto
Messaggi: 402
Iscritto il: 24/01/2010, 12:44
Località: Curno (BG)

Re: Switcher programmabile

Messaggio da jackson » 01/07/2010, 20:47

Allora, per risolvere la diatriba LCD/7segmenti la soluzione è prevederle entrambe, portando su connettore i 6 segnali del uC che li controllano!!!
Allego schema con LCD!

:salu:
Jack!
Allegati
Switcher Prg_1-LCD.jpg
Immagine
Immagine

Avatar utente
davidefender
Garzone di Roger Mayer
Garzone di Roger Mayer
Messaggi: 1437
Iscritto il: 11/02/2008, 23:51
Località: Roma
Contatta:

Re: Switcher programmabile

Messaggio da davidefender » 02/07/2010, 10:41

jackson ha scritto:Allora, per risolvere la diatriba LCD/7segmenti la soluzione è prevederle entrambe, portando su connettore i 6 segnali del uC che li controllano!!!
è sicuramente un'ottima soluzione! :face_green:

Avatar utente
jackson
Diyer Esperto
Diyer Esperto
Messaggi: 402
Iscritto il: 24/01/2010, 12:44
Località: Curno (BG)

Re: Switcher programmabile

Messaggio da jackson » 02/07/2010, 14:15

:numb1:
Allora non mi resta che procurarmi un LCD 2x16 e cominciare a fare qualche prova :face_green:

:salu:
Jack!
Immagine
Immagine

Avatar utente
jackson
Diyer Esperto
Diyer Esperto
Messaggi: 402
Iscritto il: 24/01/2010, 12:44
Località: Curno (BG)

Re: Switcher programmabile

Messaggio da jackson » 06/07/2010, 16:18

ma secondo voi, all'ingresso della catena 1 (front ampli) sarebbe buona cosa metterci un buffer ??? magari anche un semplice inseguitore di tensione, che ne dite ?

:salu:
jack!
Immagine
Immagine

Rispondi