Sostieni il forum con una donazione! Il tuo contributo ci aiuterà a rimanere online!
Immagine

Induttore per graphic EQ o Alternativa ?

Discussioni di carattere generale sugli amplificatori valvolari...
Avatar utente
Kagliostro
Amministratore
Amministratore
Messaggi: 9985
Iscritto il: 03/12/2007, 0:16
Località: Prov. di Treviso

Re: Induttore per graphic EQ o Alternativa ?

Messaggio da Kagliostro » 24/12/2013, 20:07

Quello è uno

l'altro è questo

Immagine

K

MapleMarco
Roger Mayer Jr.
Roger Mayer Jr.
Messaggi: 2658
Iscritto il: 02/06/2012, 14:22
Località: Mirano (VE)

Re: Induttore o Alternativa per graphic EQ

Messaggio da MapleMarco » 24/12/2013, 20:09

il Parametric Mid Scoop mi sembrerebbe più efficace per lo scopo...

non capisco molto il controllo Tilt sul secondo..trancia tutti gli alti?!
CHE DIO B'ASSISTA!

Avatar utente
Kagliostro
Amministratore
Amministratore
Messaggi: 9985
Iscritto il: 03/12/2007, 0:16
Località: Prov. di Treviso

Re: Induttore per graphic EQ o Alternativa ?

Messaggio da Kagliostro » 24/12/2013, 20:15

Il Tilt è quello del Big Muff

K

MapleMarco
Roger Mayer Jr.
Roger Mayer Jr.
Messaggi: 2658
Iscritto il: 02/06/2012, 14:22
Località: Mirano (VE)

Re: Induttore per graphic EQ o Alternativa ?

Messaggio da MapleMarco » 25/12/2013, 13:23

provato il parametric mid scoop sia in output sia nel loop...

niente da fare..abbatte completamente l'headroom!! e su quel poco di botta che resta effettivamente ci regola i medi...

mi sa che uno "scooping" passivo sul mark proprio non ci sta!!
CHE DIO B'ASSISTA!

Avatar utente
felix
Diyer Esperto
Diyer Esperto
Messaggi: 468
Iscritto il: 18/06/2007, 9:31
Località: Torino

Re: Induttore per graphic EQ o Alternativa ?

Messaggio da felix » 26/12/2013, 12:56

vi mando due link interessanti sul calcolo delle induttanze per bobine assiali
http://www.biagiobarberino.it/bobine.htm
e per nuclei toroidali ;)
http://www.biagiobarberino.it/toroidi.htm

Avatar utente
Kagliostro
Amministratore
Amministratore
Messaggi: 9985
Iscritto il: 03/12/2007, 0:16
Località: Prov. di Treviso

Re: Induttore per graphic EQ o Alternativa ?

Messaggio da Kagliostro » 27/12/2013, 10:10

Marco Guarda un po' questi
Middle Tone Control.jpg
Double Six.jpg
In pratica si trata di aggiungere il solo controllo dei medi senza altre aggiunte

K

MapleMarco
Roger Mayer Jr.
Roger Mayer Jr.
Messaggi: 2658
Iscritto il: 02/06/2012, 14:22
Località: Mirano (VE)

Re: Induttore per graphic EQ o Alternativa ?

Messaggio da MapleMarco » 27/12/2013, 13:04

L'ho appena realizzato e lo sto provando..

sembrerebbe funzionare meglio dei precedenti, però taglia tutti i bassi di fondo..quelli che vengono fuori col palm-mute per intenderci!!

devo studiarci un pò su...ma dopo i due stadi lead la mark ha un filtro 220k//250p...magari sostituendo questo con quel sistema di mid cut, poi i due stadi del loop recupererebbero l'headroom e quindi ci sarebbe di nuovo botta sui bassi....o sbaglio?
secondo voi è una strada percorribile??
CHE DIO B'ASSISTA!

MapleMarco
Roger Mayer Jr.
Roger Mayer Jr.
Messaggi: 2658
Iscritto il: 02/06/2012, 14:22
Località: Mirano (VE)

Re: Induttore per graphic EQ o Alternativa ?

Messaggio da MapleMarco » 27/12/2013, 14:39

come non detto, toglie gain al 5 stadio e cambia tutta la risposta del pre.

non capisco però perchè non funzioni se messo a fine catena...in teoria dovrebbe tagliare solo una data frequenza, non inscatolare tutto!!!

dove sto sbagliando?!?! :hummm_1:
CHE DIO B'ASSISTA!

Avatar utente
Kagliostro
Amministratore
Amministratore
Messaggi: 9985
Iscritto il: 03/12/2007, 0:16
Località: Prov. di Treviso

Re: Induttore per graphic EQ o Alternativa ?

Messaggio da Kagliostro » 27/12/2013, 15:36

Sinceramente il tuo schema con le commutazioni mi è un po' ostico e non riesco a ricordarmelo

probabilmente servirebbe qualche filtro attivo e non passivo

K

MapleMarco
Roger Mayer Jr.
Roger Mayer Jr.
Messaggi: 2658
Iscritto il: 02/06/2012, 14:22
Località: Mirano (VE)

Re: Induttore per graphic EQ o Alternativa ?

Messaggio da MapleMarco » 27/12/2013, 15:42

si, sto cominciando a credere che se mesa usa un eq o comunque qualche sistema sempre attivo, una ragione c'è :face_green:
CHE DIO B'ASSISTA!

Avatar utente
Kagliostro
Amministratore
Amministratore
Messaggi: 9985
Iscritto il: 03/12/2007, 0:16
Località: Prov. di Treviso

Re: Induttore per graphic EQ o Alternativa ?

Messaggio da Kagliostro » 27/12/2013, 21:04

Forse una 6av6 o banalmente una 12at7 - 12au7 configurata CF prima del TS

farebbe l'adattamento di impedenza sufficiente a non avere una perdita così elevata

K

MapleMarco
Roger Mayer Jr.
Roger Mayer Jr.
Messaggi: 2658
Iscritto il: 02/06/2012, 14:22
Località: Mirano (VE)

Re: Induttore per graphic EQ o Alternativa ?

Messaggio da MapleMarco » 27/12/2013, 23:52

a sto punto bisogna vedere se il gioco vale la candela...
una valvola in più per un mid scoop.....quando con meno soldi e meno spazio c'è la possibilià eq....
beh..

domani parto per una vacanzetta a roma, quindi avrò una settimana per rifletterci :face_green:
CHE DIO B'ASSISTA!

Avatar utente
Kagliostro
Amministratore
Amministratore
Messaggi: 9985
Iscritto il: 03/12/2007, 0:16
Località: Prov. di Treviso

Re: Induttore per graphic EQ o Alternativa ?

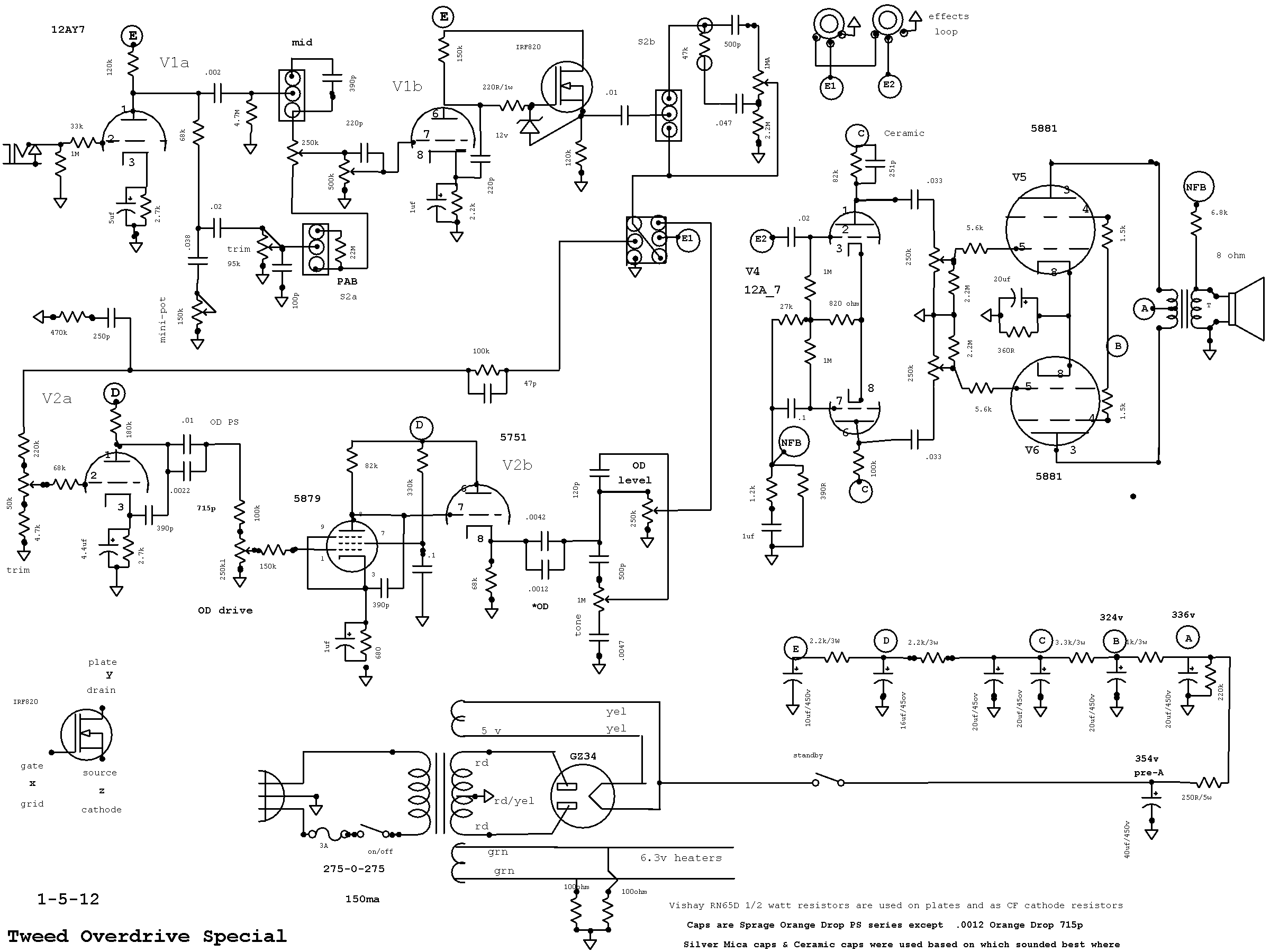
Messaggio da Kagliostro » 28/12/2013, 1:12

E va bene, niente valvola

solo un IRF820 in configurazione SourceFollower

(al posto di un CF) ;)
TOS.png
K

Avatar utente
Kagliostro
Amministratore
Amministratore
Messaggi: 9985
Iscritto il: 03/12/2007, 0:16
Località: Prov. di Treviso

Re: Induttore per graphic EQ o Alternativa ?

Messaggio da Kagliostro » 28/12/2013, 9:52

Marco, giusto per parlare di evitare perdite di livello

prova a leggerti questo tread

http://www.el34world.com/Forum/index.php?topic=16458.0

K

Rispondi