mi sono venuti due dubbi molto stupidi.
1) ho fatto l'ordine di tutto il materiale, e poi guardando la foto della PCB realizzata da MapleMarco, ho notato che lui (nel raddrizzatore) ha 2 grossi condensatori, mentre io non ne ho avuto bisogno...ho sbagliato qualche cosa?
i condensatori che ho preso io da 47u 450 V hanno un diametro di 18 mm
http://it.rs-online.com/web/p/products/6997581/
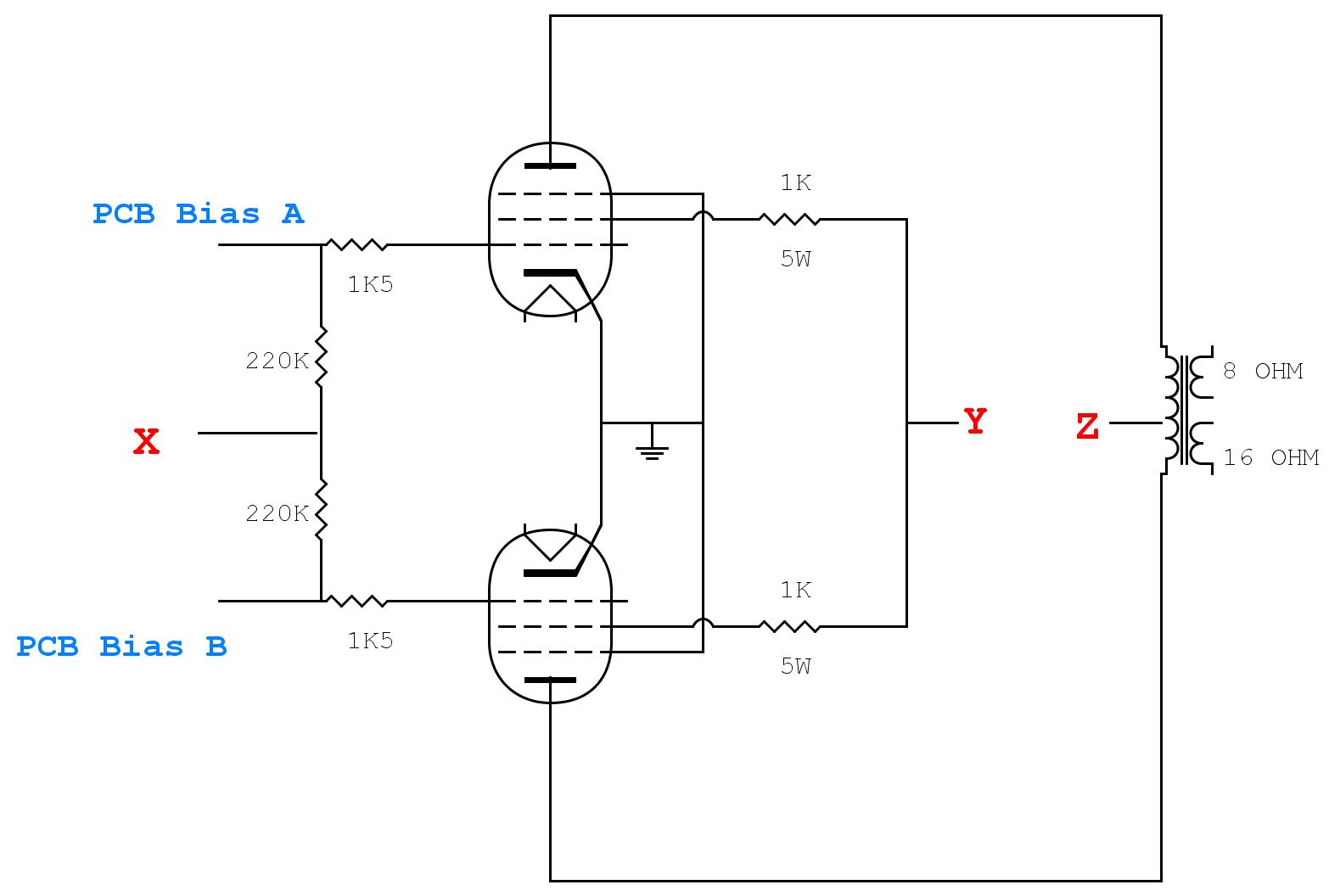
2) domanda forse banale. Come da tuo consiglio ho sostituito le valvole di potenza (erano EL 84) e ho ordinato 2 6v6. Devo modificare qualche valore del finale?? o va bene lo schema Wamp03 che avevo postato in precedenza?


