Preamp DIYItalia atto secondo: pot digitali
Re: Preamp DIYItalia atto secondo: pot digitali
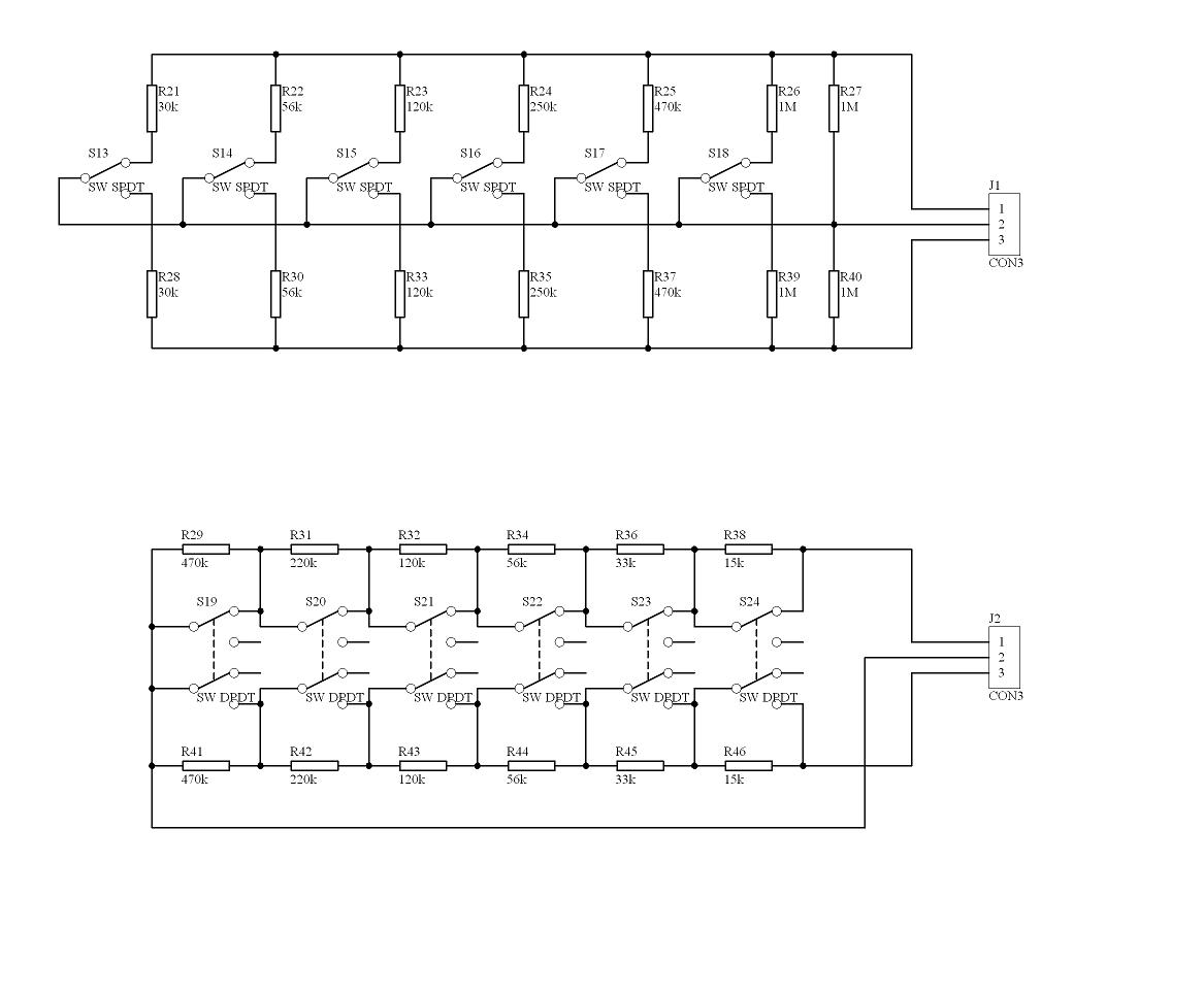
Non riesco a trovare gli schemi dei pot motorizzati del x99. Ho solo questo:
Questo link forse fa al caso vostro:
http://home1.stofanet.dk/hvaba/stepperv ... epper.html
Questo link forse fa al caso vostro:
http://home1.stofanet.dk/hvaba/stepperv ... epper.html
- Kagliostro
- Amministratore
- Messaggi: 9864
- Iscritto il: 03/12/2007, 0:16
- Località: Prov. di Treviso
Re: Preamp DIYItalia atto secondo: pot digitali
Ciao DOM
quello schemino del pot motorizzato l'avevano già postato
, comunque grazie
Chiedevo quello della motorizzazione dell'X99 più che altro per curiosità, Martino ha già le idee chiare di come fare per gestire
i motori, probabilmente siamo arrivati in proprio all'idea di gestirli come nel Soldano e volevo vedere se era così
K
quello schemino del pot motorizzato l'avevano già postato

Chiedevo quello della motorizzazione dell'X99 più che altro per curiosità, Martino ha già le idee chiare di come fare per gestire
i motori, probabilmente siamo arrivati in proprio all'idea di gestirli come nel Soldano e volevo vedere se era così
K
Re: Preamp DIYItalia atto secondo: pot digitali
...kagliostro ha scritto:quello schemino del pot motorizzato l'avevano già postato




- Allegati
-
- preampsch.pdf
- (29.37 KiB) Scaricato 165 volte
- Kagliostro
- Amministratore
- Messaggi: 9864
- Iscritto il: 03/12/2007, 0:16
- Località: Prov. di Treviso
Re: Preamp DIYItalia atto secondo: pot digitali
Non so, mi da come l'idea che si sia tentato di riprodurre il circuito con dei relè anziché usando degli LDR
lo schema con la circuitazione ad integrati non riesco a seguirlo, sicuramente Clostry qualcosa in più ne capirà
La seconda pagina del pdf con lo schema sembra essere relativa ad una mod da fare all'X99 per ridurne l'humm (forse eccessivo)
grazie per la documentazione
K
lo schema con la circuitazione ad integrati non riesco a seguirlo, sicuramente Clostry qualcosa in più ne capirà
La seconda pagina del pdf con lo schema sembra essere relativa ad una mod da fare all'X99 per ridurne l'humm (forse eccessivo)
grazie per la documentazione
K
Re: Preamp DIYItalia atto secondo: pot digitali
E` come dici Kagliostro.
C'e` un "pot a rele`" a 5 posizioni tra il primo diodo e secondo diodo, piu` altri switch, in uscita c'e un equalizzatore grafico a controllo digitale (che accetta 2 Vrms max) e il tutto e` gestito da un atmega.
Per il discorso dei pot quei bourns 82 sarebbero ottimi.. ma non li trovo in versione stereo
EDIT:
Questi vanno bene!!! http://www.bourns.com/data/global/pdfs/91_95.pdf
Basta scegliere la sigla giusta... Tipo 93A2A-A28-C23-C23
C'e` un "pot a rele`" a 5 posizioni tra il primo diodo e secondo diodo, piu` altri switch, in uscita c'e un equalizzatore grafico a controllo digitale (che accetta 2 Vrms max) e il tutto e` gestito da un atmega.
Per il discorso dei pot quei bourns 82 sarebbero ottimi.. ma non li trovo in versione stereo

EDIT:
Questi vanno bene!!! http://www.bourns.com/data/global/pdfs/91_95.pdf

Basta scegliere la sigla giusta... Tipo 93A2A-A28-C23-C23
Re: Preamp DIYItalia atto secondo: pot digitali
Il problema è solo che quei bourns costano circa 20 cucuzze l'uno...
- Kagliostro
- Amministratore
- Messaggi: 9864
- Iscritto il: 03/12/2007, 0:16
- Località: Prov. di Treviso
Re: Preamp DIYItalia atto secondo: pot digitali
Sì, per i singoli .... temo che gli stereo costino un po' di più
K
K
Re: Preamp DIYItalia atto secondo: pot digitali
Scusate, ma dove avete trovato sti prezzi?
A parte i valori andrebbero bene anche questi per i lineari, no? http://it.rs-online.com/web/p/potenziometri/6928682/
PS.: hanno l'albero in plastica, ma a guardare altri modelli c'e` una differenza di 1.5-2 euro con quelli in metallo. Se serve piu` potenza c'e` il cermet, ma anche li` la differenza non e` abissale. L'unico problema e` che i modelli papabili non si trovano, ma credo si possa contattare direttamente il produttore
A parte i valori andrebbero bene anche questi per i lineari, no? http://it.rs-online.com/web/p/potenziometri/6928682/
PS.: hanno l'albero in plastica, ma a guardare altri modelli c'e` una differenza di 1.5-2 euro con quelli in metallo. Se serve piu` potenza c'e` il cermet, ma anche li` la differenza non e` abissale. L'unico problema e` che i modelli papabili non si trovano, ma credo si possa contattare direttamente il produttore
Ultima modifica di Clostry il 27/12/2014, 11:53, modificato 1 volta in totale.
- Kagliostro
- Amministratore
- Messaggi: 9864
- Iscritto il: 03/12/2007, 0:16
- Località: Prov. di Treviso
Re: Preamp DIYItalia atto secondo: pot digitali
Effettivamente la serie 91 costa meno della serie 82 (molto meno) pur avendo sempre i 100.000 cicli di funzionamento
K
K
Re: Preamp DIYItalia atto secondo: pot digitali
Riprendiamo...
Clostry, so che sarà un lavoraccio, ma visto che avevi spulciato tutti i pot digitali, mi ricordo bene se dico che ce ne erano di SMD che sarebbero stati utili ai nostri scopi?
Robi ha trovato questi adattatori, potrebbero venirci molto utili in questo caso!!
http://www.futurlec.com/SMD_Adapters.shtml
Clostry, so che sarà un lavoraccio, ma visto che avevi spulciato tutti i pot digitali, mi ricordo bene se dico che ce ne erano di SMD che sarebbero stati utili ai nostri scopi?
Robi ha trovato questi adattatori, potrebbero venirci molto utili in questo caso!!
http://www.futurlec.com/SMD_Adapters.shtml
Re: Preamp DIYItalia atto secondo: pot digitali
Sì, nel senso che tutti quelli marchiati "high voltage" sono smd. Resta comunque il limite di 38V picco picco...
Re: Preamp DIYItalia atto secondo: pot digitali
Beh, però 38vpp sono già meglio che 5vpp!
- Kagliostro
- Amministratore
- Messaggi: 9864
- Iscritto il: 03/12/2007, 0:16
- Località: Prov. di Treviso
Re: Preamp DIYItalia atto secondo: pot digitali
Beh, 38v sono già qualcosa, Robi cosa dici ?
K
K
Re: Preamp DIYItalia atto secondo: pot digitali
38Vpp, quindi circa 13Vrms.
Diciamo che possiamo giocarceli sfruttando partitori fissi insieme a pot digitali.
Se un pot da 220k lo dividiamo in 120k fissi e 100k con pot digitale (penso ai trimmer centrali del preamp), andiamo virtualmente ad avere 80Vpp e 30Vrms.
Per l'equalizzatore possiamo ragionare a ritroso (il punto critico mi pare il pot degli alti), considerando un gain di 50x circa per il primo stadio (non posso sapere quale sia il guadagno massimo di quello stadio nelle diverse configurazioni dell'eq). 38Vpp/50 = 0,76Vpp.
Che sia il caso di proteggerli con due diodi in ingresso al preamp?
Dobbiamo anche considerare i transitori di accensione, sarebbe il caso di avere un softstart (alimentiamo tramite una resistenza che poi bypassiamo durante il funzionamento normale).
Diciamo che possiamo giocarceli sfruttando partitori fissi insieme a pot digitali.
Se un pot da 220k lo dividiamo in 120k fissi e 100k con pot digitale (penso ai trimmer centrali del preamp), andiamo virtualmente ad avere 80Vpp e 30Vrms.
Per l'equalizzatore possiamo ragionare a ritroso (il punto critico mi pare il pot degli alti), considerando un gain di 50x circa per il primo stadio (non posso sapere quale sia il guadagno massimo di quello stadio nelle diverse configurazioni dell'eq). 38Vpp/50 = 0,76Vpp.
Che sia il caso di proteggerli con due diodi in ingresso al preamp?
Dobbiamo anche considerare i transitori di accensione, sarebbe il caso di avere un softstart (alimentiamo tramite una resistenza che poi bypassiamo durante il funzionamento normale).