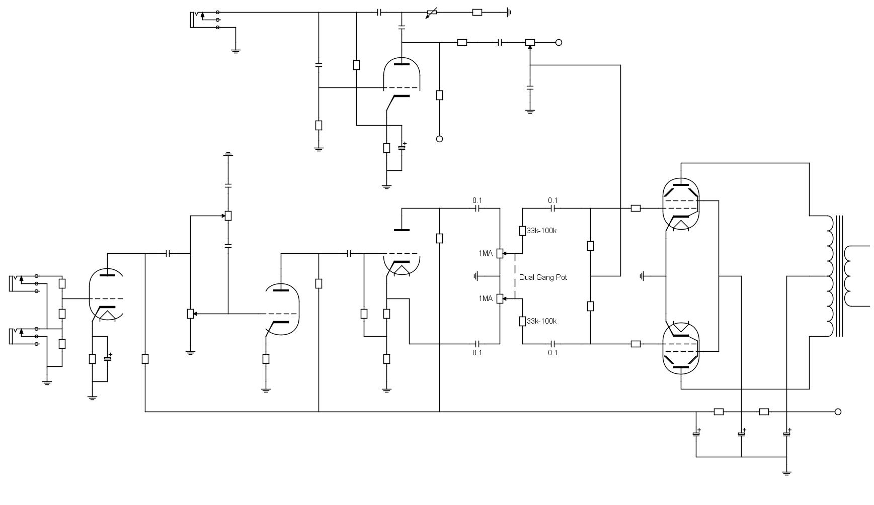
il sistema che ti propongo io si basa su un PPIMV Larmarr
(non ho ancora finito di disegnarlo ma la parte che ti interessa c'è)
I due pot hanno un unico alberino, per cui azionandolo vari il livello del segnale che va a tutte e due le valvole contemporaneamente ed il suono resta PPI pot vanno collegati in modo che il wiper sia a zero con la rotazione completa antioraria
Le due resistenze indicate da 33k fino a 100k vanno scelte sperimentalmente e servono per avere la risposta in frequenza più neutra possibile, altrimenti ruotando i pot un po' il tono potrebbe cambiare
I due pot sono da 1M logaritmici (qualcuno monta anche dei 500k), ma puoi anche usarne di lineari (qualcuno lo fa) e se non trovi quello che vuoi e lo vuoi logaritmico, te lo ricavi da un lineare con il solito sistema della resistenza
Se tu trovi un pot con doppio alberino e quindi puoi comandare separatamente i due rami, se li azioni assieme la funzione è come quella di un PPIMV normale, se invece uno lo porti a zero e l'altro no, ecco che il suono si sposta verso l'SE e ne decidi l'intensità in base alla rotazione del pot come nel Soma
Se invece usi un pot singolo su un solo ramo ecco l'effetto del Soma
K


