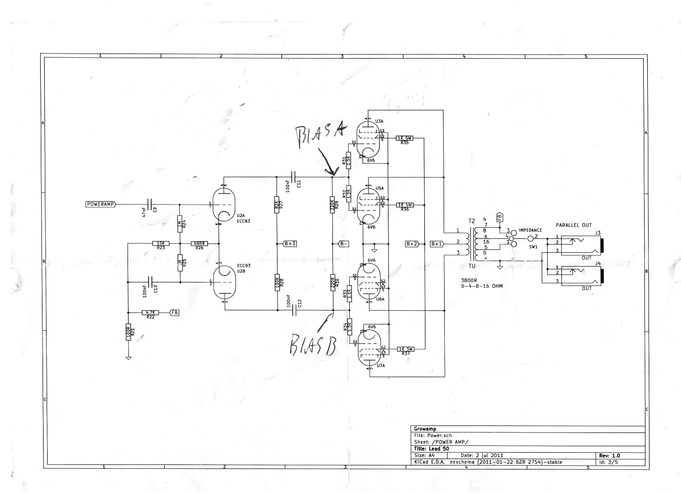
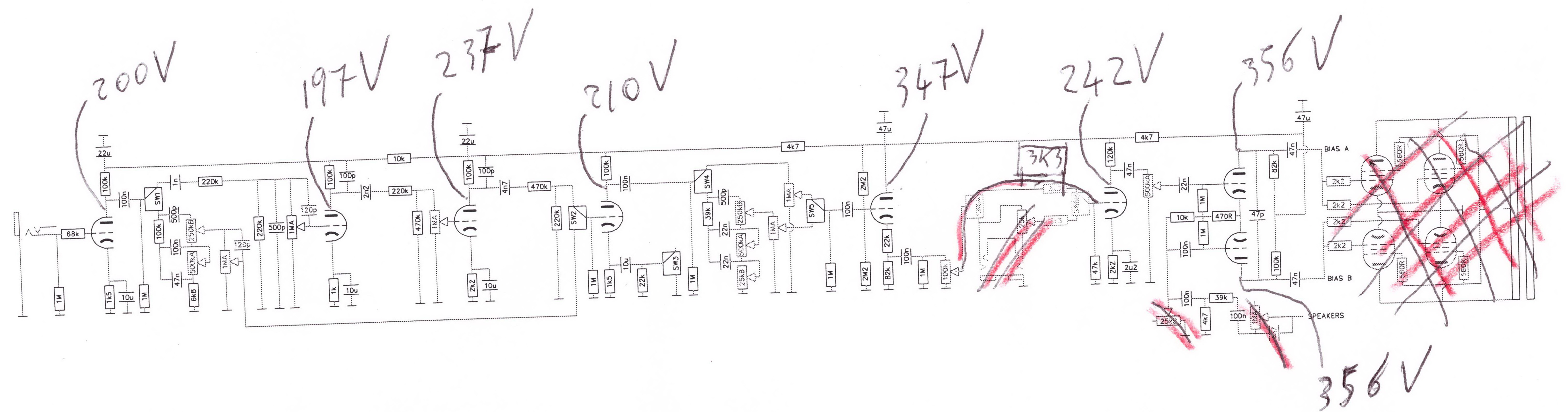
e se fosse un problema nel loop?tonys89 ha scritto:cosa mi consigli di fare?
c'è qualche controllo che posso fare?
io ho sempre il sospetto che i finali non funzionino a dovere.
ho provato a collegare la chitarra prima del return del loop effetti ma non si sente niente.
prova ad entrare nella PI!!
deve sentirsi poco ma sentirsi
se non senti nulla, allora il finale ha qualcosa che non va!



