Ciao a tutti e grazie mille K
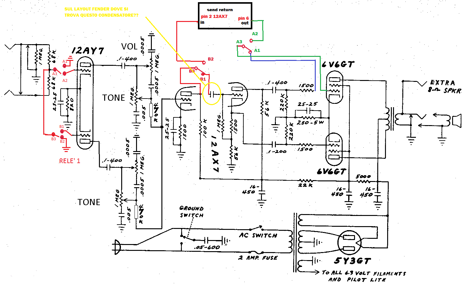
ho gettato su uno schemino su come dovrebbe funzionare il send return.(secondo il mio parere

)
sapendo che l'input del send return è il pin 2 della 12AX7 e l'out il pin 6 della stessa( giusto?) ho disegnato uno schemino a blocchi per far subito
ho dei dubbi su alcuni collegamenti
1) il condensatore che c'è cerchiato in giallo è un componete che non trovo sullo schema originale..infatti non ha valore...
2) premetto: non ho mai trattato push pull.ho collegato l'uscita del S/R alla griglia della 6v6 gt. dovrei fare la stessa cosa all'altra 6v6 gt sottostante?
3) forse ho sbagliato ad impostare il primo relè per selezionare i 2 canali. se uno dei 2 va a massa il segnale dell'input non si cortocircuiterebbe e non si sentirebbe nulla? mi conviene togliere i collegamenti a massa ad A1 e B2 e lasciarli così.