Sostieni il forum con una donazione! Il tuo contributo ci aiuterà a rimanere online!
Immagine

Conversione Ibanez TSA15H in Fender [6G2]

Discussioni di carattere generale sugli amplificatori valvolari...
bill89
Diyer Eroe
Diyer Eroe
Messaggi: 566
Iscritto il: 17/12/2011, 19:16

Re: Conversione Ibanez TSA15H in Fender [6G2]

Messaggio da bill89 » 15/12/2012, 15:10

Il circuito del tone stack è originale apparte una pista tagliata...
Cmq conta che il tsa15h ha il primo stadio di preamplificazione che è transistor... togliendo gli integrati l'ampli non suona...
Il mio giudizio su quest'ampli non è negativo... però è un po' trattenuto... sembra che il suono sia un po' poco arioso... entrando direttamente nel circuito valvolare cambia la qualità degli alti...migliorando e aumenta la dinamica, ma resta quella sensazione di staticità del suono...

vado a fare le foto (ma la scheda ha ancora le modifiche sopra) e la misurazione del bias!

P.S. posso lasciare il TS9 integrato nello chassis con il princeton e selezionarlo con un relay attraverso un pedalino? :hummm_1:

Avatar utente
Kagliostro
Amministratore
Amministratore
Messaggi: 9932
Iscritto il: 03/12/2007, 0:16
Località: Prov. di Treviso

Re: Conversione Ibanez TSA15H in Fender [6G2]

Messaggio da Kagliostro » 15/12/2012, 15:42

Il TS9 sarebbe uno screamer se non ho capito male, solo che di SS non capisco niente

dove starebbe nel circuito originale ?

Del tonestack (del TSA15H) mi interesserebbe se tu disegnassi uno schemino con i valori

però la precedenza alla conversione in 6g2, foto e schemi del vecchio ampli a lavoro finito

K

bill89
Diyer Eroe
Diyer Eroe
Messaggi: 566
Iscritto il: 17/12/2011, 19:16

Re: Conversione Ibanez TSA15H in Fender [6G2]

Messaggio da bill89 » 15/12/2012, 15:59

Ok! lo farò! =)

sono in difficoltà! =(
non sto capendo molto banalmente dove devo posizionare i puntali per misurare a tensione del bias... :muro:
uno sull'uscita del pot(quella che va alle valvole) e l'altro? :muro:

sto misurando qualcosa tra 7V e 15V ma non so cosa sto misurando! :mart: :mart: :mart:

Il TS9 andrebbe posizionato all'ingresso come fosse un pedalino... dovrebbe bastare mettere un switch DPDT per bypassarlo e all'occorrenza inserirlo...

bill89
Diyer Eroe
Diyer Eroe
Messaggi: 566
Iscritto il: 17/12/2011, 19:16

Re: Conversione Ibanez TSA15H in Fender [6G2]

Messaggio da bill89 » 15/12/2012, 16:23

Ho fatto un po' di misure con un puntale sull'uscita del trimmer e l'altro sull'ingresso e l'uscita del circuito (che se ho capito bene dovrebbe essere quello che dovevo fare)
i risultati erano più o meno uguali discostandosi di soli 3 o 4 Volt... siamo tra i 25V e i 37V

Spero di non aver sbagliato ... =P

Avatar utente
Kagliostro
Amministratore
Amministratore
Messaggi: 9932
Iscritto il: 03/12/2007, 0:16
Località: Prov. di Treviso

Re: Conversione Ibanez TSA15H in Fender [6G2]

Messaggio da Kagliostro » 15/12/2012, 19:02

per misurare devi collegare il puntale negativo del tester al cenrale del trimmer, il puntale positivo lo devi collegare al capo della resistenza da 150k che non è collegato al trimmer (dove sono collegati i positivi dei due elettrolitici)

tenendo il positivo nello stesso punto mi interessa anche che tu legga (con il puntale negativo) la tensione che c'è tra il diodo e la resistenza da 47k

Per lo switch, non ho ancora le idee precisissime, comunque guardando questo schema a blocchi direi di si, bisogna fare in modo che il send / return funzionino allo stesso modo

Tu hai mai provato a vedere cosa succedeva collegando direttamente la chitarra al return ?

Mi sa che ho bisogno di un po' di foto dell'interno per capirmi meglio

Comunque il TS9 è su di una board separata, giusto ?

K
Allegati
ibaneztsaschma.png

bill89
Diyer Eroe
Diyer Eroe
Messaggi: 566
Iscritto il: 17/12/2011, 19:16

Re: Conversione Ibanez TSA15H in Fender [6G2]

Messaggio da bill89 » 15/12/2012, 19:15

Vado subito a rifare la misurazione! =)

Prima inserendosi nel return si entrava direttamente nel circuito valvolare senza passare dal ts9 (che preamplificava leggermente il segnale anche da spento).

Praticamente prima all'interno c'erano 3 pcb... una del tonestack, una con ts9 e booster, una con il circuito valvolare vero e proprio... entrando dal return non si passava assolutamente dalla pcb del ts9 e del booster! (trucchetto che ho usato spesso)...

Lo switch dovrebbe far arrivare il segnale o direttamente nel circuito del 6g2 o prima nella pcb del ts9 e poi nel circuito del 6g2

bill89
Diyer Eroe
Diyer Eroe
Messaggi: 566
Iscritto il: 17/12/2011, 19:16

Re: Conversione Ibanez TSA15H in Fender [6G2]

Messaggio da bill89 » 15/12/2012, 19:33

misura rifatta
26V trimmer chiuso
37V trimmer aperto

fra l'altro c'erano anche due puntali chiamati PR1 e PR2 già posizionati... :mart:

tra il diodo e la resistenza da 47k e il punto di prima ho misurato 50V col trimmer sia chiuso che aperto...

giusto? :hummm_1:

Avatar utente
Kagliostro
Amministratore
Amministratore
Messaggi: 9932
Iscritto il: 03/12/2007, 0:16
Località: Prov. di Treviso

Re: Conversione Ibanez TSA15H in Fender [6G2]

Messaggio da Kagliostro » 15/12/2012, 22:07

Se stai misurando la tensione prima del trimmer come fai a pensare che ruotando il trimmer la tensione deve cambiare ?

50v, bene, vuol dire che abbiamo abbastanza tensione negativa per il 6g2

la resistenza da 47k va un po' diminuita in maniera da portare almeno a -40v l'uscita del trimmer

visto che il 6g2 con il suo trasformatore d'uscita andrebbe tarato a -35v, dico -40v giusto per avere un po' più di margine di regolazione

K

bill89
Diyer Eroe
Diyer Eroe
Messaggi: 566
Iscritto il: 17/12/2011, 19:16

Re: Conversione Ibanez TSA15H in Fender [6G2]

Messaggio da bill89 » 15/12/2012, 22:48

Vero, scusa... ma solo ora sto capendo cosa è e cosa fa il bias... fino ad ora per me era solo una scocciatura che mi costringeva a portare l'ampli da un tecnico quando cambiavo le finali! :mart:

Ok, quindi quella resistenza dovrei portarla a 39K?

Poi non capisco come inserire il circuitino del bias che abbiamo misurato nel circuito del 6g2... dove dovrebbe essere inserito c'è il tremolo... =( che si fa?!

stavo iniziando a fare un preventivo dell'ordine e mi sono accorto che nel layout ci dovrebbe essere (sempre che non stia sbagliando) un condensatore triplo come filtro... visto che triplo non lo trovo, posso prenderne uno doppio da lasciare in quella posizione e uno singolo da posizionare poi vicino alle anodiche che alimenta?! al posto di 30uF prendo quindi un 47uF?

Avatar utente
Kagliostro
Amministratore
Amministratore
Messaggi: 9932
Iscritto il: 03/12/2007, 0:16
Località: Prov. di Treviso

Re: Conversione Ibanez TSA15H in Fender [6G2]

Messaggio da Kagliostro » 15/12/2012, 23:08

Beh, non credo che da adesso in avanti porterai l'ampli dal tecnico per regolare il bias

Per la resistenza sì, dovrebbe andar bene, comunque basta provare

Per il punto dove inserire il bias nello schema è marcato con una Y con scritto di fianco -35v ed è vicino al pot "intensity"

Trovato ??

i condensatori li puoi mettere singoli, se non hai problemi di spazio

K

bill89
Diyer Eroe
Diyer Eroe
Messaggi: 566
Iscritto il: 17/12/2011, 19:16

Re: Conversione Ibanez TSA15H in Fender [6G2]

Messaggio da bill89 » 15/12/2012, 23:21

Ok, allora domani proverò la resistenza da 39k o comunque in modo da raggiungere i 50V.

Y trovata... praticamente andrei a sostituire quel circuitino vicino al PT.

Per la taratura del bias in realtà ho ancora qualche dubbio =P ... infatti sto leggendo qualche metodo a riguardo.

Lo standby lo metto dopo il primo condensatore di filtro come nell'originale?!
Quindi in parallelo al primo condensatore di filtro potrei mettere anche una resistenza per far scaricare i condensatori a stendby chiuso.

Ti allego alcune foto delle pcb anche se con le mie modifiche
Allegati
14.jpg
13.jpg
12.jpg

Avatar utente
Kagliostro
Amministratore
Amministratore
Messaggi: 9932
Iscritto il: 03/12/2007, 0:16
Località: Prov. di Treviso

Re: Conversione Ibanez TSA15H in Fender [6G2]

Messaggio da Kagliostro » 15/12/2012, 23:42

Grazie per le foto

Per la regolazione del bias nello schema è specificato -35v e per partire tale regolazione può bastare

si possono poi applicare vari metodi, quello della resistenza da 1ohm probabilmente è semplice, efficace e meno pericoloso di andare ad armeggiare sull'anodica

poi si può arrivare fino all'uso dell'oscilloscopio, ma se ne può fare a meno

meglio limitare la tensione a max -40v

Per lo standby studia un po' qui e dopo dimmi come vorresti fare

http://www.valvewizard.co.uk/standby.html

K

bill89
Diyer Eroe
Diyer Eroe
Messaggi: 566
Iscritto il: 17/12/2011, 19:16

Re: Conversione Ibanez TSA15H in Fender [6G2]

Messaggio da bill89 » 16/12/2012, 0:12

Ok! sicuramente lo switch non lo metteremo dove ho detto io! :face_green:
potremmo metterlo prima del ponte di diodi con una resistenza in parallelo!

l'altra idea comporterebbe di dover cambiare lo switch dell'ampli che se ho capito bene dovrebbe essere dpdt per staccare anche i filamenti... per non parlare del mio caso dove ho i filamenti delle finali alimentati in alternata e quelli del pre in continua...
sempre che non ci sia una soluzione semplice per farlo! e allora naturalmente sarebbe meglio questo! =)

bill89
Diyer Eroe
Diyer Eroe
Messaggi: 566
Iscritto il: 17/12/2011, 19:16

Re: Conversione Ibanez TSA15H in Fender [6G2]

Messaggio da bill89 » 16/12/2012, 2:39

Il sito da cui mi hai linkato la pagina sugli switch è fantastico!!!
Penso che piano piano lo leggerò tutto... soprattutto perchè vorrei capire come funziona il circuito del tremolo!

Ho letto letto questa pagina...
http://www.valvewizard.co.uk/cathodyne.html

Sai che avevo dei dubbi al riguardo... spiega come ottimizzare quel tipo di PI

Parla di come ottenere più swing (che se ho capito bene dovrebbe essere un'ampiezza maggiore delle oscillazioni) ed eliminare i problemi legati ad essa (soprattutto la cattiva qualità degli overdrive visto che altri problemi sono in parte recuperati dal finale AB).
Consiglia di dare un carico più ampio e per questo mi sa che bisognerebbe stravolgere il progetto. :hummm_1:
Però soprattutto consiglia un grid-stopper (che se ho capito bene è una resistenza prima della griglia sul circuito del segnale) assicurando che non dovrebbe dare problemi di risposta in frequenze, ma che dovrebbe aiutare a controllare la corrente tra anodo e catodo evitando qualche problema.

poi ho letto questo
http://www.valvewizard.co.uk/gridstopper.html
dove semplicemente conferma quanto ha detto...

Sul circuito originale del 6G2 non è riportata questa resistenza... tu credi possa essere utile? o addirittura dannosa?
eventualmente il valore potrebbe essere anche scelto "ad orecchio" usando un trimmer e poi successivamente sostituendolo con una resistenza?

per lo switch dello standby pensandoci potrebbe dunzionare un relay a 12V (gli stessi che alimentano il ts9) 3dpt...

Avatar utente
Kagliostro
Amministratore
Amministratore
Messaggi: 9932
Iscritto il: 03/12/2007, 0:16
Località: Prov. di Treviso

Re: Conversione Ibanez TSA15H in Fender [6G2]

Messaggio da Kagliostro » 16/12/2012, 11:56

Sono contento del tuo entusiasmo che non vorrei frenare

ma, ad onor del vero, per lo standby ti ho dato il link perchè tu potessi scegliere come implementarlo solo perchè nel tuo ampli c'è lo switch che altrimenti resterebbe inutilizzato

fare lo standby anche sui filamenti, bella cosa, ma tutto sommato lo standby (in generale) non è che serva poi a molto, personalmente preferisco un mute

francamente, non ti ci vedo a lasciare l'ampli acceso ed inutilizzato per ore .......

per cui opterei per una soluzione semplice, magari switch prima del ponte (con o senza resistenza) o diodo tra switch e primo cap

per la questione concertina .......... meglio montare l'ampli come da progetto, poi, casomai fai un upgrade (per inciso non mi risulta che sia una modifica in voga sui 6g2)

per la grid stopper, ma il 6g2 non ha già delle resistenze da 1500ohm ? o ricordo male ?

piuttosto, se l'effetto SAG della resistenza che metteremo non ti dovesse bastare si potrebbe fare, come ti dicevo, con il sistema Mesa Boogie

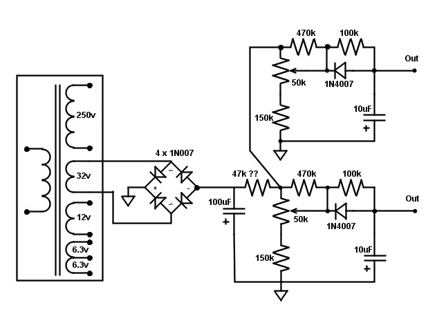
per il bias ho dei compiti per casa per te

devi montare questo circuitino e provarlo (vds immagine allegata)

a proposito procurati un paio di resistenze da 1ohm (le più precise che puoi trovare) che le inseriamo fisse tra catodo di ogni finale e massa

perchè due ? perchè con il circuitino del bias che ti ho postato vorrei alimentare ogni valvola separatamente in modo da poter compensare eventuali differenze tra le due e la relativa corrente la leggeresti ai capi delle resistenze da 1ohm (leggi in mV ed essendo la resistenza da 1ohm sono subito mA)

---

Ho chiesto per le eventuali differenze di suono tra 7025 e 12ax7, in pratica non ce ne sono, le 7025 sono indicate per essere meno microfoniche il che è la caratteristica delle 12ax7a, comunque una 12ax7 che non abbia di suo dei problemi, suona come una 7025

---

Lo schemino del bias inizialmente lo puoi provare solo per una sezione, al posto dei 4 diodi, per il ponte, puoi usare un piccolo ponte da 100v-200v 1A circa

Lo provi e mi fai le stesse misure che ti ho fatto fare per il circuito originale (in pratica le tensioni presenti all'Out con il trimmer tutto da una parte e poi tutto dall'altra e le tensioni presenti tra le resistenze da 47k e il trimmer

EDIT: Come grid stopper intendevi sul Concertina e non sulle finali ?

K
Allegati
Bias Doppio.jpg

Rispondi