---------
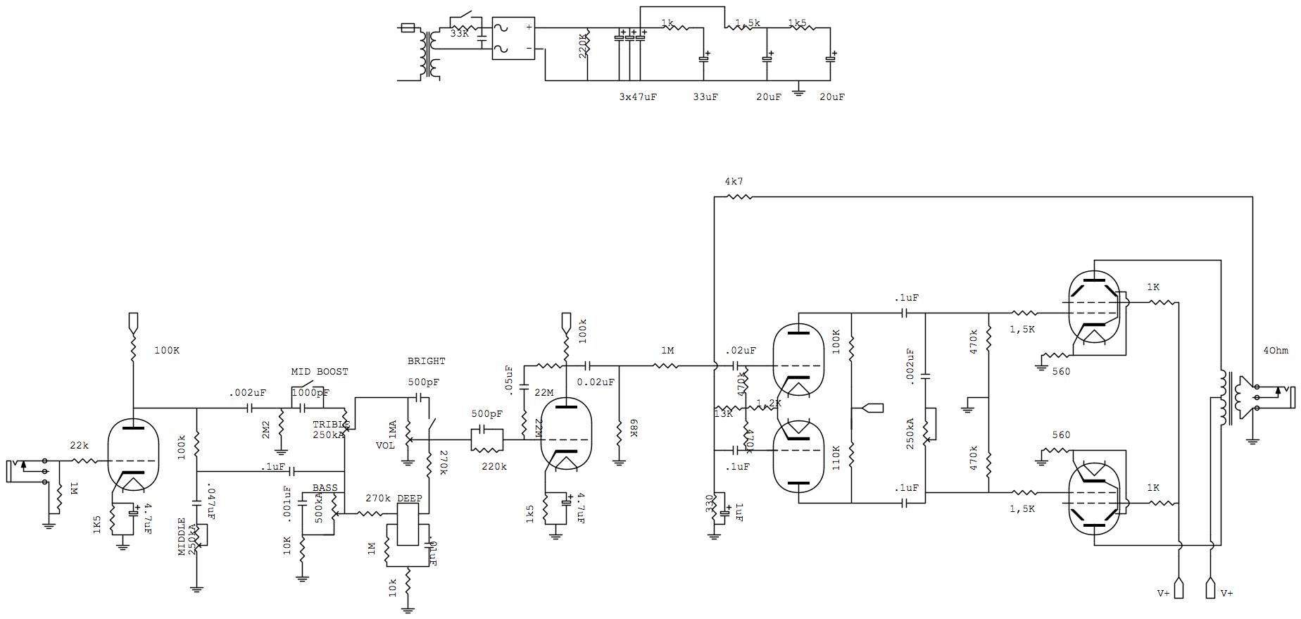
La resistenza da 68K dopo V1b dello schema precedente potrei inserirla tra due condensatori di disaccoppiamento ma andrei a costituire un'ulteriore filtro... quindi penso non mi convenga...
non escludo di lasciare il partitore di tensione sul plate di V1a non suona mi pare sia abbastanza trasparente come mod...
X mastrococco:
Sul mac dovrei lavorare in boot... mi devo ancora attrezzare..
Ho scaricato la raccolta... grazie mille! =)


