Ciao a tutti !!
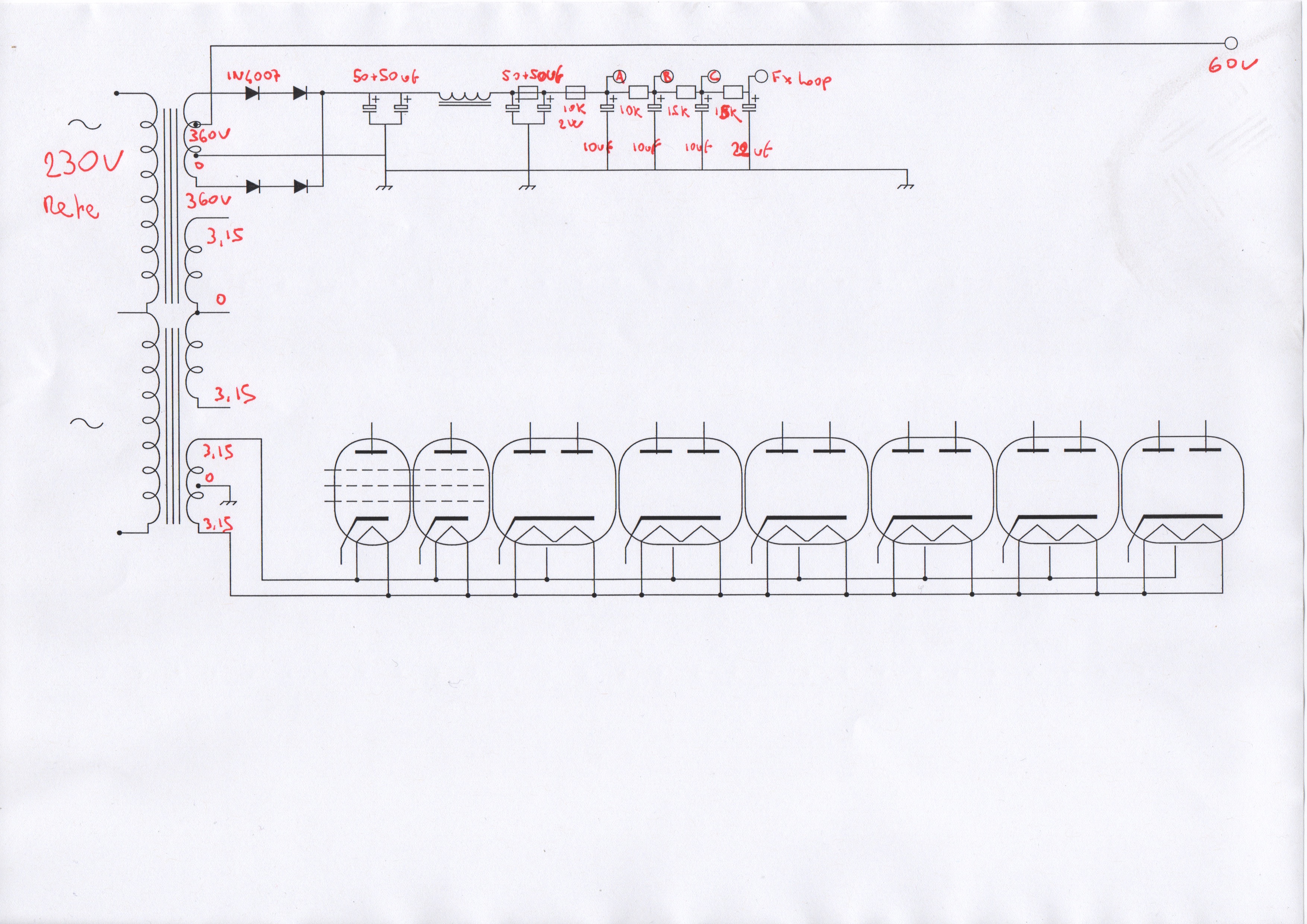
Alla fine ho rifatto tutto ho tolto la tourret board ed ho fatto una pcb dello slo , ho fatto solo una modifica sulla R14 che da 39k lo abbassata a 10k come suggerito da robi , l'ampli anche se è ancora a cuore aperto sembra suonare bene !! anche se ci sono alcuni problemi !!
Siccome ho montato delle EL34 ho dovuto ridurre la resistenza in serie al trimmer del bias da 56k a 15k se non non riuscivo a regolarlo , per il momento ho bypassato il loop fx , che metterò tra i due master volume e il C17 ,come fx loop ho preso lo schema dell'od3 che ho già inserito nella pcb , per adesso collego una cosa alla volta in modo da non dover lavorare alla ricerca di più errori che già non ne mancano
Allora il primo problema è con il cambio canali , appena ho acceso l'ampli mi si è cotto il ponte di diodi !! il problema è stato che ho mandato la massa del foot sw allo star ground !! purtroppo avendo diversi collegamenti volanti per facilitare dei collegamenti per le varie prove mi sono confuso e puff !!
Come faccio a provare se gli optoisolatori funzionano ancora ? che tensione devo avere ai capi per farli funzionare correttamente con il foot switch funziona ma mi ritorna il master lead sul clean e LDR1 non manda il pin 7di v2 a massa.
Problema 2 è il pop tremendo che c'e mettendo l'ampli in stand by nei primi ampli che avevo costruito mettevo una resistenza in parallelo all'interruttore ma una volta avevo letto un'articolo che la sconsigliava
il terzo dubbio è appunto sul loop fx riguarda l'alimentazione , siccome ho levato la 12ax7 dedicata al loop è ho messo il loop del od3 posso prendere l'anodica dallo stesso punto del vecchio loop "C" normalmente prende l'anodica di due 12ax7 lascio comunque il c26 che c'è nello schema del loop od3 ?
inizio a lavorare su queste tre cose e poi vado avanti con gli esperimenti
