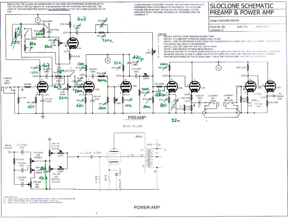
Buongiorno a tutti, senza aprire altri thread inserisco qui sotto la mia idea, ovvero il preamp della Soldano (mi piace alla follia quel circuito) con finale in single end.Questo Post è stato inserito inizialmente da Fabio54 in un vecchio thread
ma visto che l'argomento è nuovo mi è parso opportuno aprire un nuovo thread
K
E' la prima volta che costruisco un single end e volevo essere sicuro dello schema che ho abbozzato (si, con paint), la finale sarebbe una EL34. L'idea è nata dall'esigenza di un ampli con una potenza relativamente bassa e un T.U. single end che mi avanzava
datemi pure un'opinione sullo schema,grazie a tutti
Accetto anche suggerimenti su finali push-pull intorno ai 5-10W
lo schema il preamp in point to point una testata che sto ultimando di cui sono particolarmente orgoglioso


