Inazitutto illustro ciò che vorrei realizzare:
Testata su base Mesa Dual 2 ch, con altri 2 o 1 canale di altra derivazione, diciamo un clean ed un crunch.
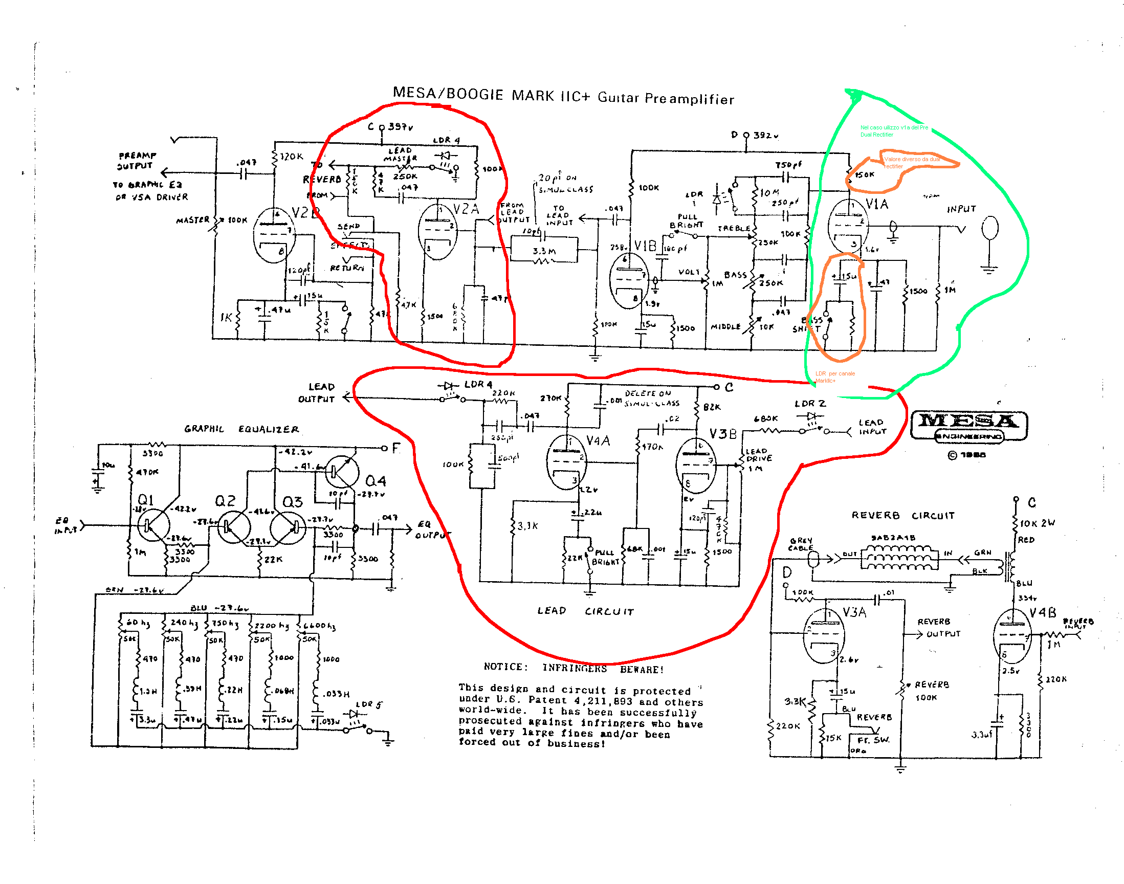
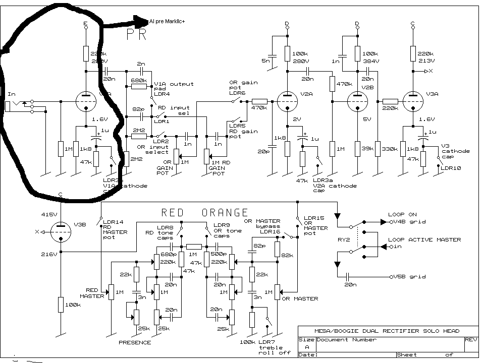
Ho cominciato a visionare gli schemi che poi posterò e dai quali voglio realizzare un PCB stampabile ordinato e funzionale (uau quante pretese), sullo stile di quello della slo.
Ho dato un occhiata anche a cosa accoppiare come altri canali, il più semplice sarebbe il MarkIIc+, ovviamente sempre mesa anche le tensioni sono simili, con l'aggiuta di 2 triodi avrei l'intero preamp del IIc+.
Infati quello che pensavo era di aggiungere due 12ax7, per un totale di 7 : 5 pre 1 loop 1 phase inverter, niente di anormale se uno pensa che il Fish della bogner ne ha 9 solo di preamp.
Ma per ora vorrei qualche idea su opzioni di pre da accoppiare ai 2 canali rectifier... Che mi consigliate?
e un altra cosa anche se prematura, che cosa mi consigliate come qualità per i trafo: Novarria, Delbini, od altro?
Per i condensatori e resistenze, ho già le idee chiare.
Adesso vado di fretta poi in serata iniziero a mettere degli schemi con le mie idee, e vedere poi il sistema di switching che forse è un pò ostico in questo progetto (Matrix della dual, che vorrei semplificare, sia per la resa sonora che per praticità)
Ciao e grazie
Attendo consigli, ma soprattutto critiche costruttive.












