Sostieni il forum con una donazione! Il tuo contributo ci aiuterà a rimanere online!
Immagine

Da vecchia radio a testatina

Discussioni di carattere generale sugli amplificatori valvolari...
Rispondi
Avatar utente
pasqua86
Diyer Eroe
Diyer Eroe
Messaggi: 681
Iscritto il: 19/06/2012, 20:49
Località: Provincia di Padova

Da vecchia radio a testatina

Messaggio da pasqua86 » 18/09/2013, 16:38

Ciao a tutti,
Sono qui a rompervi nuovamente le valvole perche ho trovato in casa una vecchia radio valvolare di marca sconosciuta e quasi comletamente distrutta..

Da essa ho recuperato un pò di condensatori, ben 5 zoccoli di mezzo secolo di età :ok_1:
e naturalmente cosa piu importante i due trasformatori...

Il problema è che non so se siano funzionanti, anche se esteticamente sono in ottimo stato, e siccome mancavano le valvole non so che cosa montassero...

Sul TU si intravede molto flebilmente la scritta 4 8/16 ohm

DOMANDA
come faccio a testarli e a capire se possano servire a qualcosa? il mio obiettivo era di utilizzarli per realizzare un amplificatorino tipo il P1

Grazie a tutti quelli che mi aiuteranno...
Allegati
foto.JPG
image.jpeg

Avatar utente
Kagliostro
Amministratore
Amministratore
Messaggi: 9958
Iscritto il: 03/12/2007, 0:16
Località: Prov. di Treviso

Re: Da vecchia radio a testatina

Messaggio da Kagliostro » 18/09/2013, 21:09

Se tu avessi almeno il modello della radio si potrebbe vedere cosa c'era montato

comunque sei fortunatissimo per il TA in quanto i dati sono stampigliati sullo stesso

per quanto riguarda il TU la situazione non è poi così disperata e con un po' di pazienza ci si arriva

servirebbe sapere quanti fili ha il primario e quanti il secondario

se le impedenze del secondario sono riportate in adiacenza ai terminali dei fili

ottimo, così sei già ad 1/3 del lavoro da fare

Bisogna vedere se il primario ha 2 o 3 fili (speriamo, sarebbe la soluzione più semplice)

se ne ha 2 allora è per un SE, viceversa se ne ha 3 è per un PP ..... FORSE

è sì, forse, perchè nelle vecchie radio la configurazione poteva anche essere un po'

diversa da quella a cui siamo abituati adesso, vedi qui



Immagine

in pratica una parte dell'avvolgimento del TU era usato (negli SE) a mo' di choke

Comunque vedi di identificare un po' come stanno le cose aiutandoti con un tester

e con queste spiegazioni

http://www.diyitalia.eu/forum/viewtopic.php?f=22&t=523

http://digilander.libero.it/giunchifabr ... rifica.htm

Se sei in difficoltà, magari posta un po' di foto dettagliate del TU che vediamo assieme

di darti una mano

---

con 80mA di AC a 220v un piccolo amplificatorino di sicuro ti ci viene, l'anodica sarà attorno a ~308v, non molti ma sufficienti

per i filamenti hai 3A ed anche con quello siamo OK

Peccato non sapere che finale/finali usava lo schema originale

---

Gli elettrolitici ed i mica è meglio che non li usi, lo so, fa peccato buttarli, ma è meglio

con gli altri condensatori poliestere invece non dovrebbero esserci problemi

---

Accenni al P1, siccome non mi viene in mente nulla, hai uno schema o un link da postare ?

Ciao

K

Avatar utente
raf71
Diyer Eroe
Diyer Eroe
Messaggi: 988
Iscritto il: 12/08/2010, 17:24
Località: Pozzuoli (NA)

Re: Da vecchia radio a testatina

Messaggio da raf71 » 19/09/2013, 11:25

Ciao Pasqua.
Se hai ancora la radio, puoi dirci che tipo di zoccoli monta? Così possiamo già fare una prima scrematura per quanto riguarda il tipo di valvole finali utilizzate.
Se la radio monta zoccoli tipo noval, è molto probabile che le finali, o la finale, siano EL84, oppure UL84 (è la stessa valvola col filamento a 48Volt se ricordo bene).
Se hai fatto delle foto dei collegamenti del TA possiamo risalire al tipo di valvola abbastanza agevolmente.

Saluti
Raffaele
Napoletani si nasce.....

Avatar utente
pasqua86
Diyer Eroe
Diyer Eroe
Messaggi: 681
Iscritto il: 19/06/2012, 20:49
Località: Provincia di Padova

Re: Da vecchia radio a testatina

Messaggio da pasqua86 » 19/09/2013, 15:34

Cia Kagliostro,
Purtroppo il modello della radio non è scritto da nessuna parte, percui è difficile a risalire,
inoltre i cavetti dei 2 trafi, erano stati tutti staccati dalla scheda in precedenza e non saprei proprio dove fossero collegati... :muro: :muro:

Parliamo innanzitutto del TA: :hummm_1:
Probabilmente è stato realizzato per avere una tensione variabile al primario; infatti sono presenti il cavetto nero che suppongo sia la terra, e altri 3 cavetti:
1 grigio per la 117V
1 verde per la 220V
1 giallo per la 240V
naturalmente ho isolato i due ed ho lasciato libero la terra e quello verde della 220.

Poi al secondario escono 2 fili grossi blu, un cavetto molto fino bianco in mezzo e altri 2 anch'essi fini di colore rosso...

Con il tester misuro continuità tra i 2 cavi blu ( che suppongo siano quelli della 6,3V) e tra i 2 cavetti rossi fini..
il bianco non ha continuità con nessun altro, e non saprei proprio a cosa possa servire..
Domanda, deve esserci continuità anche tra il nero e il verde dell alimentazione al primario vero?

Per quanto riguarda il TU allego un piccolo schema, e col tester rilevo continuità tra i seguenti piedini:
1 7
1 10
5 8
6 9
7 10

inoltre sullo stesso è stampigliata la sigla TR 48/16 molto molto sbiadita, seguita da un simbolo che penso potrebbe essere ohm, ma non si legge quasi niente,,,

Un ultima cosa, come mi hai chiesto ti riporto il sito dov' era presente lo schema del P1

http://www.ax84.com/p1.html

Per Raffaele..
Innanzitutto ciao, e grazie della risposta, allora la radio montava 5 zoccoli per valvole da quel che ho capito tipo Noval,
un radioamatore a cui l' avevo fatta vedere qualche tempo fa ha detto che potrebbero essere state probabilmente (na non sicuramente):
1 ecc85
1 ech81
1 ef89
1 el84
1 ez81

suppongo a sto punto che si tratti di un SE
allego una foto per far vedere com'era presa..qui si vedono i tipi di zoccoli che montava...
Allegati
radio sconosciuta.JPG
tu_schema.jpg

Avatar utente
pasqua86
Diyer Eroe
Diyer Eroe
Messaggi: 681
Iscritto il: 19/06/2012, 20:49
Località: Provincia di Padova

Re: Da vecchia radio a testatina

Messaggio da pasqua86 » 19/09/2013, 20:27

Un piccolo aggiornamento,
Oggi ho avuto modo di testare il TA:

collegandolo alla 220V che in verità era anche 230V, ho misurato la tensione ai capi dei 2 cavetti rossi e mi restituisce 245V
mentre sui 2 cavetti blu escono intorno agli 8,5V al posto dei 6,3 indicati :ohhh: :ohhh:
(il bianco continua ad essere virtualmente inutile)

sono valori plausibili oppure non sono plausibile io? :surpr:

Avatar utente
Kagliostro
Amministratore
Amministratore
Messaggi: 9958
Iscritto il: 03/12/2007, 0:16
Località: Prov. di Treviso

Re: Da vecchia radio a testatina

Messaggio da Kagliostro » 19/09/2013, 23:14

8.5v invece di 6.3v a vuoto non sono un gran problema

male che vada se l'ampli che monti non consuma molto

e la tensione dei filamenti è un po' alta, risolvi o con una resistenza

o con qualche diodo

anche i 245v non sono un problema

--

se invece vuoi risolvere all'origine, invece di usare il primario a 220v usa quello a 240v

--

il bianco potrebbe essere uno schermo (da collegare a massa)

in ogni caso, verifica bene che il bianco non sia collegato con nessun altro avvolgimento o con la parte metallica del trasformatore

K

Avatar utente
pasqua86
Diyer Eroe
Diyer Eroe
Messaggi: 681
Iscritto il: 19/06/2012, 20:49
Località: Provincia di Padova

Re: Da vecchia radio a testatina

Messaggio da pasqua86 » 20/09/2013, 0:29

Direi allora che per il momento mi è andata più che bene... forse un 5-10 watt ci potrebbe anche saltare fuori...adesso resta da decifrare il Tu...che per me è abbastanza un mistero...
Come mi conviene procedere per provarlo e capirne qualcosa?

Avatar utente
Kagliostro
Amministratore
Amministratore
Messaggi: 9958
Iscritto il: 03/12/2007, 0:16
Località: Prov. di Treviso

Re: Da vecchia radio a testatina

Messaggio da Kagliostro » 20/09/2013, 9:56

adesso resta da decifrare il Tu...che per me è abbastanza un mistero...
Come mi conviene procedere per provarlo e capirne qualcosa?
Devi leggere i post per intero :mang:

vedi il mio primo post

K

Avatar utente
pasqua86
Diyer Eroe
Diyer Eroe
Messaggi: 681
Iscritto il: 19/06/2012, 20:49
Località: Provincia di Padova

Re: Da vecchia radio a testatina

Messaggio da pasqua86 » 20/09/2013, 12:06

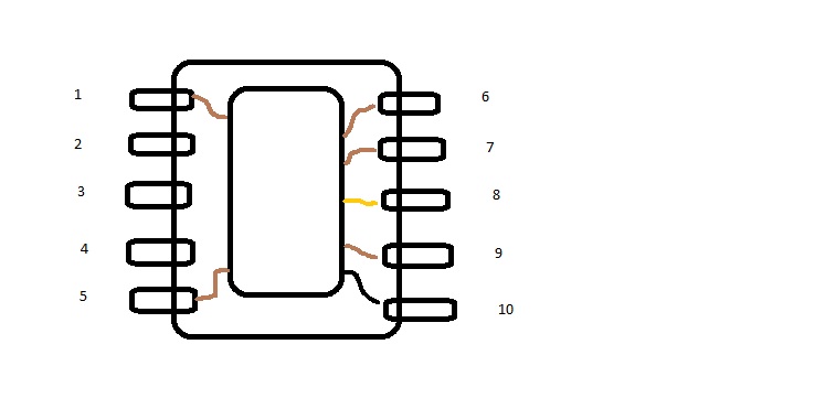
Ammetto di essere in difficoltà ad identificare quale sia il primario e quale il secondario del TU, oltrettutto non sono indicate le impedenze (l'unica scritta presente sul trafo è TR 48/16)

se riuscissi a capire questo poi potrei fare qualche prova...

Prima ho postato una foto fatta con paint, che riporta i fili che escono, e sono 2 da un lato e 5 dall altro... in un post precedente avevo indicato anche le continuità se può essere d'aiuto...

Avatar utente
Kagliostro
Amministratore
Amministratore
Messaggi: 9958
Iscritto il: 03/12/2007, 0:16
Località: Prov. di Treviso

Re: Da vecchia radio a testatina

Messaggio da Kagliostro » 20/09/2013, 13:15

Misura le resistenze dei vari avvolgimenti e segnale

quelle molto basse sono il secondario

quelle piuttosto alte sono il primario

disegna uno schema degli avvolgimenti tipo quello che ho postato

segna sullo schema le resistenze e la numerazione dei pin

fai questo e poi andiamo avanti

K

Avatar utente
pasqua86
Diyer Eroe
Diyer Eroe
Messaggi: 681
Iscritto il: 19/06/2012, 20:49
Località: Provincia di Padova

Re: Da vecchia radio a testatina

Messaggio da pasqua86 » 20/09/2013, 15:07

Col tester ho provato a misurare gli avvolgimenti..ecco i risultati:

1- 7 300ohm
1-10 60ohm
5- 8 194 ohm
6 -9 7 ohm
7-10 295 ohm

Avatar utente
raf71
Diyer Eroe
Diyer Eroe
Messaggi: 988
Iscritto il: 12/08/2010, 17:24
Località: Pozzuoli (NA)

Re: Da vecchia radio a testatina

Messaggio da raf71 » 20/09/2013, 15:23

Potrebbe essere così:

7 > ingresso HT.
10 > tap per la griglia schermo.
1 > Anodo.

6-9 uscita altoparlante

5-8....non saprei proprio. Però potrebbe essere, come diceva Kaglio, un avvolgimento con la funzione di choke.

Per l'impedenza sul secondario, potresti misurare gli ohm dell'altoparlante.

Allego lo schemino che ha postato Kaglio opportunamente modificato.

Saluti
Raffaele
Napoletani si nasce.....

Avatar utente
pasqua86
Diyer Eroe
Diyer Eroe
Messaggi: 681
Iscritto il: 19/06/2012, 20:49
Località: Provincia di Padova

Re: Da vecchia radio a testatina

Messaggio da pasqua86 » 20/09/2013, 15:51

Grazie mille Raf! :ok_1:
Utilissimo!!
Devo ammettere che mi state dando veramente una grossa mano, si tratta del mio primo approccio al mondo valvolare e per questo mi sto studiando alcuni utili documenti presenti nella galleria...
Purtroppo faccio ancora un pò di fatica a comprendere alcune cose che voi magari date per scontato,
spero di non farvi perdere troppo tempo :pardon1: :pardon1: :pardon1:
Stasera comunque misuro l'impedenza dell altoparlante...in teoria da quel che ho capito se mi restituisce un valore intorno ai 3,2 ohm dovrebbe essere 4 ohm, mentre se trovo circa 6,8 è un 8 ohm giusto?

Avatar utente
Kagliostro
Amministratore
Amministratore
Messaggi: 9958
Iscritto il: 03/12/2007, 0:16
Località: Prov. di Treviso

Re: Da vecchia radio a testatina

Messaggio da Kagliostro » 20/09/2013, 19:52

Mah, sono un po' perplesso

Sei proprio sicuro che la situazione sia quella che hai indicato ?

non ci sono (o c'erano esternamente) altre connessioni tra i vari avvolgimenti ?

ho completato lo schema di Raf con il valore delle resistenze

ma, come dicevo, sono un po' perplesso, per quell'avvlgimento 5-8
tu_schema.jpg
tu_schema.jpg (7.99 KiB) Visto 8226 volte
Tra 1 e 7 confermi che ci sono 300 Ohm e non 355 Ohm ?

Come parte destinata ad uso choke sembrerebbe più adatta la sezione 1-10 dell'avvolgimento, ma esserne certi è difficile

Se almeno tu avessi potuto prendere nota di come erano collegati i trasformatori

al circuito ........... vabbeh qualcosa lo tiriamo fuori ugualmente

---

Piuttosto, hai intenzione di riutilizzare l'altoparlante della radio o di prenderne uno

appositamente ?

K

Avatar utente
pasqua86
Diyer Eroe
Diyer Eroe
Messaggi: 681
Iscritto il: 19/06/2012, 20:49
Località: Provincia di Padova

Re: Da vecchia radio a testatina

Messaggio da pasqua86 » 20/09/2013, 21:29

Stasera ho effettuato la misurazione del cono che era presente sulla radio..
la misura con il tester da 3,7 ohm quindi mi sa che l'impedenza alla fine è 4 ohm...e qui ci siamo...

per il TA mmm :hummm_1: :hummm_1: altri avvolgimenti esterni, l'unica cosa era una resistenza che collegava il pin 1 con il 5...il resto era tranciato...
i valori che ho riportato in precedenza sono corretti..almeno li ho misurati con un altro tester e corrispondono ohm piu ohm meno, a parte il 6-9 che mi risulta 3,8ohm.

altra novità ...
sulla carcassa c'era buttato li anche questo tweeter...può essere magari che era collegato ai due pin misteriosi?
su questo sito ho trovato qualche notizia a riguardo...

http://www.secondemain.fr/collections/c ... 40478.html

allego le foto:
Allegati
tweeter2.jpeg
tweeter1.jpeg

Rispondi