aiuto su preamplificatore valvolare
-
lorenzojin
- Elettrone Impazzito

- Messaggi: 34
- Iscritto il: 10/09/2014, 16:00
aiuto su preamplificatore valvolare
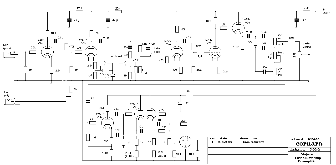
ciao a tutti mi sono cimentato alla costruzione di questo preamplificatore trovato in rete ma ho pensato che per risparmiare spazio e rendere il tutto più ordinato sarebbe meglio creare un PCB ma siccome non sono molto pratico qualcuno potrebbe crearmelo? (anche pagando)
ho trovato diversi programmi di pub ma ci ho rinunciato l' ideale sarebbe quello di avere tutti i collegamenti su di un lato del pub in modo tale da poter mettere le valvole su di un pannello e risparmiare spazio nell' eventuale telaio
ho trovato diversi programmi di pub ma ci ho rinunciato l' ideale sarebbe quello di avere tutti i collegamenti su di un lato del pub in modo tale da poter mettere le valvole su di un pannello e risparmiare spazio nell' eventuale telaio
-
MapleMarco
- Roger Mayer Jr.

- Messaggi: 2658
- Iscritto il: 02/06/2012, 14:22
- Località: Mirano (VE)
Re: aiuto su preamplificatore valvolare
sei proprio sicuro di quel preamp?
già da schema noto alcuni difetti...a parte il fatto che come circuito (4stadi +CF, eq alla fine...a momenti è una recto) per basso...è a dir poco una follia.
ad ogni modo, PCB monofaccia con zoccoli su pcb è il mio consiglio! più semplice e ottimizzi sia spazi che layout.
già da schema noto alcuni difetti...a parte il fatto che come circuito (4stadi +CF, eq alla fine...a momenti è una recto) per basso...è a dir poco una follia.
ad ogni modo, PCB monofaccia con zoccoli su pcb è il mio consiglio! più semplice e ottimizzi sia spazi che layout.
CHE DIO B'ASSISTA!
-
lorenzojin
- Elettrone Impazzito

- Messaggi: 34
- Iscritto il: 10/09/2014, 16:00
Re: aiuto su preamplificatore valvolare
ma come una follia? scusami l' ho appena fatto speso un sacco di soldi contattato l' autore ecc lo sto facendo rivedere da un tecnico molto più esperto di me prima di alimentarlo...
quali sarebbero i difetti? sono disperato, a questo punto un preamp valvolare per basso elettrico che possa pilotare un finale da 500 W mosfet cl AB? chiaramente per poter utilizzare il trasformatore e l' induttanza già acquistata
quali sarebbero i difetti? sono disperato, a questo punto un preamp valvolare per basso elettrico che possa pilotare un finale da 500 W mosfet cl AB? chiaramente per poter utilizzare il trasformatore e l' induttanza già acquistata
-
MapleMarco
- Roger Mayer Jr.

- Messaggi: 2658
- Iscritto il: 02/06/2012, 14:22
- Località: Mirano (VE)
Re: aiuto su preamplificatore valvolare
boh, magari piace, per dio...
ma a naso riesce ad essere molto poco pulito a meno di non tenere il gain bassissimissimo...
ad ogni modo, ad esempio:
il treble boost bopperà al momento dello switch,
il filtro del primo stadio è troppo grosso e rischia di andare in motorboating
tutti i disaccoppiatori a 100n ingolfano parecchio soprattutto in caso di saturazione
Magari poi per i tuoi gusti è perfetto, ma 4 valvole per un pre monocanale ben poco pulito, da usare col basso....non mi pare conveniente.
io sarei andato con qualcosa di più simile ad una bassman, (e te la cavavi con una valvola sola volendo) ma io sono dipendente da quel tipo di circuiti quindi non faccio testo.
Ripeto, son gusti! magari provandolo ti accorgi che per te è perfetto così!
Ma l'hai già realizzato PTP e ronza? qual'è il problema?
ma a naso riesce ad essere molto poco pulito a meno di non tenere il gain bassissimissimo...
ad ogni modo, ad esempio:
il treble boost bopperà al momento dello switch,
il filtro del primo stadio è troppo grosso e rischia di andare in motorboating
tutti i disaccoppiatori a 100n ingolfano parecchio soprattutto in caso di saturazione
Magari poi per i tuoi gusti è perfetto, ma 4 valvole per un pre monocanale ben poco pulito, da usare col basso....non mi pare conveniente.
io sarei andato con qualcosa di più simile ad una bassman, (e te la cavavi con una valvola sola volendo) ma io sono dipendente da quel tipo di circuiti quindi non faccio testo.
Ripeto, son gusti! magari provandolo ti accorgi che per te è perfetto così!
Ma l'hai già realizzato PTP e ronza? qual'è il problema?
CHE DIO B'ASSISTA!
Re: aiuto su preamplificatore valvolare
Beh, disperarti mi pare eccessivo.
Io, al posto tuo, "avrei" (in realtà "ho") fatto un preamp con una 12ax7 (gain eq gain) ed un source follower (se lo chiamo cathode Kaglio mi fustiga
) a mosfet.
Lo mando in overdrive aprendo il gain e chiudendo il master, semplicissimo.
Io, al posto tuo, "avrei" (in realtà "ho") fatto un preamp con una 12ax7 (gain eq gain) ed un source follower (se lo chiamo cathode Kaglio mi fustiga
Lo mando in overdrive aprendo il gain e chiudendo il master, semplicissimo.
-
MapleMarco
- Roger Mayer Jr.

- Messaggi: 2658
- Iscritto il: 02/06/2012, 14:22
- Località: Mirano (VE)
Re: aiuto su preamplificatore valvolare
ecco appunto....qualcun altro sulla mia stessa lunghezza d'ondarobi ha scritto:una 12ax7 (gain eq gain)
il source follower tra l'altro è una bella soluzione....non c'è da fare tanto gli schizzinosi a voler solo le valvole, se poi tanto finisce tutto su un finale mosfet
CHE DIO B'ASSISTA!
-
lorenzojin
- Elettrone Impazzito

- Messaggi: 34
- Iscritto il: 10/09/2014, 16:00
Re: aiuto su preamplificatore valvolare
eh lo so ma fare un amplificatore valvolare 500 W tutto valvolare mi sarebbe costata una fortuna almeno credo,
scusatemi per l' ignoranza ma sono davvero alle prime armi
scusatemi per l' ignoranza ma sono davvero alle prime armi
Re: aiuto su preamplificatore valvolare
Ragazzi, magari vuole un basso death metal turbo trash!
Cosa vuoi ottenere da quel preamp? nel senso, che sonorità vuoi arrivare ad avere? Che generi suoni?
Cosa vuoi ottenere da quel preamp? nel senso, che sonorità vuoi arrivare ad avere? Che generi suoni?
-
lorenzojin
- Elettrone Impazzito

- Messaggi: 34
- Iscritto il: 10/09/2014, 16:00
Re: aiuto su preamplificatore valvolare
come suono mi piace molto il suono del mitico jaco pastorius ma non disdegno la potenza e la sonorità del grande marcus miller
cosa posso fare ora? ho comprato il trasformatore, l' induttanza tutti i componenti montato ecc (in attesa di verifica da un tecnico) fatto il telaio 70 euro di lamiera taglio laser e ora mi ritrovo ad avere un progetto che è rumoroso? se ci fosse qualche progetto con 4 valvole o modificare quello mio in modo tale da accontentare le mie esigenze?
cosa posso fare ora? ho comprato il trasformatore, l' induttanza tutti i componenti montato ecc (in attesa di verifica da un tecnico) fatto il telaio 70 euro di lamiera taglio laser e ora mi ritrovo ad avere un progetto che è rumoroso? se ci fosse qualche progetto con 4 valvole o modificare quello mio in modo tale da accontentare le mie esigenze?
-
MapleMarco
- Roger Mayer Jr.

- Messaggi: 2658
- Iscritto il: 02/06/2012, 14:22
- Località: Mirano (VE)
Re: aiuto su preamplificatore valvolare
500W a valvole sono particolarmente inutili
Io ho fatto una 200W, ed è inutile pure quella,e ritrovarsi a tenerla col master a metà anche in live è una presa in giro.
Ormai sono del parere che quattro finali ben giostrate, (quindi sui 100, 120W) sono più che sufficienti avendo una cassa con una buona presenza,
e il resto, al massimo, lo fa il microfono
tornando a noi, un imbrido di quel tipo è ormai un must per il basso, mica stai facendo una bestemmia di ampli, anzi!
Per quanto riguarda quello che hai comprato...è tutto utilizzabile per qualsiasi preamp!
chassis, alimentazione, trafi....va tutto bene (l'induttanza per un preamp soltanto è una precauzione inutile...ma ormai ce l'hai quindi tanto vale usarla)
ora sta a te decidere che schema seguire....e magari puoi riuscire a farlo anche PTP se è semplice.
Pastorius usava acoustic tutto a transistor...anche se il suono era bello compresso ed un pò saturo.
Io a naso ribadirei l'ipotesi bassman...puoi addirttura fare tutto il pre (quindi 4 ingressi e 2 canali) con solo due valvole.
una continui a tenerla per la DI...e alla fine della fiera te ne avanza anche una di ricambio!
P.S. avendo visto ora di chi è lo schema...e sapendo la pignoleria e la qualità degli altri progetti di quell'autore...mi pare strano che abbia partorito na roba così....
Io ho fatto una 200W, ed è inutile pure quella,e ritrovarsi a tenerla col master a metà anche in live è una presa in giro.
Ormai sono del parere che quattro finali ben giostrate, (quindi sui 100, 120W) sono più che sufficienti avendo una cassa con una buona presenza,
e il resto, al massimo, lo fa il microfono
tornando a noi, un imbrido di quel tipo è ormai un must per il basso, mica stai facendo una bestemmia di ampli, anzi!
Per quanto riguarda quello che hai comprato...è tutto utilizzabile per qualsiasi preamp!
chassis, alimentazione, trafi....va tutto bene (l'induttanza per un preamp soltanto è una precauzione inutile...ma ormai ce l'hai quindi tanto vale usarla)
ora sta a te decidere che schema seguire....e magari puoi riuscire a farlo anche PTP se è semplice.
Pastorius usava acoustic tutto a transistor...anche se il suono era bello compresso ed un pò saturo.
Io a naso ribadirei l'ipotesi bassman...puoi addirttura fare tutto il pre (quindi 4 ingressi e 2 canali) con solo due valvole.
una continui a tenerla per la DI...e alla fine della fiera te ne avanza anche una di ricambio!
P.S. avendo visto ora di chi è lo schema...e sapendo la pignoleria e la qualità degli altri progetti di quell'autore...mi pare strano che abbia partorito na roba così....
CHE DIO B'ASSISTA!
-
lorenzojin
- Elettrone Impazzito

- Messaggi: 34
- Iscritto il: 10/09/2014, 16:00
Re: aiuto su preamplificatore valvolare
e che ti devo dire ? mi sono affidato ad un suo progetto dando per scontato e comunque convinto che lui sia davvero molto esperto (senza offesa) ora provo se va bene poi se fa rumore inneschi vari ecc vedo di adottare altre soluzioni ma con 4 valvole perché il telaio già ce l ' ho
-
MapleMarco
- Roger Mayer Jr.

- Messaggi: 2658
- Iscritto il: 02/06/2012, 14:22
- Località: Mirano (VE)
Re: aiuto su preamplificatore valvolare
con 4 vavole:
hiwatt early 70+ DI + CF di uscita
sunn T + DI + CF di uscita
bassman 2 ch+ DI + CF di uscita.
Le soluzioni ci sono!! non preoccuparti!
comunque, non stavamo criticando le tue scelte (e credo di parlare a nome di tutti e tre)...ma più che altro stavamo provando a contestualizzare quello schema per evitarti tanto lavoro per ottenere qualcosa che magari non ti piace, mettendo a tua disposizione la nostra esperienza!
hiwatt early 70+ DI + CF di uscita
sunn T + DI + CF di uscita
bassman 2 ch+ DI + CF di uscita.
Le soluzioni ci sono!! non preoccuparti!
comunque, non stavamo criticando le tue scelte (e credo di parlare a nome di tutti e tre)...ma più che altro stavamo provando a contestualizzare quello schema per evitarti tanto lavoro per ottenere qualcosa che magari non ti piace, mettendo a tua disposizione la nostra esperienza!
CHE DIO B'ASSISTA!
Re: aiuto su preamplificatore valvolare
Assolutemente lungi da tutti noi il voler prendere in giro qualcuno, la mia era solo una battuta.
Per quanto poco ne capisca io di ampli da basso, ho sempre visto 2 stadi o al massimo 3 negli ampli più tendenti alla distorsione, per quello mi sembrava strano volessi fare una cosa simile.
Poi io per quanto ricordi di pastorius, è un pulito sporchino abbastanza compresso, o sbaglio?
Una volta provai una jcm800 da 100W con un precision del '77... Una vera goduria! e secondo me potrebbe essere qualcosa di degno per la tua idea di suono!
Per quanto poco ne capisca io di ampli da basso, ho sempre visto 2 stadi o al massimo 3 negli ampli più tendenti alla distorsione, per quello mi sembrava strano volessi fare una cosa simile.
Poi io per quanto ricordi di pastorius, è un pulito sporchino abbastanza compresso, o sbaglio?
Una volta provai una jcm800 da 100W con un precision del '77... Una vera goduria! e secondo me potrebbe essere qualcosa di degno per la tua idea di suono!
Re: aiuto su preamplificatore valvolare
La pecca principale, al di là di gain, frizzi e lazzi, è che l'equalizzatore praticamente non lavora.
Tutto il contrario di cosa viene richiesto solitamente dai bassisti.
Se vuoi usare 4 valvole, io andrei di più preamp in parallelo:
- alembic
- alembic in serie
- marshall (da basso)
Tutto il contrario di cosa viene richiesto solitamente dai bassisti.
Se vuoi usare 4 valvole, io andrei di più preamp in parallelo:
- alembic
- alembic in serie
- marshall (da basso)
-
lorenzojin
- Elettrone Impazzito

- Messaggi: 34
- Iscritto il: 10/09/2014, 16:00
Re: aiuto su preamplificatore valvolare
qualche esempio? mi incuriosisce il marshall per basso visto che ho già un finale da 500w andrebbe bene uno stadio di preamp (sempre 4 valvole)

