Sostieni il forum con una donazione! Il tuo contributo ci aiuterà a rimanere online!
Immagine

Alimentazione filamenti in continua

Discussioni di carattere generale sugli amplificatori valvolari...
MapleMarco
Roger Mayer Jr.
Roger Mayer Jr.
Messaggi: 2658
Iscritto il: 02/06/2012, 14:22
Località: Mirano (VE)

Alimentazione filamenti in continua

Messaggio da MapleMarco » 22/09/2015, 12:58

Dunque, poichè da settimane sto sperimentando varie ipotesi riguardo questa soluzione...
ho pensato di aprire un thread per raccimolare tutte le soluzioni, "storiche" e non, per chi come me delle volte non si accontenta di elevare il CT :face_green:

Cominciamo dalle soluzioni "accademiche" proposte da Patrignani:
7805 o 7812 e ben pochi V (va bene per UNA valvola...)
fil1.png
LM317, più raffinato per regolare alla perfezione (ancora una volta..una massimo 2 valvole)
fil2.png
fil2.png (7.09 KiB) Visto 7410 volte
LM317 bufferato... come il precedente ma con più corrente disponibile
fil3.gif
fil3.gif (6.47 KiB) Visto 7410 volte
CHE DIO B'ASSISTA!

MapleMarco
Roger Mayer Jr.
Roger Mayer Jr.
Messaggi: 2658
Iscritto il: 02/06/2012, 14:22
Località: Mirano (VE)

Re: Alimentazione filamenti in continua

Messaggio da MapleMarco » 22/09/2015, 13:03

Ora veniamo alle soluzioni usate negli ampli commerciali, che al 90% nei casi uniscono l'alimentazione dei filamenti con quella dei relay per ovvie ragioni economiche:

Mesa boogie rectifier: solo V1 in DC e relay
interessante per quanto banale il sistema per riferire a massa il circuito rettificato
interessante anche il fatto che stando allo schema rettificando 6,3VAC si ottengono 6VDC... :hummm_1:
mesaboogiedualrectifier5.gif
mesaboogiedualrectifier5.gif (4.66 KiB) Visto 7409 volte
Anche ENGL utilizza la DC per i filamenti...
ma in modo a me poco chiaro!...ovvero lascia le finali e la PI senza riferimento centrale a massa....
fb.png
CHE DIO B'ASSISTA!

MapleMarco
Roger Mayer Jr.
Roger Mayer Jr.
Messaggi: 2658
Iscritto il: 02/06/2012, 14:22
Località: Mirano (VE)

Re: Alimentazione filamenti in continua

Messaggio da MapleMarco » 22/09/2015, 13:13

Orange anch'essa usa tutto il preamp in DC..
ancora una volta 6VAC diventano 6.3VDC una volta rettificati...
or.png
CHE DIO B'ASSISTA!

Avatar utente
piadina
Diyer Esperto
Diyer Esperto
Messaggi: 254
Iscritto il: 20/10/2014, 22:58
Località: provincia Venezia

Re: Alimentazione filamenti in continua

Messaggio da piadina » 22/09/2015, 18:36

i 6.3 vdc sono giusti, perchè c'è la caduta sui diodi, stessa cosa sui schemi soldano controlli pedali. Ma a orecchio si sente la differenza? sarebbe bello avere un ampli con possibilità di swich filamenti in DC\filamenti in AC.

Avatar utente
Dom
Roger Mayer Jr.
Roger Mayer Jr.
Messaggi: 2034
Iscritto il: 07/09/2013, 15:38
Località: Abruzzo (Te)

Re: Alimentazione filamenti in continua

Messaggio da Dom » 22/09/2015, 19:25

Ciao,

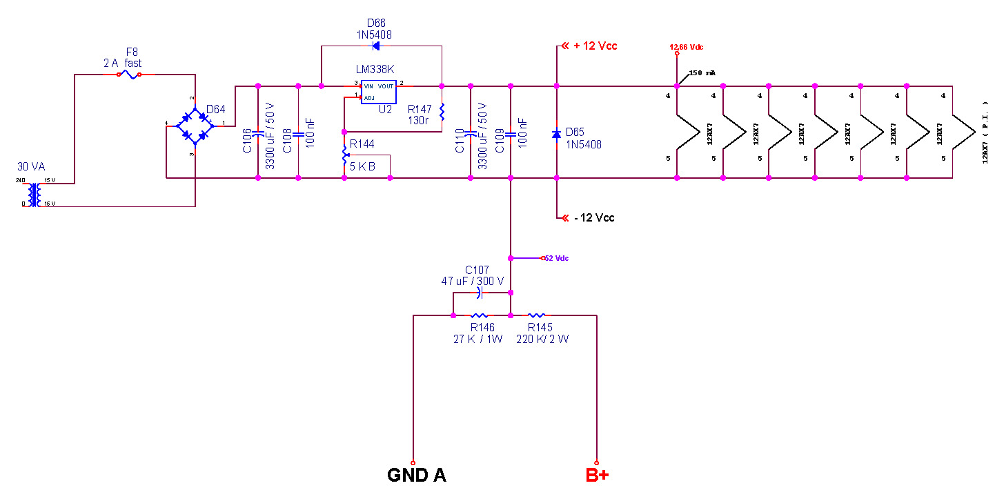
In un altro 3d mi avevi chiesto uno schemino inerente le foto che ti avevo postato:
12,6 Vdc regulated.jpg
Questo è quello che sto utilizzando ora con la nuova bestiola ancora sotto test e modifiche circuitali.

Funziona benissimo e il dissipatore scalda pochissimo nonostante alimenti 7 valvole di pre + 8 relè e 6 led da pannello + 8 da pedaliera. Tra poco alimenterà anche un'ulteriore cosa che non voglio ancora svelare.

Tornando al discorso dell'integrato lm338, sono assolutamente d'accordo con Kagliostro per tutte le info che ti ha fornito riguardo ad amperes di picco e continui. Il consiglio che credo di poter dare è di mettere un'adeguato dissipatore termico considerando i watt che deve dissipare. Basta farsi 2 conti.

Io, personalmente, l'ho piazzato sulla parte esterna dello chassis non solo per dargli più aria possibile ( dalle foto si intuisce che nella parte posteriore dello chassis verrà piazzata una griglia di areazione ), ma anche per guadagnare spazio all'interno dello stesso. Cosa che sta diventando problematica facendo tutto in point to point!


Cmq, lascia che ti dica che chi vende un LM338K a 44 euro molto probabilmente ha problemi esistenziali molto preoccupanti e forse da piccolo è caduto dal seggiolone !

Si trovano in fiera alla massima cifra di circa 15 euro ( che è cmq esagerata! ) fino ad un minimo di 9 euro. Io li ho comprati da az elettronica a 14 euro ognuno, perchè mi servivano subito. Ma non è detto che bisogna utilizzare per forza quelli "K". I "T" vanno benissimo anche per alimentare 4 o 5 valvole in pre ( io ne alimento 7 solo per comodità strutturale dato che dopo ci alimento anche altro ).

In realtà e come ben sappiamo dai consigli dei nostri GURU, alla fine basta alimentare le prime 2 in DC.

Se poi si vuole stare cmq tranquilli e spendere un pò meno, c'è sempre il fratello più vecchiotto: "LM350T / LM350K", capace di un'erogazione di 3 amperes continui e 5 di picco, se non ricordo male. Si trova sulla BAIA dai 4 euro o addirittura 2 euro per quelli "K". Ancora meno per i "T".

L'elevazione del circuito regolatore in DC è ancora più semplice di quelli in AC. Ovviamente non bisogna collegare il ramo negativo dell'alimentatore dei filamenti a NESSUNA massa.

Tutto il circuito viene così elevato di 50 o anche 80 volts, se lo si desidera, da tutto il resto.

Testato il tutto con profonda soddisfazione e zero ronze rispetto all'alimentazione in AC!

MapleMarco
Roger Mayer Jr.
Roger Mayer Jr.
Messaggi: 2658
Iscritto il: 02/06/2012, 14:22
Località: Mirano (VE)

Re: Alimentazione filamenti in continua

Messaggio da MapleMarco » 22/09/2015, 19:52

Ineccepibile la descrizione di DOM...
Faccio il rompiscatole....siamo sicuri sicuri che tra T e K ci sia solo una differenza in termini di forma?
(io sapevo che i K essendo fatti in quel modo dissipavano più calore e di conseguenza rendevano più Ampere :hummm_1: )

La differenza c'è....nel senso...in DC si può fare un high gain muto...
e per muto intendo che col gain a palla e master esagerato se ti fermi...dalla cassa non esce nulla!

Ovviamente questo se il tutto è filtrato correttamente... :face_green:

per quanto riguarda la caduta sui diodi.....ok ci sta, ma così tanto?
non vale la formula VDC= VACx1.4? :hummm_1:
CHE DIO B'ASSISTA!

Avatar utente
Dom
Roger Mayer Jr.
Roger Mayer Jr.
Messaggi: 2034
Iscritto il: 07/09/2013, 15:38
Località: Abruzzo (Te)

Re: Alimentazione filamenti in continua

Messaggio da Dom » 22/09/2015, 19:58

MapleMarco ha scritto:La differenza c'è....nel senso...in DC si può fare un high gain muto...
e per muto intendo che col gain a palla e master esagerato se ti fermi...dalla cassa non esce nulla!

Ovviamente questo se il tutto è filtrato correttamente... :face_green:

per quanto riguarda la caduta sui diodi.....ok ci sta, ma così tanto?
non vale la formula VDC= VACx1.4? :hummm_1:

....Non ho ben capito cosa intendi.

MapleMarco
Roger Mayer Jr.
Roger Mayer Jr.
Messaggi: 2658
Iscritto il: 02/06/2012, 14:22
Località: Mirano (VE)

Re: Alimentazione filamenti in continua

Messaggio da MapleMarco » 22/09/2015, 20:07

mi riferivo alla soluzione di rettificare i 6.3 (o 12.6 in caso di finali in serie), livellare con un cap generoso (1kuF circa) e quindi alimentare i filamenti del pre con questa tensione così rettificata...

in teoria, partendo da 6.3VAC, non si dovrebbe ottenere 6.3 VDC ma ben di più!
a causa di questo dubbio non ho mai provato questa soluzione che invece sembra usatissima... :hummm_1:
CHE DIO B'ASSISTA!

Avatar utente
Dom
Roger Mayer Jr.
Roger Mayer Jr.
Messaggi: 2034
Iscritto il: 07/09/2013, 15:38
Località: Abruzzo (Te)

Re: Alimentazione filamenti in continua

Messaggio da Dom » 22/09/2015, 21:02

Capisco se vuoi alimentare anche le finali, ma se ti mantieni solo sulle valvole di pre e vai di 12,6 con pot, chi te lo fa fare?

Risparmi un fabbisogno di corrente notevole e ci alimenti anche relè e diodi a 12 vdc.

Le finali in ac a me non stanno dando problemi di nessuna sorta e il tutto è molto silenzioso.

Se poi vuoi metterle in serie allora ok e non è che stai tranquillo, ma qualcosa di più.

Ma ne vale la pena?

MapleMarco
Roger Mayer Jr.
Roger Mayer Jr.
Messaggi: 2658
Iscritto il: 02/06/2012, 14:22
Località: Mirano (VE)

Re: Alimentazione filamenti in continua

Messaggio da MapleMarco » 22/09/2015, 21:11

no no, mi sono spiegato male!!
le finali stanno in alternata sempre :face_green:
alcune volte vengono messi i filamenti delle finali a 2 a 2 per alimentarle con un secondario da 12.6 (o 13) VAC...lo stesso avvolgimento che poi si rettifica per il pre...

la questione era riguardo il sistema di rettifica senza stabilizzatore...(vedi schemi sopra allegati) ;)

mi pare impossibile che da 6,3VAC si ottengano 6.3 VDC in quel modo!!
CHE DIO B'ASSISTA!

Avatar utente
Dom
Roger Mayer Jr.
Roger Mayer Jr.
Messaggi: 2034
Iscritto il: 07/09/2013, 15:38
Località: Abruzzo (Te)

Re: Alimentazione filamenti in continua

Messaggio da Dom » 22/09/2015, 21:21

Anche a me. A meno che tu non piazzi una decente resistenza di caduta.

Ma in questo caso bisognerebbe testare correttamente le tensioni sulle valvole stesse e verificare che siano il più vicino possibile alla tensione desiderata.

Questo perchè a calcoli su carta è un discorso, ma quando vai a testare ne è un altro. Ho avuto i miei riscontri negativi in merito.

Poi ritengo sia molto difficile trovare l'esatto valore ohmnico della resistenza di caduta per una tensione precisa e costante.

A sto punto un bel pot regolatore (con i morsetti a coccodrillo sui piedini dei filamenti delle finali inserite) ti permette di fornire l'esatta tensione richiesta e amen.

È una mia opinione, naturalmente.

MapleMarco
Roger Mayer Jr.
Roger Mayer Jr.
Messaggi: 2658
Iscritto il: 02/06/2012, 14:22
Località: Mirano (VE)

Re: Alimentazione filamenti in continua

Messaggio da MapleMarco » 22/09/2015, 21:33

Ed io la condivido in pieno....
e temo che le case facciano in quel modo esclusivamente per risparmiare, non curandosi ne della vita utile dei relay ne tanto meno di quella delle valvole :hummm_1:
CHE DIO B'ASSISTA!

Avatar utente
Dom
Roger Mayer Jr.
Roger Mayer Jr.
Messaggi: 2034
Iscritto il: 07/09/2013, 15:38
Località: Abruzzo (Te)

Re: Alimentazione filamenti in continua

Messaggio da Dom » 22/09/2015, 21:34

Dimenticavo di rispondere ad un'altra tua domanda:

Si. Dovrebbe essere come ti ha detto Kagliostro. Reggono gli stessi amperes sia i "T" che i "K", ma la dissipazione cambia notevolmente! Io mi ricordavo molto meno di 25w per i "t", ma mi fido di Kagliostro.

Avatar utente
robi
Amministratore
Amministratore
Messaggi: 9762
Iscritto il: 17/12/2006, 13:57
Località: Alba

Re: Alimentazione filamenti in continua

Messaggio da robi » 22/09/2015, 21:59

MapleMarco ha scritto:Siamo sicuri sicuri che tra T e K ci sia solo una differenza in termini di forma?
(io sapevo che i K essendo fatti in quel modo dissipavano più calore e di conseguenza rendevano più Ampere :hummm_1: )
Ho visto molte volte Kaglio dire che il K tiene di più e non sono mai intervenuto, ma da datasheet le due versioni sono identiche come corrente erogabile. Cambia la reiezione al ripple di 6dB in favore del K.

Avatar utente
piadina
Diyer Esperto
Diyer Esperto
Messaggi: 254
Iscritto il: 20/10/2014, 22:58
Località: provincia Venezia

Re: Alimentazione filamenti in continua

Messaggio da piadina » 22/09/2015, 22:01

6,3 Vac (valore efficace) che butta fuori il trafo.
mettiamo che ogni diodo al silicio ha 0.7 V di caduta, usando il ponte graez ha sempre una coppia di diodi che conduce quando c' e la semi onda positiva e un'altra che conduce quando arriva la semi onda negativa. Quindi hai sempre una caduta doppia mettiamo 1,5 volt.
Quindi al uscita del ponte (nn condensatore) avremo una tensione continua (perche nn va piu sotto lo zero percio si dice continua, pulsante se vogliamo) con un valore pari a 6,3 - 1,5 = 4,8 Vdc efficaci.
Ora mettiamo un bel condensatore per livellare il tutto, tra l 'altro dato che il ponte mi aumenta la frequenza in uscita di un buon 50 percento il cap lavorerà meglio.
Quindi la tensione d uscità finale assumerà il valore fisso (grazie al cap che funziona come da grossa cisterna) di punta della "sinusoide" in uscita dal ponte. Quindi 4,8 x 1.41= 6.7 VDC poi col carico mi scende ancora,


Di solito cmq sta benedetta caduta sui diodi si trascura, ma dato che le tensioni in gioco sn piccole va considerata. Il trucco per avere valori giusti e di fare il trafo attorno alla tensione piu bassa (come faccio io) o predisporre mezze spire in uscita nn servono resistenze.
La caduta sui diodi la puoi misurare col tester c'e il simbolo disegnato del diodo

Rispondi