Dan Armstrong
Dan Armstrong
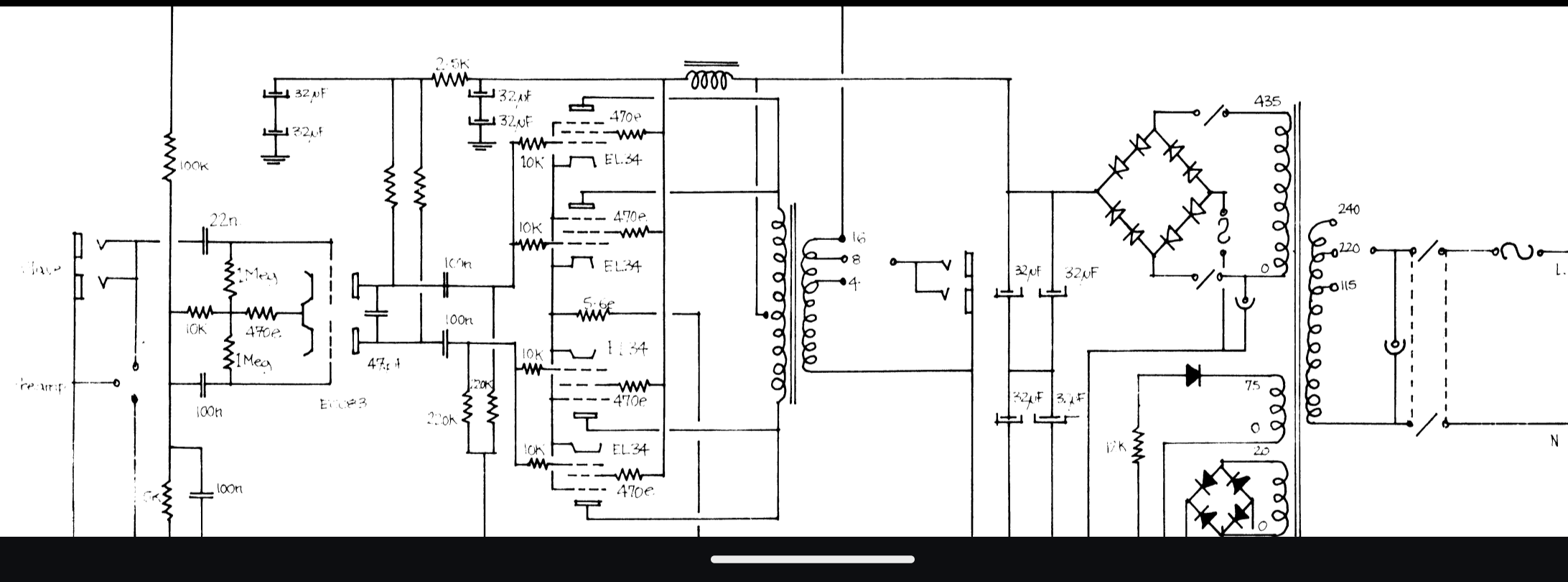
Salve, ho questo vecchio amplificatore per chitarra e aprendolo vedo che il precedente proprietario lo aveva fatto revisionare.
Tutto secondo valori tranne la sezione in foto...valori molto più alti per gli elettrolitici (220uf invece che 32uf) e un raddrizzatore con i soliti 4 4007 invece che quel ponte a 8 che non capisco.
Secondo voi ha senso questa modifica?
Per quanto riguarda i trasformatori sono ok tranne il choke che è molto arrugginito.. secondo voi potrei sostituirlo con quale? L'induttanza non è indicata in schema l'originale è un partridge tg9688 ma nn trovo info. Allego foto. Grazie mille
Tutto secondo valori tranne la sezione in foto...valori molto più alti per gli elettrolitici (220uf invece che 32uf) e un raddrizzatore con i soliti 4 4007 invece che quel ponte a 8 che non capisco.
Secondo voi ha senso questa modifica?
Per quanto riguarda i trasformatori sono ok tranne il choke che è molto arrugginito.. secondo voi potrei sostituirlo con quale? L'induttanza non è indicata in schema l'originale è un partridge tg9688 ma nn trovo info. Allego foto. Grazie mille
- Kagliostro
- Amministratore

- Messaggi: 9958
- Iscritto il: 03/12/2007, 0:16
- Località: Prov. di Treviso
Re: Dan Armstrong
Ciao, benvenuto nel forum
Il ponte con i diodi in serie serviva a poter usare diodi che sopportavano meno tensione, se metti in serie due diodi che sopportano 500V ottieni l' equivalente di un diodo da 1000V
Quindi se l' anodica è inferiore a 1000V e la corrente assorbita è entro 1A gli 1N4007 van bene
Per i condensatori il discorso è diverso, nel metterne di così tanto maggiorati se da una parte si mitiga il ronzio, dall' altra si aumenta la corrente di inrush all' accensione, da valutare anche un eventuale cambio della risposta dell' amplificatore che così modificato diventa più .... "rigido", nota che questo magari potrebbe anche andarti bene, dipende anche dai gusti
Robi saprebbe sicuramente spiegarti meglio cosa ti conviene fare
Per l' impedenza di filtro, in genere un po' di ruggine non è ragione per una sostituzione, magari la smonti, la pulisci delicatamente e dopo aver usato un convertitore per ruggine la ridipingi, l' uso del convertitore o meno prima di ridipingerla dipende dalla situazione che trovi
K
p.s.: Fa sempre piacere sapere esattamente di che modello si parla ed averne sotto gli occhi lo schema completo
Il ponte con i diodi in serie serviva a poter usare diodi che sopportavano meno tensione, se metti in serie due diodi che sopportano 500V ottieni l' equivalente di un diodo da 1000V
Quindi se l' anodica è inferiore a 1000V e la corrente assorbita è entro 1A gli 1N4007 van bene
Per i condensatori il discorso è diverso, nel metterne di così tanto maggiorati se da una parte si mitiga il ronzio, dall' altra si aumenta la corrente di inrush all' accensione, da valutare anche un eventuale cambio della risposta dell' amplificatore che così modificato diventa più .... "rigido", nota che questo magari potrebbe anche andarti bene, dipende anche dai gusti
Robi saprebbe sicuramente spiegarti meglio cosa ti conviene fare
Per l' impedenza di filtro, in genere un po' di ruggine non è ragione per una sostituzione, magari la smonti, la pulisci delicatamente e dopo aver usato un convertitore per ruggine la ridipingi, l' uso del convertitore o meno prima di ridipingerla dipende dalla situazione che trovi
K
p.s.: Fa sempre piacere sapere esattamente di che modello si parla ed averne sotto gli occhi lo schema completo
Re: Dan Armstrong
Ecco scusa... è un Dan Armstrong 100w nel pdf è l'ultimo.
- Allegati
-
- 360_5f9851b0031fbd46f78aa8a3c2e3b331.jpg (21.19 KiB) Visto 5674 volte
-
- Dan Armstrong Diagram Set.pdf
- (211.33 KiB) Scaricato 127 volte
Re: Dan Armstrong
Ciao e buon anno!
sacrosanti i consigli di Franco riguardo i diodi, ma se vuoi installarle due in serie, costano poco e tieni "l'originalità" anche in quello.
Riguardo i condensatori, installane con lo stesso valore originale:
https://www.tubetown.net/ttstore/en/f-t ... axial.html
https://www.tubetown.net/ttstore/en/jj- ... axial.html
Per l'induttanza, anche io non la sostituirei, ma ti dico cosa ho trovato:
Cercando "tg9688 choke" ho trovato questo pdf: https://dalmura.com.au/static/Partridge ... mation.pdf
dove vengono indicati i componenti ampli per ampli.
Cercando la Laney Sound LA60BL è uscito fuori questo thread nostro: viewtopic.php?t=5788
Mi esce inoltre questo link di Franco di 10 anni fa: https://el34world.com/Forum/index.php?t ... #msg191758
Sebbene a naso mi sembri tanto, entrambi riportano 20H, che corrisponderebbe a questa: https://www.tubetown.net/ttstore/en/ham ... -193c.html
Ho anche trovato questo link che dice 4H 80 mA: https://marshallforum.com/threads/the-m ... st-2445250
Dicendo che è la stessa induttanza. Motivo in più per tenere quella che hai, magari dandole una scartavetrata fine.
sacrosanti i consigli di Franco riguardo i diodi, ma se vuoi installarle due in serie, costano poco e tieni "l'originalità" anche in quello.
Riguardo i condensatori, installane con lo stesso valore originale:
https://www.tubetown.net/ttstore/en/f-t ... axial.html
https://www.tubetown.net/ttstore/en/jj- ... axial.html
Per l'induttanza, anche io non la sostituirei, ma ti dico cosa ho trovato:
Cercando "tg9688 choke" ho trovato questo pdf: https://dalmura.com.au/static/Partridge ... mation.pdf
dove vengono indicati i componenti ampli per ampli.
Cercando la Laney Sound LA60BL è uscito fuori questo thread nostro: viewtopic.php?t=5788
Mi esce inoltre questo link di Franco di 10 anni fa: https://el34world.com/Forum/index.php?t ... #msg191758
Sebbene a naso mi sembri tanto, entrambi riportano 20H, che corrisponderebbe a questa: https://www.tubetown.net/ttstore/en/ham ... -193c.html
Ho anche trovato questo link che dice 4H 80 mA: https://marshallforum.com/threads/the-m ... st-2445250
Dicendo che è la stessa induttanza. Motivo in più per tenere quella che hai, magari dandole una scartavetrata fine.
- Kagliostro
- Amministratore

- Messaggi: 9958
- Iscritto il: 03/12/2007, 0:16
- Località: Prov. di Treviso
Re: Dan Armstrong
Magari posta un paio di foto dove si veda bene in che situazione si è, così ti possiamo dare consigli più mirati per la choke
Franco
Franco
Re: Dan Armstrong
Gentilissimi. Molto volentieri. Nel tardo pomeriggio vedo di fare qualche foto e le posto. Grazie mille
- Kagliostro
- Amministratore

- Messaggi: 9958
- Iscritto il: 03/12/2007, 0:16
- Località: Prov. di Treviso
Re: Dan Armstrong
Se la Choke è come quelle che ho visto nelle foto in rete credi che non sarà difficile sistemare il problema ruggine, ma aspettiamo a vedere le foto
Franco
Franco
Re: Dan Armstrong
Concordo con Franco
Re: Dan Armstrong
Eccomi...scusate il ritardo vi allego foto. A parte i valori dei condensatori diversi vedo è stato aggiunto un trimmer, una resistenza variabile come si vede dalla foto, a che scopo?
- Kagliostro
- Amministratore

- Messaggi: 9958
- Iscritto il: 03/12/2007, 0:16
- Località: Prov. di Treviso
Re: Dan Armstrong
Bene, adesso la situazione è più chiara
Io procederei così
Per prima cosa darei una passata con un panno ruvido alla parte lamierini dei trasformatori (quelli della choke non sono a vista), dopo passerei a ricoprire con un doppio o triplo strato di scotch di carta i lamierini a vista, quindi con una piccola spazzola (acciaio o ottone/bronzo) ed aiutandoti con una spugna abrasiva da cucina (quelle verdi, meglio se della scotch) strofinerei bene le parti arrugginite dei trasformatori e del cavallotto di fissaggio della choke
Una volta raggiunto il miglior livello di pulizia possibile puoi togliere lo scotch di carta che protegge i lamierini e con un panno di lana ed acquaragia strofina bene la ruggine presente sui lamierini (viene sconsigliato di procedere con carta abrasiva perché l' ossido funge da isolante tra lamierino e lamierino)
Quando ritieni che per quanto possibile la ruggine sia eliminata anche dai lamierini, usando ovatta o cotone, strofina bene le parti metalliche (lamierini e parti di fissaggio) con acetone, per sgrassare
A questo punto potresti spennellare le parti metalliche dei trasformatori e della choke con un convertitore per ruggine (questo è facoltativo)
Una volta asciugato puoi procedere a verniciare
Vedi tu se riesci a fare il tutto con i trasformatori e la choke installati o se preferisci smontare tutto (o magari solo la choke)
Quanto al trimmer molto probabilmente si tratta di una modifica per poter regolare la tensione negativa del Bias
Franco
Io procederei così
Per prima cosa darei una passata con un panno ruvido alla parte lamierini dei trasformatori (quelli della choke non sono a vista), dopo passerei a ricoprire con un doppio o triplo strato di scotch di carta i lamierini a vista, quindi con una piccola spazzola (acciaio o ottone/bronzo) ed aiutandoti con una spugna abrasiva da cucina (quelle verdi, meglio se della scotch) strofinerei bene le parti arrugginite dei trasformatori e del cavallotto di fissaggio della choke
Una volta raggiunto il miglior livello di pulizia possibile puoi togliere lo scotch di carta che protegge i lamierini e con un panno di lana ed acquaragia strofina bene la ruggine presente sui lamierini (viene sconsigliato di procedere con carta abrasiva perché l' ossido funge da isolante tra lamierino e lamierino)
Quando ritieni che per quanto possibile la ruggine sia eliminata anche dai lamierini, usando ovatta o cotone, strofina bene le parti metalliche (lamierini e parti di fissaggio) con acetone, per sgrassare
A questo punto potresti spennellare le parti metalliche dei trasformatori e della choke con un convertitore per ruggine (questo è facoltativo)
Una volta asciugato puoi procedere a verniciare
Vedi tu se riesci a fare il tutto con i trasformatori e la choke installati o se preferisci smontare tutto (o magari solo la choke)
Quanto al trimmer molto probabilmente si tratta di una modifica per poter regolare la tensione negativa del Bias
Franco
Re: Dan Armstrong
Ottimo! Precisissimo! Sicuranente meglio smontare la choke.. che nel frattempo ho provveduto a misurare ma con un economico strumento cinese che non so quanto sia affidabile..
- Kagliostro
- Amministratore

- Messaggi: 9958
- Iscritto il: 03/12/2007, 0:16
- Località: Prov. di Treviso
Re: Dan Armstrong
Visto che non è che sia poi così importante conoscere esattamente gli H dell' impedenza e che basta avvicinarsi, direi che la misura fatta va più che bene
Tieni presente che l' interesse è quello di sapere il valore per restare vicini all' originale come risposta (ed in questo caso conta anche il valore resistivo), in alternativa un' impedenza maggiore comporta una miglior cancellazione del ronzio
Nel tuo caso un 20H potrebbero anche andare, ma molto meglio sistemare l'impedenza originale
Franco
Tieni presente che l' interesse è quello di sapere il valore per restare vicini all' originale come risposta (ed in questo caso conta anche il valore resistivo), in alternativa un' impedenza maggiore comporta una miglior cancellazione del ronzio
Nel tuo caso un 20H potrebbero anche andare, ma molto meglio sistemare l'impedenza originale
Franco
Re: Dan Armstrong
Grazie mille.. procuro il materiale e vi aggiornerò. Sempre competenti e gentilissimi!

