.. Grazie x la tua dritta controllerò!Dom ha scritto: ↑11/06/2023, 10:23Credo di sapere perchè sulla carcassa prendi la scossa.
Sicuramente i reofori della pcb non sono dell'esatta distanza dei gambetti dei cap. Molto probabilmente la distanza dei gambetti dei cap è più "corta" della distanza che intercorre fra i reofori della pcb. Quindi, mettendo quei cap fino a far toccare la loro parte inferiore sulla board, i gambetti stanno in diagonale verso l'esterno dei cap. Quello del positivo, probabilmente toccca la carcassa che ricopre il condensatore.
Prova a testare in continuità il positivo di quel cap con la carcassa e vedi se è così.
Quando hai la necessità di mettere dei cap con gambetti leggermente più stretti dei reofori della pcb, ti conviene sempre ( come sicurezza ) rivestire la carcassa con un termorestringente trasparente di adeguata sezione ( trasparente perchè puoi sempre leggere i dati ).
Una volta scaldato il termorestringente, lo tagli in modo tale che arrivi a sfiorare i gambetti.
mods pre JCA100 (SLO clone)
Re: mods pre JCA100 (SLO clone)
Re: mods pre JCA100 (SLO clone)
Ciao,
é normale sia così: la carcassa é collegata al negativo, ma nel cap “superiori” il negativo é a B+/2!!
é normale sia così: la carcassa é collegata al negativo, ma nel cap “superiori” il negativo é a B+/2!!
Re: mods pre JCA100 (SLO clone)
Che tipo di sorprese??Dom ha scritto: ↑11/06/2023, 10:12Pienamente d'accordo su quello che ti ha detto Franco. Come tensione massima, ci stai. Ma per il secondo filtro sarebbe meglio optare per 2 cap da 100uF in serie e non da 220uF. Così facendo rispetti esattamente lo schema e sei sicuro di non avere "sorprese" sonore.Kagliostro ha scritto: ↑11/06/2023, 9:29Visto che i cap di filtro sono montati in serie da 220uF si passa a 110uF e per quelli da 100uF si va a 50uF, per quanto riguarda la tensione da 450V si passa a 900V, questo per quelli che hai sullo schema
Se usi 4 x 220uF messi in serie due a due, ottieni 110uF e 110uF quanto a capacità, per il voltaggio se sono da 350V mettendoli in serie vanno a sopportare 750V
visto che l'anodica la misuri a 454V durante il funzionamento anche con cap da 350V sei nelle specifiche, il punto dove bisognerebbe indagare è quanto di picco vai a raggiungere, se puoi sarebbe meglio che i cap fossero da 450V, ma magari non è strettamente necessario
Se Roberto, Domenico o Vicus volessero dire la loro .....
K
...Una cosa che ho imparato proprio in questi giorni:
Se usi solo 2 valvole finali ( sempre ), valuta anche di ridimensionare quei 2 filtri esattamente della metà delle loro capacità complessive.
Nel primo filtro, anzichè mettere 2 cap da 220uF, ne dovresti mettere 2 da 100uF. Idem per il secondo filtro.
Non è un obbligo o una misura di sicurezza. Semplicemente rendi il finale più "accessibile" nel pilotarlo.
Re: mods pre JCA100 (SLO clone)
Io rispetterei lo schema. Saresti sicuro che non alteri l'impatto sonico del finale lasciando i filtri con le corrette capacità.
Poi liberissimo di sperimentare e fare come credi. Ma penso che qualche sorpresa rispetto a prima l'avresti.
Riguardo allo schema del preamp:
...L'uscita del secondo triodo = cap di disaccoppiamento / cella di filtro / pot di gain che finisce nella griglia segnale dello stesso secondo triodo ?
...L'uscita del quarto triodo = Stesso principio.
...Non è che magari le uscite anodiche dei triodi sono invertite????
Io credo che sarebbe più logico se dall'anodo di V1 - A = cap da 22nF / 1 M+ 270pF / NORMAL PREAMP -------- che va a finire in ingresso della griglia di V1 - B.
Stesso discorso per V2
- Kagliostro
- Amministratore

- Messaggi: 9904
- Iscritto il: 03/12/2007, 0:16
- Località: Prov. di Treviso
Re: mods pre JCA100 (SLO clone)
Scusa Domenico
per secondo triodo intendi V1b e per quarto triodo V2b ?
lo chiedo perché non riesco a capire cosa intendi, per me il segnale continua verso lo stadio successivo ??
Franco
per secondo triodo intendi V1b e per quarto triodo V2b ?
lo chiedo perché non riesco a capire cosa intendi, per me il segnale continua verso lo stadio successivo ??
Franco
Re: mods pre JCA100 (SLO clone)
Una capacitá maggiore sulle griglie rende il suono più fermo, e lavora solitamente meglio con più feedback sul finale.
Re: mods pre JCA100 (SLO clone)
Si. Esatto. Guardando da sinistra a destra: VI-A / V1-B / V2-A / V2-B.Kagliostro ha scritto: ↑12/06/2023, 22:51Scusa Domenico
per secondo triodo intendi V1b e per quarto triodo V2b ?
Se osservi bene V1-B e V2-B, il segnale in uscita dei triodi va nella griglia degli stessi.
Cioè: l'output va all'input dello stesso triodo.
- Kagliostro
- Amministratore

- Messaggi: 9904
- Iscritto il: 03/12/2007, 0:16
- Località: Prov. di Treviso
Re: mods pre JCA100 (SLO clone)
Allora devi riguardarci meglio, a me non pareva
Franco
Franco
- Kagliostro
- Amministratore

- Messaggi: 9904
- Iscritto il: 03/12/2007, 0:16
- Località: Prov. di Treviso
Re: mods pre JCA100 (SLO clone)
Svelato il mistero
Semplicemente io guardavo il primo schema postato
mentre Domenico osservava questo
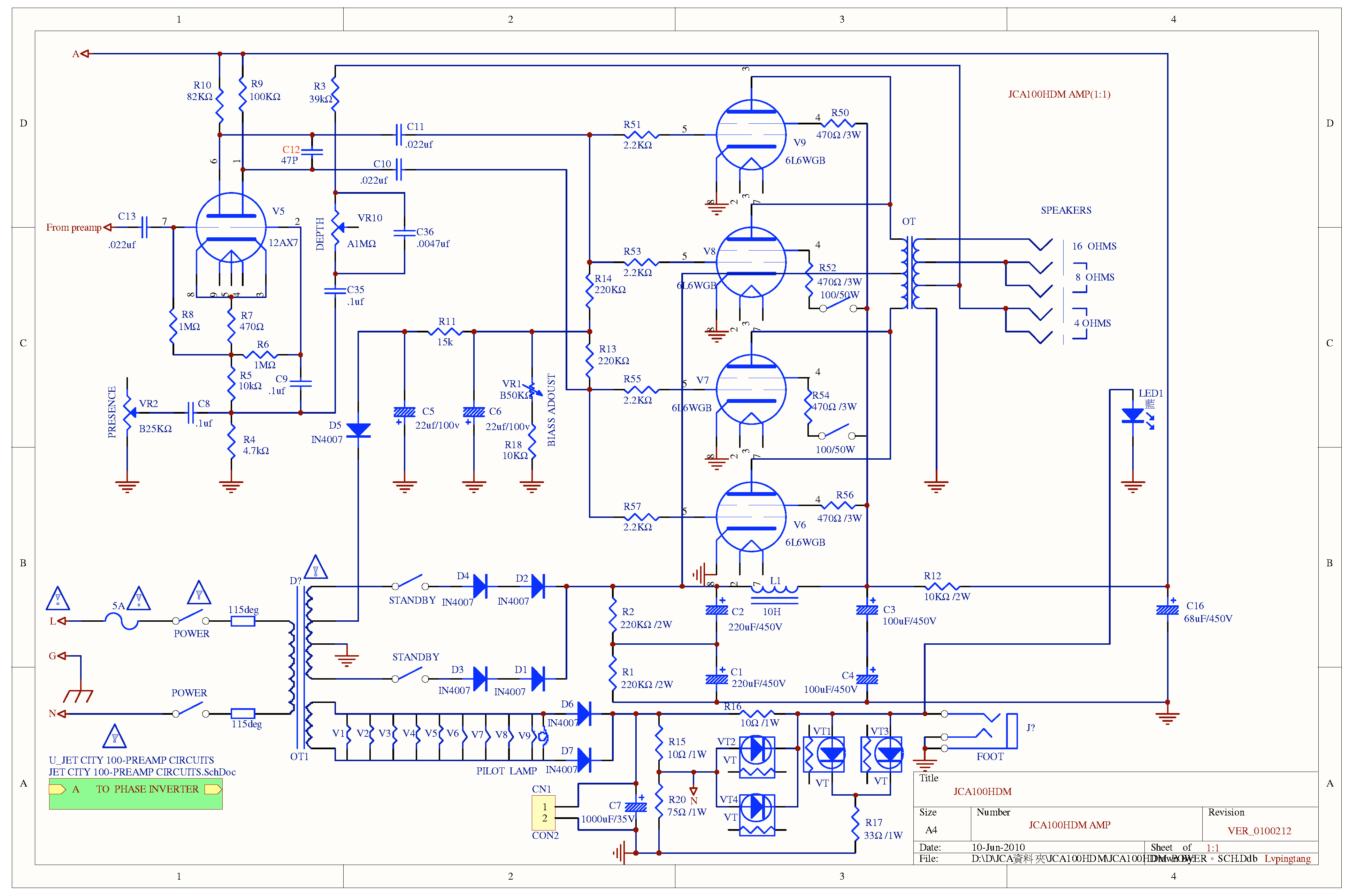
Palesemente in questa versione dello schema i cap di accoppiamento che prendono il segnale dalle placche di V1 sono stati collegati ognuno alla placca del triodo sbagliato, quello su V1a va collegato invece su V1b e viceversa
Franco
Semplicemente io guardavo il primo schema postato
mentre Domenico osservava questo
Palesemente in questa versione dello schema i cap di accoppiamento che prendono il segnale dalle placche di V1 sono stati collegati ognuno alla placca del triodo sbagliato, quello su V1a va collegato invece su V1b e viceversa
Franco
- Kagliostro
- Amministratore

- Messaggi: 9904
- Iscritto il: 03/12/2007, 0:16
- Località: Prov. di Treviso
Re: mods pre JCA100 (SLO clone)
Ho corretto il collegamento alle placche dei due cap
se vedete altre imprecisioni nello schema in pdf ditemelo che cerco di correggere per poi postare una versione nuova del pdf
per adesso, in allegato, le 3 jpg dello schema con la parte riguardante i cap di disaccoppiamento di V1 corretta
Franco
se vedete altre imprecisioni nello schema in pdf ditemelo che cerco di correggere per poi postare una versione nuova del pdf
per adesso, in allegato, le 3 jpg dello schema con la parte riguardante i cap di disaccoppiamento di V1 corretta
Franco
Re: mods pre JCA100 (SLO clone)
.... Qualcosa mi dice che lavori con Altium Designer.
Re: mods pre JCA100 (SLO clone)
quando hai due condensatori in serie, ogni condensatore vede metá della tensione ai suoi capi, e nel punto centrale (collegato a negativo e carcassa del condensatore superiore) hai metá anodica.
- Kagliostro
- Amministratore

- Messaggi: 9904
- Iscritto il: 03/12/2007, 0:16
- Località: Prov. di Treviso
Re: mods pre JCA100 (SLO clone)
A proposito, anche io suggerisco sia meglio mettere un dischetto di materiale isolante sopra agli elettrolitici e fermarlo con del termorestringente che sia un poco più alto del cap, in modo che la parte eccedente restringendosi blocchi sul posto il dischetto isolante
---
Per quanto riguarda il pgm usato per la modifica (ovviamente non un CAD, quelle che faccio sono correzioni a livello immagine) ma un semplice manipolatore di immagini, uso GIMP e mi trovo molto bene
Franco
---
Per quanto riguarda il pgm usato per la modifica (ovviamente non un CAD, quelle che faccio sono correzioni a livello immagine) ma un semplice manipolatore di immagini, uso GIMP e mi trovo molto bene
Franco

