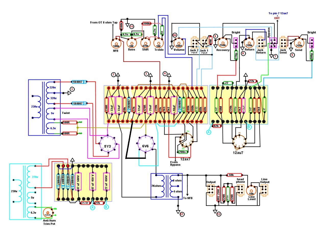
ho scollegato il cavo del pin 7 del pre che va al bypass del S/R ed ho tolto la valvola del s/r
ho scollegato il vvr, ed il pin 4 della 6v6 l'ho collegato al posto del cavo rosso B+ che va ai 22K. va bene?
ho cambiato il pot dell' nfb per avere maggiore scelta,ed ho messo uno da 500 k.
i cavi scollegati li ho collegati ad un pot per il volume non utilizzando il tonestack.
accendo,e purtroppo l'amplificatore non funziona. al 5 % di volume l'amplificatore emette un volume debole e nitido. appena aumento il pot comincia a scoppiettare,i medi alti e bassi scoppiettano ,sembra che ci sia un fuzz da mettallari... ci sono forti sibili e rumore.
ho controllato i condensatori e sono tutti apposto riguardo le loro polarità.
forse alla basetta dell'ampli ce da fare qualche modifica...non so mi rivolgo a voi


