allora ragazzi, ho chiamato il chitarrista del gruppo con cui suono, per provare l'ampli tralasciando la parte del S/R che non sono riuscito a ultimare per mancanza di tempo.il mio amico ha una fender strato made in usa che suona da Dio in confronto alla mia MERDepiphone.
1) debbo dire che con la modifica elimina ronzio l'ampli risulta meno potente, cosi mi pare, ricordo vagamente a scuola che mi dicevano che c'era una diminuzione di dB quando viene utilizzato un filtro RC.
suono OK solo che ci siamo accorti che sulle note prolungate tipo i bending ,le note si inzanzariscono, ed il suono è come se scompare ..inoltre è come se c'è abbinato un ronzio che accompagna sempre la nota ed attenua il suono stesso.
quando si fa un bending alla fine diventa una zanzara e il suono scompare subito,non è bello prolungato, o a volte di rado è come se scompare proprio.
2) con il mio amico abbiamo tolto la mod del cap da 33uF + 330 ohm,rimesso come resistenza di catodo 750 ohm visto che avevo calcolato in precedenza il bias. ( prima di togliere la mod, la resistenza di catodo della 6v6 era di 1.1 k come mi aveva consigliato K visto che alcuni champ hanno questo valore. l'ho dovuta mettere visto che notavo che la 6v6 scottava moltissimo)
il risultato è stato il ritorno del ronzio con un po di guadagno di volume.
agendo sul potenziometro da 1 M del FEEDBACK il problema si attenua ma c'è sempre, se il pot lo si tiene ad 1/6 di giro l'ampli fischia, cosa che non succede con il champ fatto in precedenza, se si aumenta il feedback lo zanzario delle note diminuisce, ed anche se si porta il pot al massimo (1M) il risultato è discreto ma c'è sempre il problema.
con il tube driver il problema viene accentuato ancora di più.
cosa può essere?
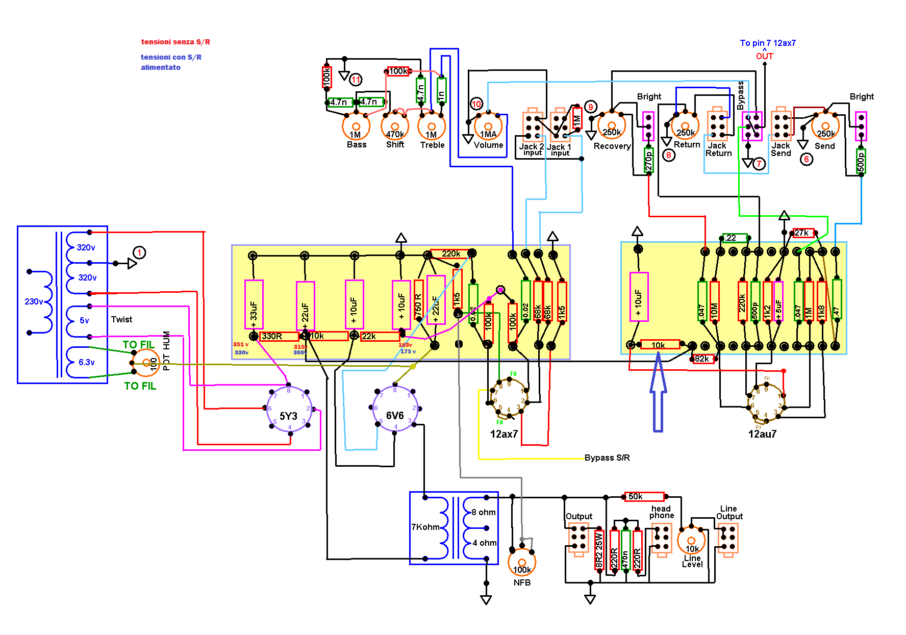
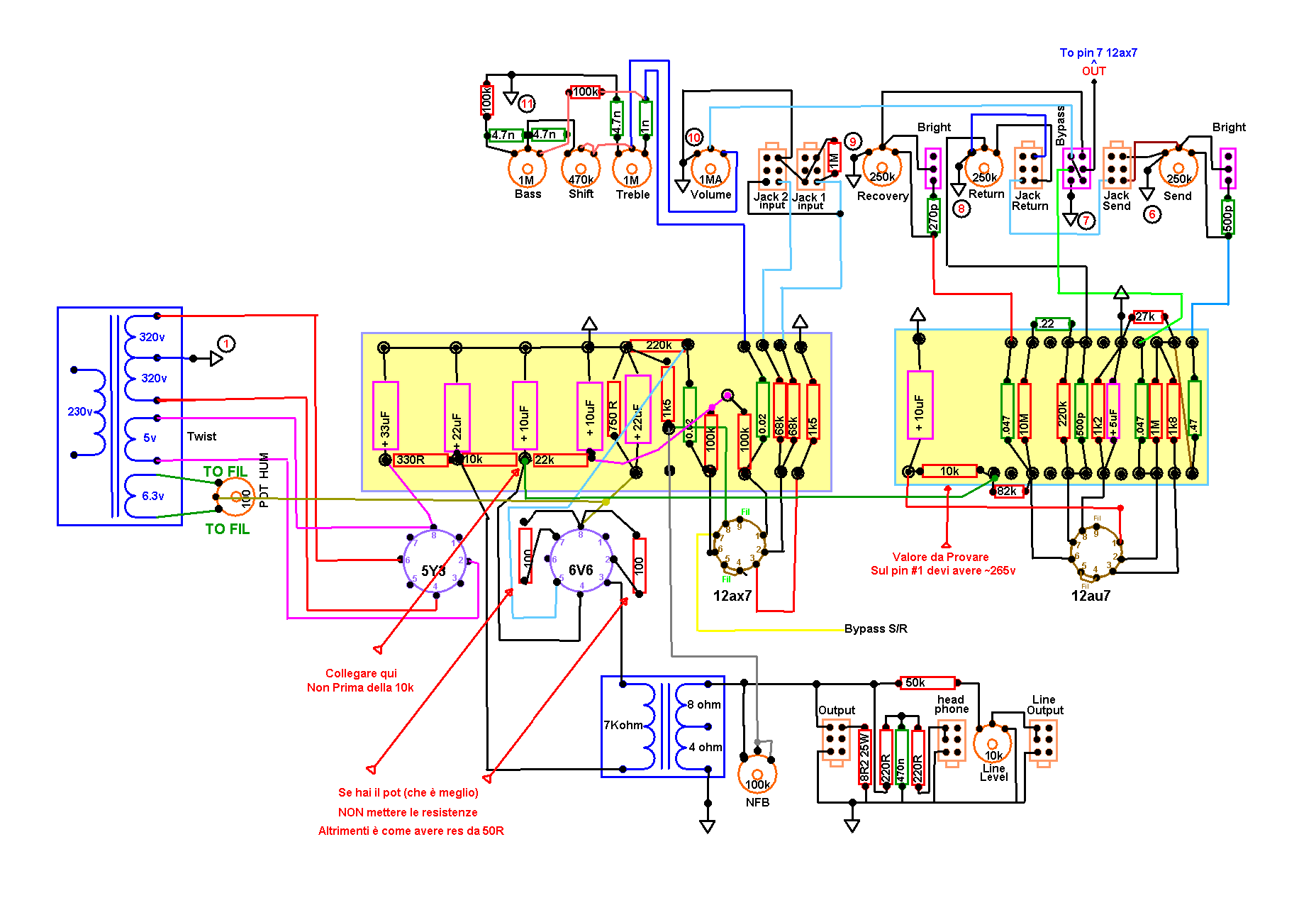
allego lo schema in file Jschem del layout che rappresenta l'ampli,ah ho effettuato la mod per alimentare la scheda del S/R che K mi ha indicato. dateci un'occhiata quando potete.
l'ampli è molto silenzioso, ho schermato tutti i cavi della 12au7,12ax7 parte della 6v6, e la fila dei controlli. spero mi intendiate cosa voglio riferirmi a quel zanzario che c'è.
allego anche un file audio dove si sente uno stralcio di quello che abbiamo provato( le parole che pronunciamo sono dialetto pugliese non scandalizzatevi )
