Una sfida con un 5c1
- Kagliostro
- Amministratore

- Messaggi: 9967
- Iscritto il: 03/12/2007, 0:16
- Località: Prov. di Treviso
Re: Una sfida con un 5c1
Ricordo di aver letto di modifiche del genere su V1 nei 5C1
Ma non mi ricordo esattamente dove
Prova da fare sicuramente
Franco
Ma non mi ricordo esattamente dove
Prova da fare sicuramente
Franco
Re: Una sfida con un 5c1
Fatte le modifiche...non cambia un fico secco!
Adesso provo a sostituire il pot del volume....
Adesso provo a sostituire il pot del volume....

Leonardo diceva: "L'esperienza è il nome che si dà ai propri sbagli."
- Kagliostro
- Amministratore

- Messaggi: 9967
- Iscritto il: 03/12/2007, 0:16
- Località: Prov. di Treviso
Re: Una sfida con un 5c1
Adesso cosa hai, un 500K ?
Franco
Franco
Re: Una sfida con un 5c1
Se vuoi evitare la grid-leak, togli il condensatore di disaccoppiamento sull'ingresso, porta la grid leak a 1M classico (verifica che la tensione sull'ingresso), porta il carico del primo stadio a 270k e sul catodo metti la combo 820 Ohm || 22 uF. Se porti il pot a 1 MOhm hai più segnale in uscita. Idem per il 2M2 dei bassi.
Re: Una sfida con un 5c1
Modifica fatta! Non cambia nulla
Sul pentodo preamplificatore ci sono 22v sul anodo e 0,89v sul catodo
, non è un po' pochino?
Anche con il potenziometro da 1 Mohm
Sul pentodo preamplificatore ci sono 22v sul anodo e 0,89v sul catodo
Anche con il potenziometro da 1 Mohm

Leonardo diceva: "L'esperienza è il nome che si dà ai propri sbagli."
Re: Una sfida con un 5c1
Allora c'è qualcosa che non va! con 820 Ohm sono circa 1 mA, il che vuol dire che l'alimentazione di quella valvola è 300V circa.
Mi dici le tensioni g1, g2, anodo, catodo, e le tensioni di alimentazione sul primo pentodo?
Mi dici le tensioni g1, g2, anodo, catodo, e le tensioni di alimentazione sul primo pentodo?
- Kagliostro
- Amministratore

- Messaggi: 9967
- Iscritto il: 03/12/2007, 0:16
- Località: Prov. di Treviso
Re: Una sfida con un 5c1
Ma V1 sei sicuro che sia OK e non esaurita ?
Franco
Franco
Re: Una sfida con un 5c1
OGii sono riuscito a fare un po' di prove...
La valvola era un NOS dovrebbe fare 48 di emissione quindi è OK
Con 500K di resistenza anodica e 250 di griglia ottengo:
24v di anodo 0,8v di catodo e 13v di griglia
Portando la resistenza anodica a 240K e 100 di griglia ottengo:
54v all'anodo e 2,9v al catodo e 27v di griglia
Sulla 6v6 c'è 194v alla griglia e 310 v dia anodica
E comunque il volume si è alzato ma di poco....
La valvola era un NOS dovrebbe fare 48 di emissione quindi è OK
Con 500K di resistenza anodica e 250 di griglia ottengo:
24v di anodo 0,8v di catodo e 13v di griglia
Portando la resistenza anodica a 240K e 100 di griglia ottengo:
54v all'anodo e 2,9v al catodo e 27v di griglia
Sulla 6v6 c'è 194v alla griglia e 310 v dia anodica
E comunque il volume si è alzato ma di poco....

Leonardo diceva: "L'esperienza è il nome che si dà ai propri sbagli."
- Kagliostro
- Amministratore

- Messaggi: 9967
- Iscritto il: 03/12/2007, 0:16
- Località: Prov. di Treviso
Re: Una sfida con un 5c1
Prova ad investigare riguardo l'uscita
Se non ricordo male non hai montato un altoparlante che dia l' impedenza riflessa migliore
Potrebbe essere quello o magari la sensibilità dell'altoparlante che usi, forse duro da pilotare
Hai modo di collegarci provvisoriamente un altoparlante con impedenza corretta e più sensibile ?
Forse potresti vedere se sul secondario i volt aumentano montando invece dell' altoparlante una resistenza di valore corretto per avere l' impedenza riflessa ottimale
Franco
Se non ricordo male non hai montato un altoparlante che dia l' impedenza riflessa migliore
Potrebbe essere quello o magari la sensibilità dell'altoparlante che usi, forse duro da pilotare
Hai modo di collegarci provvisoriamente un altoparlante con impedenza corretta e più sensibile ?
Forse potresti vedere se sul secondario i volt aumentano montando invece dell' altoparlante una resistenza di valore corretto per avere l' impedenza riflessa ottimale
Franco
Re: Una sfida con un 5c1
E' stata una delle prime prove che avevo fatto e montato un altoparlante con la stessa impedenza non era cambiato nulla.
Sembra che il problema sia un mancato adattamento di impedenze di ingresso, perchè se provo ad inserire un segnale audio l'amplificatore rende molto bene, mentre se ci attacco una chitarra il volume si riduce notevolmente....
Ciao
Sembra che il problema sia un mancato adattamento di impedenze di ingresso, perchè se provo ad inserire un segnale audio l'amplificatore rende molto bene, mentre se ci attacco una chitarra il volume si riduce notevolmente....
Ciao

Leonardo diceva: "L'esperienza è il nome che si dà ai propri sbagli."
- Kagliostro
- Amministratore

- Messaggi: 9967
- Iscritto il: 03/12/2007, 0:16
- Località: Prov. di Treviso
Re: Una sfida con un 5c1
Quindi si tratta di un problema di guadagno su V1 ... non ricordo più, che valvola stai usando ?
Franco
Franco
- Kagliostro
- Amministratore

- Messaggi: 9967
- Iscritto il: 03/12/2007, 0:16
- Località: Prov. di Treviso
Re: Una sfida con un 5c1
Lo so non sarebbe il massimo ma potresti usare un fet tra ingresso e V1 per aumentare il livello del segnale
---
Posti uno schemino a matita di ciò che sta attorno a V1 (o anche di tutto l' amp.come l' hai realizzato) ?
Franco
---
Posti uno schemino a matita di ciò che sta attorno a V1 (o anche di tutto l' amp.come l' hai realizzato) ?
Franco
Re: Una sfida con un 5c1
Ecco lo schema!
Ma forse sono io che pretendo troppo!
Dai video dei cloni 5c1 non è che suonino così da paura....
In un altro forum ne avevo visto uno con 2 6sj7
Ciao
Ma forse sono io che pretendo troppo!
Dai video dei cloni 5c1 non è che suonino così da paura....
In un altro forum ne avevo visto uno con 2 6sj7
Ciao

Leonardo diceva: "L'esperienza è il nome che si dà ai propri sbagli."
- Kagliostro
- Amministratore

- Messaggi: 9967
- Iscritto il: 03/12/2007, 0:16
- Località: Prov. di Treviso
Re: Una sfida con un 5c1
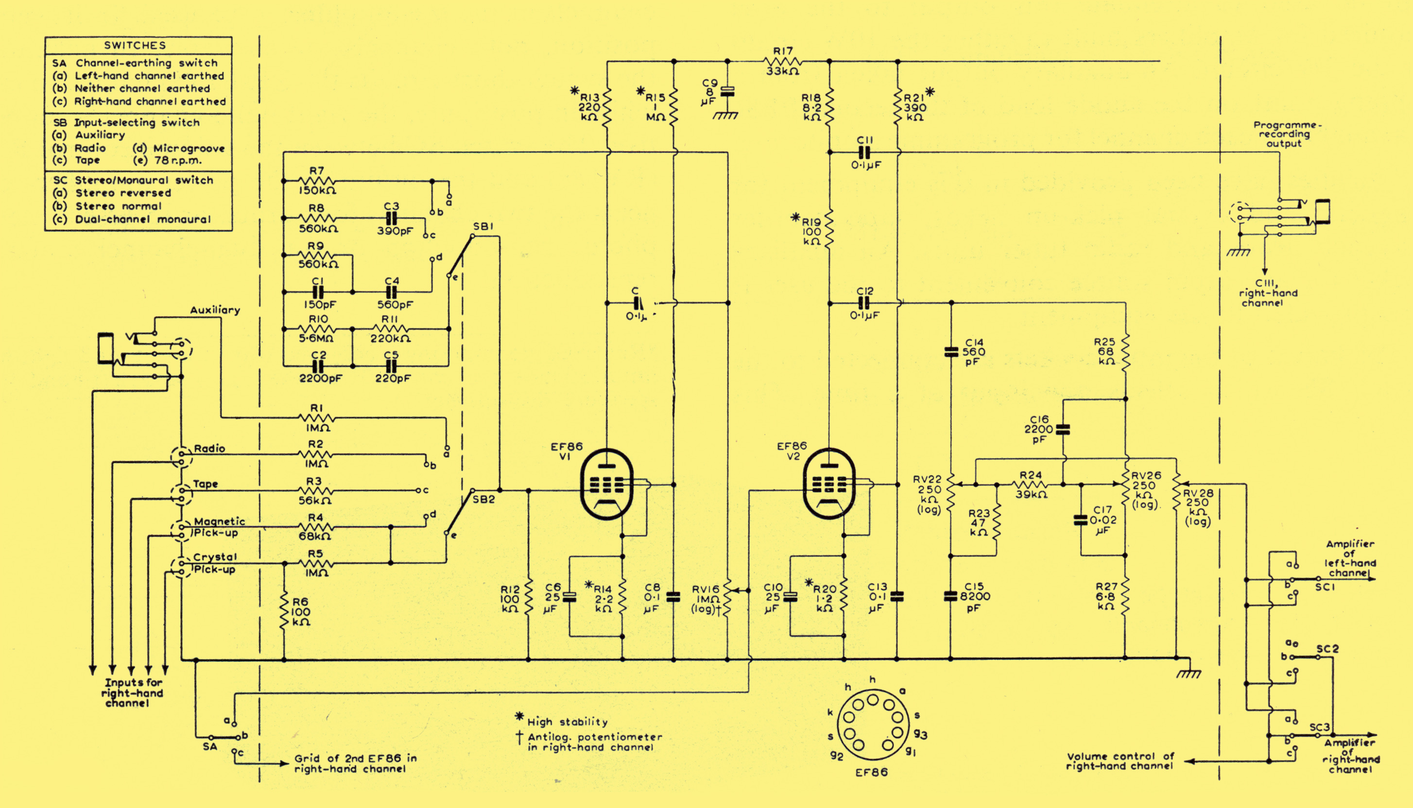
2 x 6SJ7 ... sicuramente per avere più spinta, come quando metti due triodi in parallelo, tipo il DC30 Matchless
Però chissà se erano in parallelo o in cascata e se erano tutti e due configurati a pentodo come in alcuni amp della Mullard o magari uno dei tentodi era configurato a triodo come mi è capitato di vedere da qualche parte (e parlo di amp commerciali, non DIY)
Questo è lo schema di un pre stereo della Mullard (solo canale sinistro)
----
Mi confermi che i valori sono quelli che sono nello schema ?
Franco
Però chissà se erano in parallelo o in cascata e se erano tutti e due configurati a pentodo come in alcuni amp della Mullard o magari uno dei tentodi era configurato a triodo come mi è capitato di vedere da qualche parte (e parlo di amp commerciali, non DIY)
Questo è lo schema di un pre stereo della Mullard (solo canale sinistro)
----
Mi confermi che i valori sono quelli che sono nello schema ?
Franco

