Sostieni il forum con una donazione! Il tuo contributo ci aiuterà a rimanere online!

...per cercare o proporre modifiche agli amplificatori
-
sobas66
- Diyer Esperto

- Messaggi: 375
- Iscritto il: 03/06/2014, 22:18
- Località: Provincia di Treviso
Messaggio
da sobas66 » 05/02/2024, 13:22
Praticamente è il potenziometro del volume che a 0 presenta comunque una resistenza di 300 ohm
proverò a sostituirlo...e vediamo se le cose cambiano...
Ciao
Leonardo diceva: "
L'esperienza è il nome che si dà ai propri sbagli."
-
sobas66
- Diyer Esperto

- Messaggi: 375
- Iscritto il: 03/06/2014, 22:18
- Località: Provincia di Treviso
Messaggio
da sobas66 » 06/02/2024, 22:23
Allora problema risolto, sostituendo il potenziometro del volume a zero non oscilla più e nemmeno al minimo.
Ora c'è un problema di motorboating sul pot del tono quando è tutto chiuso ho visto che il difetto sparisce con 500 ohm di resistenza, ho tolto il ponticello verso massa e l'ho sostituito con una resistenza da 560 ohm
Spero di aver fatto la cosa giusta....
Ciao
Leonardo diceva: "
L'esperienza è il nome che si dà ai propri sbagli."
-
Kagliostro
- Amministratore

- Messaggi: 9949
- Iscritto il: 03/12/2007, 0:16
- Località: Prov. di Treviso
Messaggio
da Kagliostro » 06/02/2024, 23:02
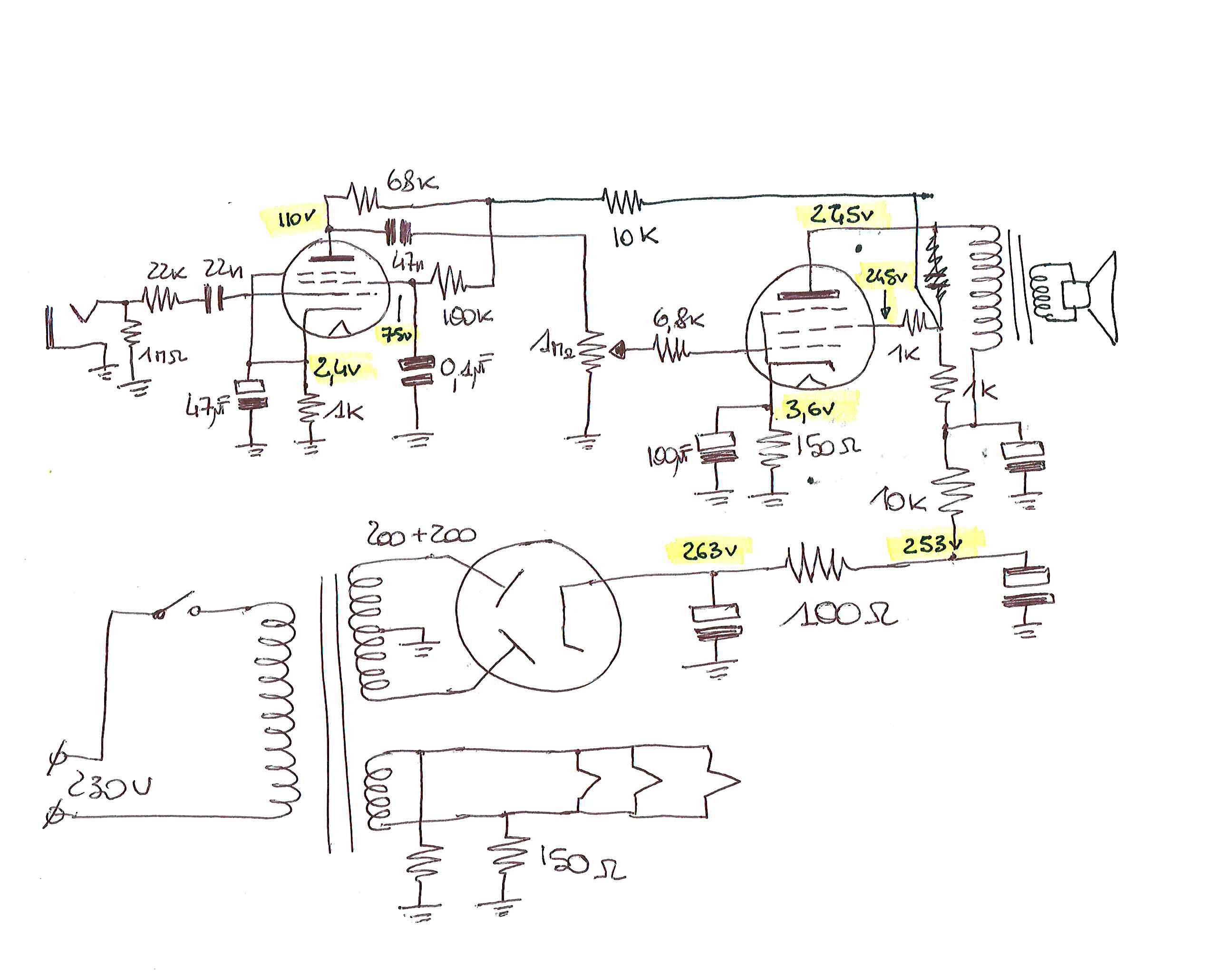
Ma che schema hai usato ?
Nello schema a matita non vedo controlli di tono
Franco
-
sobas66
- Diyer Esperto

- Messaggi: 375
- Iscritto il: 03/06/2014, 22:18
- Località: Provincia di Treviso
Messaggio
da sobas66 » 07/02/2024, 18:58
Alla fine ho usato questo schema...
Ciao
Leonardo diceva: "
L'esperienza è il nome che si dà ai propri sbagli."
-
Kagliostro
- Amministratore

- Messaggi: 9949
- Iscritto il: 03/12/2007, 0:16
- Località: Prov. di Treviso
Messaggio
da Kagliostro » 07/02/2024, 19:58
Come al solito, ultimamente non sto molto bene, quindi non riesco a ricordare più di tanto per essere d'aiuto
Tempo fa ho fatto una ricerca sui sistemi di controllo toni alternativi e mi erano capitati anche quei controlli che stanno tra la finale ed il TU
Quello che ricordo (sempre che ricordi bene) è che i valori in gioco per il pot ed il condensatore hanno a che fare con specifici TU
Nel tuo caso proverei ad eliminare quel controllo e ne proverei uno tipo quello del 5F2
In alternativa, ma si va a percorrere strade poco praticate, ci sarebbe quello dello Squirrel Monkey
Di più al momento non mi viene in mente
Franco
-
robi
- Amministratore

- Messaggi: 9738
- Iscritto il: 17/12/2006, 13:57
- Località: Alba
Messaggio
da robi » 07/02/2024, 21:49
Se posso consigliarti, non usare quel tipo di controlli.
Immagina di avere un altissimo carico sul finale (il classico Mi basso), la linea di carico risulterà piattissima e quindi salirá a valori elevatissimi di tensione, bucherà il condensatore e te la troverai sul pot. Non vorrei averci sopra le mani.
-
sobas66
- Diyer Esperto

- Messaggi: 375
- Iscritto il: 03/06/2014, 22:18
- Località: Provincia di Treviso
Messaggio
da sobas66 » 08/02/2024, 8:54
Grazie dei consigli! provvedo subito alla modifica
Ciao
Leonardo diceva: "
L'esperienza è il nome che si dà ai propri sbagli."
-
sobas66
- Diyer Esperto

- Messaggi: 375
- Iscritto il: 03/06/2014, 22:18
- Località: Provincia di Treviso
Messaggio
da sobas66 » 25/03/2024, 13:22
Direi che ne sono uscito molto soddisfatto da questa esperienza
Seguendo i vostri consigli ho ottenuto un ottimo risultato.
Adesso mi resta un ultima prova

, volevo provare a mettere un interruttore per togliere la controreazione e vedere cosa succede...
Poi ho fatto tutte le prove che volevo e potevo fare...
Ciao
Leonardo diceva: "
L'esperienza è il nome che si dà ai propri sbagli."