PERSONALIZZAZIONE FENDER CHAMP 5F1
- Kagliostro
- Amministratore

- Messaggi: 9956
- Iscritto il: 03/12/2007, 0:16
- Località: Prov. di Treviso
Re: PERSONALIZZAZIONE FENDER CHAMP 5F1
Capisco, ti mancherebbe la corrente per i filamenti
peccato non aver chiesto a novarria di farti un trasfo unico adeguato
oppure potresti stravolgere tutto e farti l'FX Loop separato
come tra l'altro previsto da quello schema
così potresti dotare anche l'altro ampli di un'uscita FX Loop anche se non attiva ed inserire l'FX Loop attivo esterno nella catena
certo il costo un po' sale per via che dovresti avere un'altro telaio e case ........
Vabbè, lasciamo le cose come le hai pensate, FX Loop integrato
Ciao
K
peccato non aver chiesto a novarria di farti un trasfo unico adeguato
oppure potresti stravolgere tutto e farti l'FX Loop separato
come tra l'altro previsto da quello schema
così potresti dotare anche l'altro ampli di un'uscita FX Loop anche se non attiva ed inserire l'FX Loop attivo esterno nella catena
certo il costo un po' sale per via che dovresti avere un'altro telaio e case ........
Vabbè, lasciamo le cose come le hai pensate, FX Loop integrato
Ciao
K
- Kagliostro
- Amministratore

- Messaggi: 9956
- Iscritto il: 03/12/2007, 0:16
- Località: Prov. di Treviso
Re: PERSONALIZZAZIONE FENDER CHAMP 5F1
Ieri sera volevo aggiungere le indicazioni per una modifica specifica per togliere rumore al 5F1, ma non so perchè, il link al forum non mi funzionava
ecco la modifica da aggiungere all'altra per l'anti Hum, è stata provata e funziona molto bene
Ah, domanda importante, tu che valvola usi per la rettifica ?
Ciao
K
ecco la modifica da aggiungere all'altra per l'anti Hum, è stata provata e funziona molto bene
Ah, domanda importante, tu che valvola usi per la rettifica ?
Ciao
K
- Allegati
-
- 5F1-quieter.gif (11.43 KiB) Visto 5691 volte
Re: PERSONALIZZAZIONE FENDER CHAMP 5F1
ciao K e grazie,
per la rettifica utilizzo una 5Y3
per la rettifica utilizzo una 5Y3
- Kagliostro
- Amministratore

- Messaggi: 9956
- Iscritto il: 03/12/2007, 0:16
- Località: Prov. di Treviso
Re: PERSONALIZZAZIONE FENDER CHAMP 5F1
5Y3, allora primo condensatore da massimo 33uF (di targa la 5Y3 vorrebbe max 20uF ma chi mi ha dato il consiglio ha usato molte volte, senza nessun problema, 33uF con questa valvola)
Altrimenti potresti montare una GZ34 ma ti si alzerebbe l'anodica e di molto
la caduta della 5Y3 è dell'ordine di 60v
quella della GZ34 è sui 10v-20v
Restiamo sulla 5Y3
Ciao
K
Altrimenti potresti montare una GZ34 ma ti si alzerebbe l'anodica e di molto
la caduta della 5Y3 è dell'ordine di 60v
quella della GZ34 è sui 10v-20v
Restiamo sulla 5Y3
Ciao
K
Re: PERSONALIZZAZIONE FENDER CHAMP 5F1
Ciao K
mi sta arrivando in questi giorni il materiale per l'amplificatore. l'unico rimpianto che ho è di non avere un po di componenti per fare queste modifiche.
vorrei fare questa modifica ulteriore che mi hai dato, solo che vorrei sapere se basta sostituire solamente, al posto del condensatore da 22uF 450 v ( il primo condensatore partendo da sinistra del layout) con uno da 33uF 450V.
nel precedente messaggio mi hai indicato uno schema con dei componenti in rosso da inserire al circuito.
posto il layout con tutte le modifiche fatte sino ad adesso,VVR, FEEDBACK, send return,ed ho aggiustato il wiring del potenziometro anti hum, a qualcuno può servire per trarne spunto ( sulla carta dovrebbe stare tutto bene).
mi sta arrivando in questi giorni il materiale per l'amplificatore. l'unico rimpianto che ho è di non avere un po di componenti per fare queste modifiche.
vorrei fare questa modifica ulteriore che mi hai dato, solo che vorrei sapere se basta sostituire solamente, al posto del condensatore da 22uF 450 v ( il primo condensatore partendo da sinistra del layout) con uno da 33uF 450V.
nel precedente messaggio mi hai indicato uno schema con dei componenti in rosso da inserire al circuito.
posto il layout con tutte le modifiche fatte sino ad adesso,VVR, FEEDBACK, send return,ed ho aggiustato il wiring del potenziometro anti hum, a qualcuno può servire per trarne spunto ( sulla carta dovrebbe stare tutto bene).
- Kagliostro
- Amministratore

- Messaggi: 9956
- Iscritto il: 03/12/2007, 0:16
- Località: Prov. di Treviso
Re: PERSONALIZZAZIONE FENDER CHAMP 5F1
No, non è la stessa cosa
bisogna proprio aggiungere un condensatore in più e la resistenza
chi l'ha provata, questa modifica, dice che funziona perfettamente
si tratta di un condensatore da 33uF e di una resistenza da 250-330ohm e di aumentare il valore degli alri condensatori
K
bisogna proprio aggiungere un condensatore in più e la resistenza
chi l'ha provata, questa modifica, dice che funziona perfettamente
si tratta di un condensatore da 33uF e di una resistenza da 250-330ohm e di aumentare il valore degli alri condensatori
K
Re: PERSONALIZZAZIONE FENDER CHAMP 5F1
ok K.
ho messo la resistenza da 330 ohm da 5 w e il condensatore da 33 uF 450 V.
da schema vanno messi come primi ,2 condensatori da 40 uF 450 v, ma visto che non esistono valori commerciali del genere, il valore + prossimo è 47 uF ,mi sembrava un po alto, cosi mi sono limitato a metterne i 2 da 33 uF che mi hai consigliato tu.
ah ho spostato il filo del pin 8 della 5Y3 al nodo dove adesso c'è la R 330 OHM 5 W ed insieme ad esso ho collegato un capo del primario del TU. ho fatto bene
?
GRAZIE
ho messo la resistenza da 330 ohm da 5 w e il condensatore da 33 uF 450 V.
da schema vanno messi come primi ,2 condensatori da 40 uF 450 v, ma visto che non esistono valori commerciali del genere, il valore + prossimo è 47 uF ,mi sembrava un po alto, cosi mi sono limitato a metterne i 2 da 33 uF che mi hai consigliato tu.
ah ho spostato il filo del pin 8 della 5Y3 al nodo dove adesso c'è la R 330 OHM 5 W ed insieme ad esso ho collegato un capo del primario del TU. ho fatto bene
GRAZIE
- Kagliostro
- Amministratore

- Messaggi: 9956
- Iscritto il: 03/12/2007, 0:16
- Località: Prov. di Treviso
Re: PERSONALIZZAZIONE FENDER CHAMP 5F1
Il valore che va tenuto sotto una certa soglia è quello del primo condensatore (che per la 5Y3 sarebbe max 20uF) comunque, come ti dicevo 33uF sono stati provati con successo più volte
La resistenza va da 250R fino a 330R (magari da provare)
per il valore del secondo condensatore non ci sono problemi e si potrebbe montarne anche uno da 40uF, come indicato nella mod, ma penso che 33uF possano andare anche per il secondo condensatore, il terzo va bene 22uF
(se vuoi per il secondo ne puoi usare due in parallelo da 22uF per un totale di 44uF)
Il collegamento del TA e della rettificatrice vanno spostati all'inizio del nuovo filtro aggiunto
(e mi sembra che ci siamo)
Forse sarebbe meglio ridisegnare tutto il layout usando una o due turret board tipo quelle che si trovano da TubeTown
http://www.tube-town.net/ttstore/produc ... -blue.html

K
La resistenza va da 250R fino a 330R (magari da provare)
per il valore del secondo condensatore non ci sono problemi e si potrebbe montarne anche uno da 40uF, come indicato nella mod, ma penso che 33uF possano andare anche per il secondo condensatore, il terzo va bene 22uF
(se vuoi per il secondo ne puoi usare due in parallelo da 22uF per un totale di 44uF)
Il collegamento del TA e della rettificatrice vanno spostati all'inizio del nuovo filtro aggiunto
(e mi sembra che ci siamo)
Forse sarebbe meglio ridisegnare tutto il layout usando una o due turret board tipo quelle che si trovano da TubeTown
http://www.tube-town.net/ttstore/produc ... -blue.html

K
- Kagliostro
- Amministratore

- Messaggi: 9956
- Iscritto il: 03/12/2007, 0:16
- Località: Prov. di Treviso
Re: PERSONALIZZAZIONE FENDER CHAMP 5F1
Sto ridisegnando il layout
Dovrai comunque ricontrollare tutto
EDIT: Per adesso sono arrivato fino a qui - se vedete errori segnalateli - Grazie
Ciao
K
Dovrai comunque ricontrollare tutto
EDIT: Per adesso sono arrivato fino a qui - se vedete errori segnalateli - Grazie
Ciao
K
Re: PERSONALIZZAZIONE FENDER CHAMP 5F1
ciao K GRAZIE MILLE PER L'AIUTO
sto facendo anche io un layout grezzo,appena posso li confronto e vi aggiorno.

sto facendo anche io un layout grezzo,appena posso li confronto e vi aggiorno.
- Kagliostro
- Amministratore

- Messaggi: 9956
- Iscritto il: 03/12/2007, 0:16
- Località: Prov. di Treviso
Re: PERSONALIZZAZIONE FENDER CHAMP 5F1
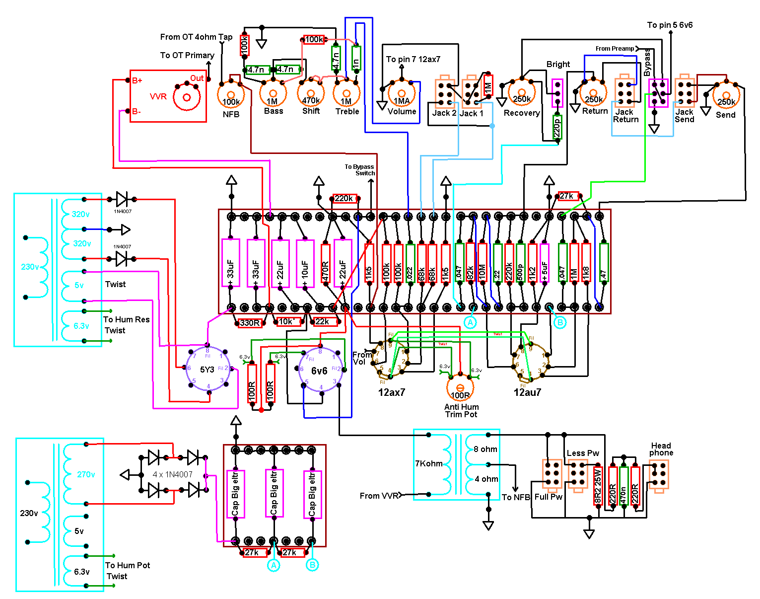
Mi pare di aver finito - naturalmente è tutto da controllare, per cui armati di pazienza, schemi e penna rossa ed incomincia a spuntare collegamenti e componenti
Sono perplesso sul discorso dell'uso del secondo trasformatore
Per non dover recuperare un altro pot per l'hum dei filamenti, come vedi, ho scelto le due resistenze per la 6v6 e il pot l'ho destinato alle 12a*7
Quasi ti direi di procurarti un piccolo trasformatore da un paio di ampere a 12v e ricabliamo la parte 12a*7 con quello
L'anodica per la 12au7 aggiunta si potrebbe ricavare da quella del trasformatore principale
ti allego anche il file .sch (all'interno del file .rar) che puoi editare con il programma che ti ho indicato l'altro giorno (JSChem)
Ciao
K
Sono perplesso sul discorso dell'uso del secondo trasformatore
Per non dover recuperare un altro pot per l'hum dei filamenti, come vedi, ho scelto le due resistenze per la 6v6 e il pot l'ho destinato alle 12a*7
Quasi ti direi di procurarti un piccolo trasformatore da un paio di ampere a 12v e ricabliamo la parte 12a*7 con quello
L'anodica per la 12au7 aggiunta si potrebbe ricavare da quella del trasformatore principale
ti allego anche il file .sch (all'interno del file .rar) che puoi editare con il programma che ti ho indicato l'altro giorno (JSChem)
Ciao
K
- Allegati
-
- 5F1 + FX Loop Layout.rar
- (14.5 KiB) Scaricato 241 volte
- Kagliostro
- Amministratore

- Messaggi: 9956
- Iscritto il: 03/12/2007, 0:16
- Località: Prov. di Treviso
Re: PERSONALIZZAZIONE FENDER CHAMP 5F1
Sto facendo un po' di debug
ed ho già trovato degli errori
Aspetta prima di dare un'occhiata al layout
Sto anche disegnando lo schema completo dell'ampli
Per adesso ho ridisegnato lo schema (come se ci fosse un unico TA)
e l'ho postato anche su di un forum americano che frequento per vedere se arriva qualche consiglio
Ciao
K
- Kagliostro
- Amministratore

- Messaggi: 9956
- Iscritto il: 03/12/2007, 0:16
- Località: Prov. di Treviso
Re: PERSONALIZZAZIONE FENDER CHAMP 5F1
Non va bene, la presenza dell'NFB complica un pochino le cose e non si può inserire l'FX Loop all'interno del loop dell'NFB
Bisogna spostare l'FX Loop prima di V1b
(o escluderlo quando si usa l'FX Loop .... o spostare l'NFB su V2a ?)
K
Bisogna spostare l'FX Loop prima di V1b
(o escluderlo quando si usa l'FX Loop .... o spostare l'NFB su V2a ?)
K
Re: PERSONALIZZAZIONE FENDER CHAMP 5F1
Kaglio stai facendo un lavorone!! Bravo!
- Kagliostro
- Amministratore

- Messaggi: 9956
- Iscritto il: 03/12/2007, 0:16
- Località: Prov. di Treviso
Re: PERSONALIZZAZIONE FENDER CHAMP 5F1
Sei troppo buono
K
K

