Vintage Italiano...chi se la sente?
Vintage Italiano...chi se la sente?
Salve ragazzi , dopo lungo girare mi son iscritto qui.Anni fa ho assemblato(cloni) e anche riparato alcuni Vox e Marshall,ho studiato elettronica(mai diplomato) e sono da 20 anni molto appassionato, pero' qui la cosa ha bisogno di uno una spanna sopra di me.Uno dei miei 3 ampli, che c'ho smontato da anni e' un F.B.T mod. 500 r2 uno dei vintage italiani anni '70 meglio rifiniti,anni fa mi fu ridato con il Trasformatore d'uscita bruciato,poi visto che mi ero messo un guanto grezzo l'unica valvola finale l'ho rotta.Ora vorrei rifare tutta la zona Finale che in questi ampli e' separata (con un cavo da 30 cm) dal pre,alle valvole finali EL503 rinuncio volentieri e anche alla sfasatrice ecc83 polarizzata in quel modo.Dunque tutto nuovo, ed ecco la mia richiesta d'AIUTO.Domanda...quale finale potrei scegliere,visto che il trasformatore d'alimentazione(che vorrei lasciare) non mi da piu di 300volt?dunque dopo il raddrizzamento e filtraggio,queste el503 lavoravano a 360v pero' attenzione ho molta corrente(datasheet), le uniche richieste sono,che non voglio quartetto di el84,vorrei minimo 35-40watt e questa volta vorrei un ampli pulito stile fender,e soprattutto il DOMANDONE,realizzando un finale a 6l6gc,el34 etc. lasciando il pre cosi' com'e,avro' un Buon Accoppiamento?Ovvero massimo trasferimento di potenza,impedenza etc.?una sola ecc83 nel pre, ce la fara' a muovere tutto?Per la tensione negativa griglie arrivo a -22volt,ovvio che la prendero' dai 300volt,se non mi basta anche per i filamenti metto un trasf. a parte da 6,3volt.oh se si mette male cambio anche il trasf.d'alimentazione,mannaggia, tutti i finali che arrivano a 40w stanno d'anodica sopra i 400v. Posto che non sono Nikola Tesla ma me la cavicchio. RIEPILOGO...Quale Finale scelgo?per 40watt? che possa lavorare a max 360v(200ma)no el84.Ho postato questi Fender,che dite Tremolux non sembra uguale?puo essere quell'anodica a 365v? p.s.Vi supplico astenersi..."portalo da qualcuno" o "ma dai lascialo cosi' che le el503 e il t.u.si trovano"etc. Vi ringrazio per la pazienza.Ciao fabrizio.
- Allegati
-
- FBT 500 R2.pdf
- oh a me sembra uguale addirittura pure i componenti del tone stack
- (235.01 KiB) Scaricato 422 volte
Re: Vintage Italiano...chi se la sente?
Mi rispondo io,non so se si vedono i 2 allegati ma questo e' Fender tremolux
- Allegati
-
- tremolux_6g9a_h-fa.pdf
- (260.96 KiB) Scaricato 420 volte
Re: Vintage Italiano...chi se la sente?
Considera una cosa: se non vuoi le EL84 devi cambiare i socket delle finali da noval a octal.
Oltretutto il vibrolux non mi pare affatto uguale, a partire dalla PI che sul fender e' in configurazione long tail pair con una ECC83 mentre sul FBT e' in configurazione cathodyne con una ECC82. Ma non e' questo il punto.
Due 6L6GC, con un'anodica di 360V e circa 3800 ohm di impedenza al primario del TU, tirano fuori fra i 25 e i 30W (datasheet).
Per il pre non ti preoccupare, di solito negli ampli puliti con piu' di una valvola il segnale viene leggermente attenuato all'uscita del pre per non mandare in clipping la PI, quindi una valvola sola ce la fa.
Secondo me puoi prendere il finale del Vibrolux, se ti accontenti di una decina di watt in meno, anche tenendo la PI in configurazione cathodyne (1/2 ECC82) come l'originale FBT e modificare dal circuito di bias fino al TU, dato che cambiando tipo di valvola per lavorare al meglio ha bisogno di altri tipi di carichi.
Spero di esserti stato utile, se vuoi procedere col lavoro e ti serve aiuto chiedi!
Oltretutto il vibrolux non mi pare affatto uguale, a partire dalla PI che sul fender e' in configurazione long tail pair con una ECC83 mentre sul FBT e' in configurazione cathodyne con una ECC82. Ma non e' questo il punto.
Due 6L6GC, con un'anodica di 360V e circa 3800 ohm di impedenza al primario del TU, tirano fuori fra i 25 e i 30W (datasheet).
Per il pre non ti preoccupare, di solito negli ampli puliti con piu' di una valvola il segnale viene leggermente attenuato all'uscita del pre per non mandare in clipping la PI, quindi una valvola sola ce la fa.
Secondo me puoi prendere il finale del Vibrolux, se ti accontenti di una decina di watt in meno, anche tenendo la PI in configurazione cathodyne (1/2 ECC82) come l'originale FBT e modificare dal circuito di bias fino al TU, dato che cambiando tipo di valvola per lavorare al meglio ha bisogno di altri tipi di carichi.
Spero di esserti stato utile, se vuoi procedere col lavoro e ti serve aiuto chiedi!
Live another day, climb a little higher, find another reason to stay...
Re: Vintage Italiano...chi se la sente?
Un quartetto di 6V6?
Re: Vintage Italiano...chi se la sente?
Se vuoi tenere gli zoccolo noval, usa le 6BW6: http://www.soemtron.org/downloads/disposals/6bw6.pdf
Anche le tensioni di bias sono perfette, e ti consiglio di lasciare la phase inverter così, solo di aggiungergli una grid stopper da 470k.
Anche le tensioni di bias sono perfette, e ti consiglio di lasciare la phase inverter così, solo di aggiungergli una grid stopper da 470k.
Re: Vintage Italiano...chi se la sente?
Salve innanzitutto grazie per le risposte cosi' veloci, sono le 4 e anche con la cecagna per quanto son contento mi va di rispondere,dopo tutti i monta smonta figuriamoci i zoccoli delle valvole sono l'ultimo problema,se posso, penso che sui zoccoli noval vi state sbagliando? o sono io? penso si chiamavano magnoval (el503) sono 10 anni che gia li avevo tolti ,ora ci sono octal ,no perche la base finale ce l'ho proprio pulita niente sfasatrice niente t.u. e niente finali,componenti ne so quattro dunque no problem,perche mi dite di tenermi la ecc82?ma a voi non vi sembra che quel tremolux a 365v sia come preamp. spiccicato al mio fbt?ovvero se faccio il finale(piastra separata eh) con 12ax7 e 6l6gc e ci collego il pre del mio fbt, li all'incrocio delle due resistenze da 220kom voi vedete problemi? e' ovvio trasf.d'uscita giusto e negativa di griglia forse da prendere dai 300v, forse sto spiegando male,so bene delle differenze tra ecc82 e 12ax7 sia come mu che per long-tail pair che giustamente dicevi, sul sito(molto attrezzato) dello schema fender porta 35watt e va molto bene!!!bella l'idea di 4 6v6 ma mai visto schemi da copiare. Allora.. che dite? lo faccio?accoppio?Ciao ancora grazie e... Salute p.s. ma si vedono i 2 schemi?
Re: Vintage Italiano...chi se la sente?
Si può fare tutto, tieni solo conto dell'ampiezza del segnale necessaria alle tue esigenze.
Re: Vintage Italiano...chi se la sente?
Grazie Roby, ti prego puoi essere piu specifico su questa cosa? e poi posso chiederti se hai paragonato i 2 schemi?dove i 2 pre fino alla 2 resistenze da 220k sono spiccicati dunque se all'fbt gli rifaccio lo stesso finale...che dici?visto che devo compra' il trasf. d'uscita per le 6l6.cioe' io lo sento che andra' bene ma vorrei fugare ogni dubbio.ciao e grazie per la pazienza.robi ha scritto:Si può fare tutto, tieni solo conto dell'ampiezza del segnale necessaria alle tue esigenze.
-
alexradium
- Diyer Eroe

- Messaggi: 777
- Iscritto il: 07/06/2011, 14:18
Re: Vintage Italiano...chi se la sente?
metti trafo da 50w,4k di primario,uscite 4,8,16 ohm e ci puoi mettere 4 6v6 oppure 2 6l6,meglio le prime visto che hai gia la tensione giusta,bias lo fai quanto vuoi tu,basta modificare il partitore,magari metti un pot cermet da 50k.
PI classica LTP con 12at7/ax7 e vai al massimo.
PI classica LTP con 12at7/ax7 e vai al massimo.
Re: Vintage Italiano...chi se la sente?
OH grazie Alex questo significa parlar chiari,2 domande: perche dici che solo con 4 6v6 ho la tensione giusta?poi volevo farlo con le
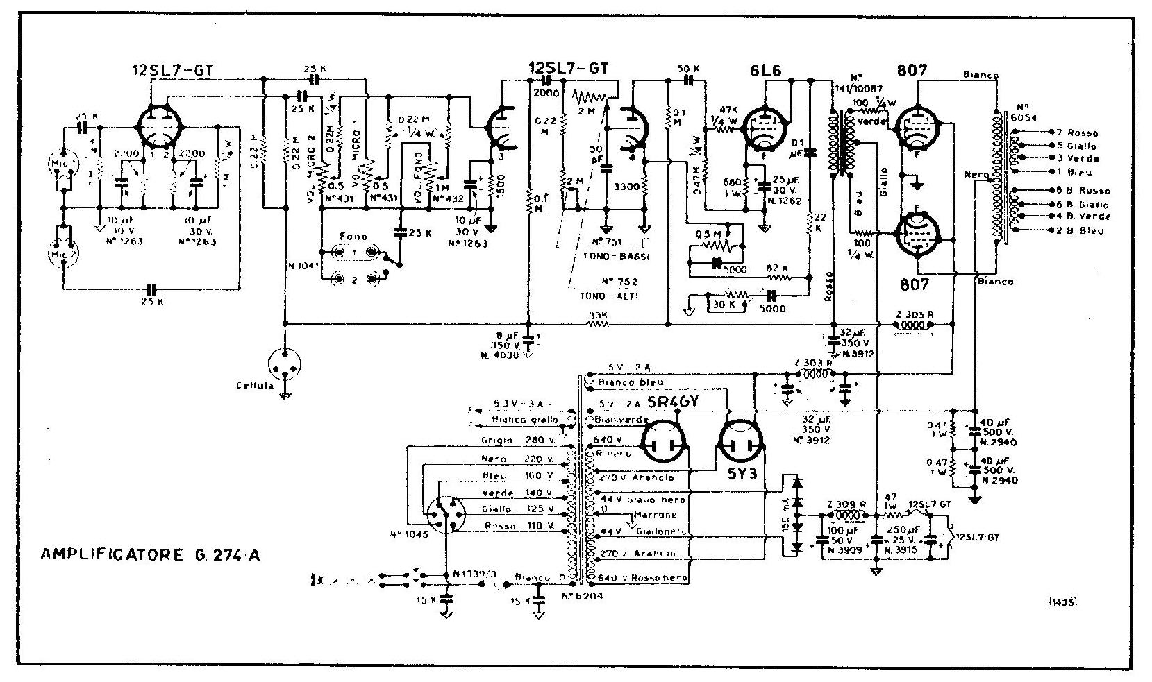
6l6 visto che lo copio al fender,senti, visto che e' molto che non lavoro, volevo utilizzare un trasf. d'uscita che ho da secoli ed era di un Geloso G274a 70W P.A. con p.p. di 807,anodica 700v, no ultralineare, essendo un p.a.(no hi-fi) ha un taglio frequenze max 10khz quasi simile ai blasonati per strumenti,ora non so l'impedenza,MA CHIEDO: avendo molte combinazioni in uscita da 1,5 a 500 ohm,se prendo l'uscita giusta, di riflesso riesco a cambiare anche l'impedenza di carico giusto?cosi' da adattarlo bene alle 6l6? che molti una volta le mettevano al posto delle 807,lo so lavorano a700v, ricordo forse era 6 kom anodo-anodo?se fosse, 4 speaker che danno collegati 8ohm,per fargli riflettere a questo mio t.u. l'impedenza giusta sugli anodi delle 6l6(4kom?),dove dovrei collegarli, su un imp.d'uscita piu alta o piu bassa?Scusatemi lo so questa e' tosta..una volta le sapevo fare ste cose,spero di essermi spiegato,visto che ho un hammond universale e si fa cosi',ma di questo non ho le specifiche ,sono convinto che interessera' a molti che riutilizzano i vecchi ampli italiani.Se risolvo questa sono a posto.ciao http://www.diyitalia.eu/forum/posting.p ... 24&p=81074#
-
alexradium
- Diyer Eroe

- Messaggi: 777
- Iscritto il: 07/06/2011, 14:18
Re: Vintage Italiano...chi se la sente?
apposta ti ho detto metti 4 zoccoli,così hai la doppia possibilita,(il cablaggio è uguale,i filamenti assorbono la stessa corrente)per conto mio anche a livello di suono le 6v6 sono molto meglio e gradiscono molto i 360V,la 6l6 anche con 400 è tutto da vedere,poi ovvio che bisogna vedere anche il TU e tutto il resto.
Il TU anche se non hai tutti i dati basta che lo alimenti al primario e ti ricavi tutti i rapporti di trasformazione,poi vedi se ti quaglia,in caso si aggiusta con impedenze diverse degli speaker.
Il TU anche se non hai tutti i dati basta che lo alimenti al primario e ti ricavi tutti i rapporti di trasformazione,poi vedi se ti quaglia,in caso si aggiusta con impedenze diverse degli speaker.
Re: Vintage Italiano...chi se la sente?
Grazie ancora,scusa e vero le 6v6 vanno su octal,ma hai visto il vibrolux che ho postato con le 6l6 ? eppure li sono alimentate a 365v per 35w d'uscita anche 30w va benone,visto che col tempo ho imparato che i db arrivano sempre aumentando i coni.ma tu dici di mettere 4 6v6 cosi' e i componenti? cioe' alle griglie,catodi etc. non ho uno schema,sicuro ci riesco ma non arrivo cosi alto,capirai che col vibrolux lo ricopio cosi' com'e' e forse me la cavo.Anche se 2 6v6 le ho sentite con 4 coni jensen p10r e non ci capiro' niente, ma guarda il suono faceva commuovere,c'hai pigliato, mi ci vorrebbe uno schema di un quartetto con ecc83,lo copio e bo'.grazie ancora
-
alexradium
- Diyer Eroe

- Messaggi: 777
- Iscritto il: 07/06/2011, 14:18
Re: Vintage Italiano...chi se la sente?
il cablaggio è lo stesso per entrambe le valvole,tutto si può fare ma dipende anche dal suono che hai in mente,più o meno tensione sulle valvole significa risposta diversa sulle frequenze e sul margine di pulito ad alto volume.
visto che non puoi prevedere come suona a priori ti conviene fare le prove con entrambe e poi sentire,dopotutto devi solo aggiungere 2 zoccoli e 4 resistenze,se hai spazio problemi non ce ne sono.
puoi copiare dal AB763 twin,se vuoi fare anche il presence e un suono meno scavato copia la PI del tweed 5F8A
occhio ai layout perchè quelli originali Fender non sono proprio il massimo,cerca di mantenere i fili di griglia dalla PI alle finali più corti possibile,grid stopper montate direttamente sul pin 5.
visto che non puoi prevedere come suona a priori ti conviene fare le prove con entrambe e poi sentire,dopotutto devi solo aggiungere 2 zoccoli e 4 resistenze,se hai spazio problemi non ce ne sono.
puoi copiare dal AB763 twin,se vuoi fare anche il presence e un suono meno scavato copia la PI del tweed 5F8A
occhio ai layout perchè quelli originali Fender non sono proprio il massimo,cerca di mantenere i fili di griglia dalla PI alle finali più corti possibile,grid stopper montate direttamente sul pin 5.
Re: Vintage Italiano...chi se la sente?
Intendevo dire che una EL84 o una 6V6 hanno bisogno di un segnale da 12-15V picco-picco per raggiungere la saturazione, mentre una 6L6 ha bisogno di un segnale solitamente tre-quattro volte più ampio.
Hai tenuto conto delle correnti dei filamenti?
Il trasformatore di alimentazione continua a fornirtele senza problemi anche dopo la modifica?
Hai tenuto conto delle correnti dei filamenti?
Il trasformatore di alimentazione continua a fornirtele senza problemi anche dopo la modifica?
Re: Vintage Italiano...chi se la sente?
Le EL503 di prima assorbono 1.2A, le 6V5 0.45A e le 6L6 0.9V. L'avvolgimento per i filamenti dovrebbe tenere.

